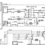
Unicarriers 2W7 Schematic
Size: 226 KB
Machine: Forklift
Machine Model: 2W7
Page: 2 Pages
#More Product: Unicarriers Forklift Operatior, Parts, Service Manual
Size: 226 KB
Machine: Forklift
Machine Model: 2W7
Page: 2 Pages
#More Product: Unicarriers Forklift Operatior, Parts, Service Manual


