Vogele Super 600 Super 800 Hydraulic Diagrmas
Data Size: 3.06 MB
File Type: tif
Language: German
Manufacturer: Vogele
Applicable Machine: Road Pavers
Type Of Manual: Hydraulic Diagrams, Hydraulic Hose Diagrams
Machine Model: Vogele Super 600 Super 800 Road Pavers
List Contents:
Vogele Road Pavers Super 600 Super 800 Hydraulic Diagrams
Super 600 Super 800 Hydraulic Diagrams 2030918_02
Super 600 Super 800 Hydraulic Diagrams 2094944_00
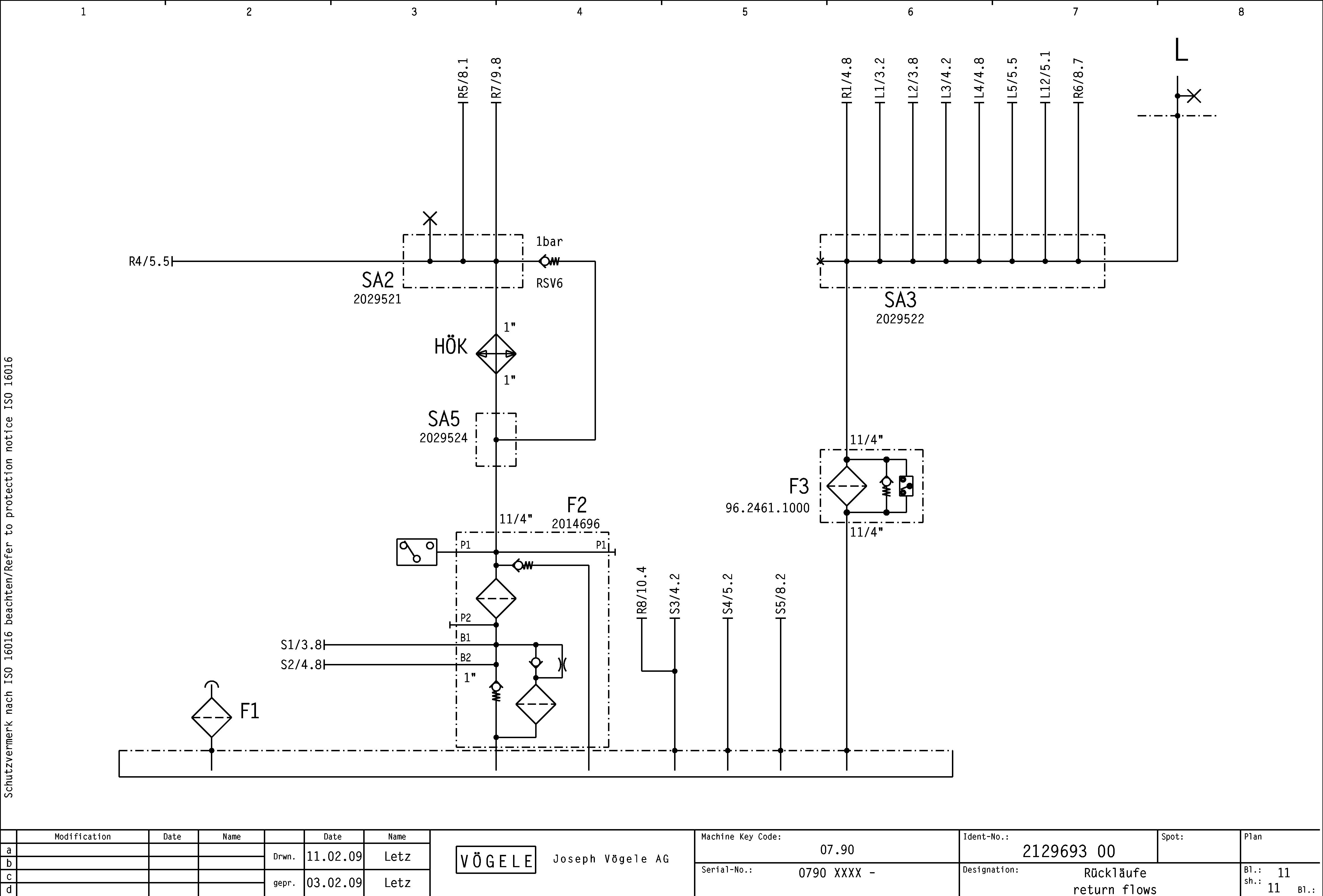
Super 600 Super 800 Hydraulic Diagrams 2129693_00
Vogele Road Pavers Super 600 Super 800 Hydraulic Hose Diagrams
Super 600 Super 800 Hydraulic Hose Diagrams 2030919_01
Super 600 Super 800 Hydraulic Hose Diagrams 2093426_00
Super 600 Super 800 Hydraulic Hose Diagrams 2129694_00
Super 600 Super 800 Hydraulic Hose Diagrams 2148146_01


