Vogele Vision 5103-2 Hydraulic Diagrams
Data Size: 3.76 MB
File Type: tif
Language: German, English
Manufacturer: Vogele
Applicable Machine: Road Pavers
Type Of Manual: Hydraulic Diagrams, Hydraulic Hose Diagrams
Machine Model: Vogele Vision 5103-2 Road Pavers
List Contents:
Vogele Road Pavers Vision 5103-2 Hydraulic Diagrams
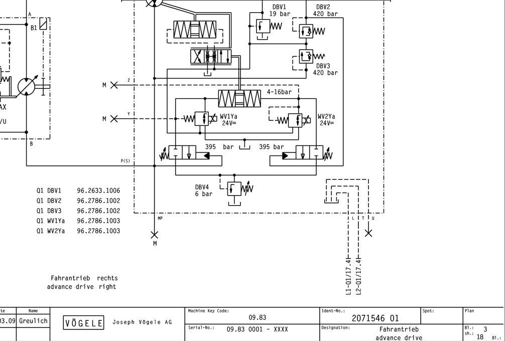
Vision 5103-2 Hydraulic Diagrams 2071546_01
Vision 5103-2 Hydraulic Diagrams 2142189_00
Vogele Road Pavers Vision 5103-2 Hydraulic Hose Diagrams
Vision 5103-2 Hydraulic Hose Diagrams 2087202_00
Vision 5103-2 Hydraulic Hose Diagrams 2142208_03


