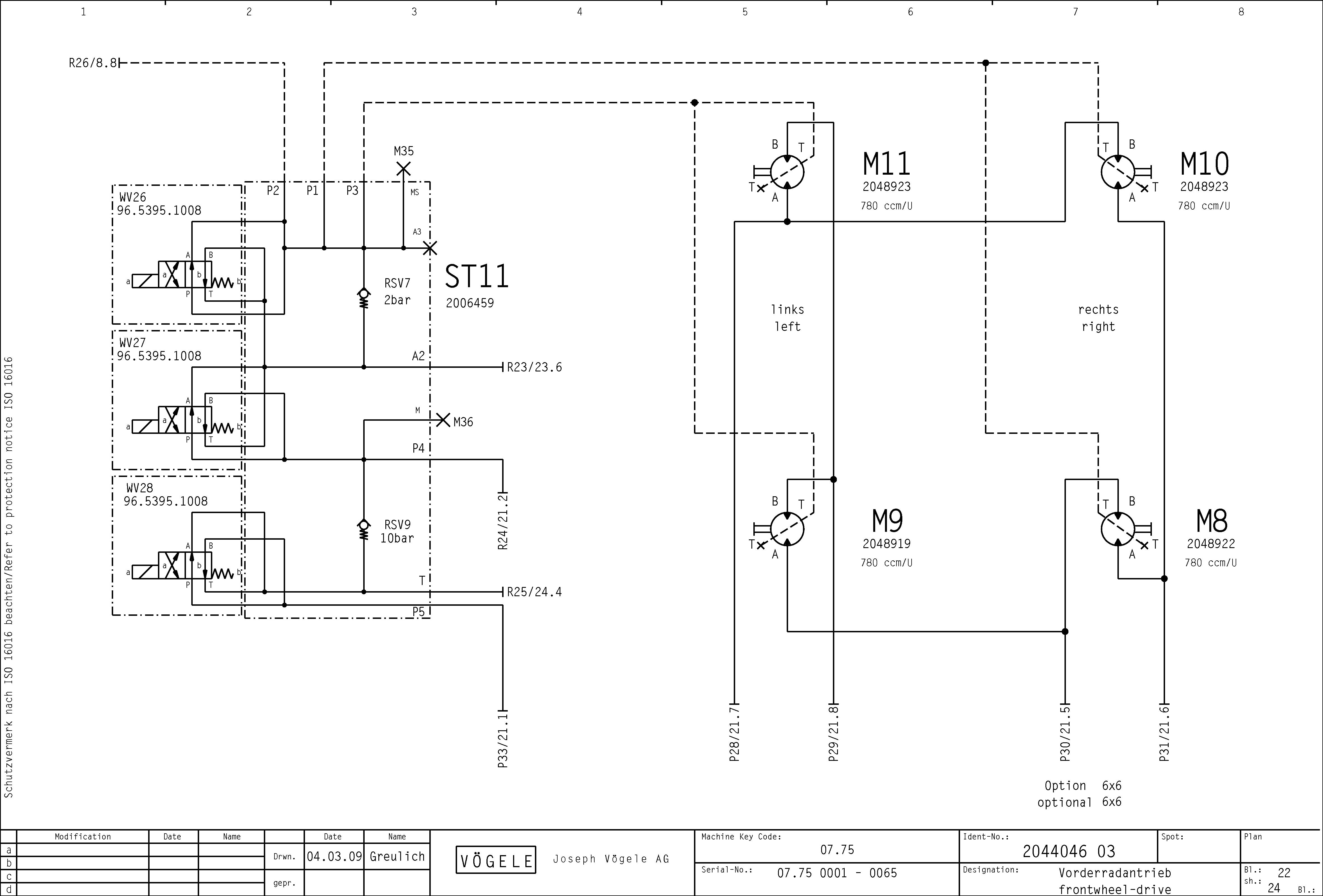
Vogele Vision 5203-2 Hydraulic Diagrams
Data Size: 2.19 MB
File Type: tif
Language: German, English
Manufacturer: Vogele
Applicable Machine: Road Pavers
Type Of Manual: Hydraulic Diagrams
Machine Model: Vogele Vision 5203-2 Road Pavers
List Contents:
Vision 5203-2 Hydraulic Diagrams 2044046_03
Vision 5203-2 Hydraulic Diagrams 2142183_00
Vision 5203-2 Hydraulic Diagrams 2190054_00


