Volvo A35E FS Service Repair Manual
Data Size: 151.38 MB
File Type: PDF
Language: English
Manufacturer: Volvo
Applicable Machine: Dump Truck
Document: Service Repair Manual, Electrical Wiring Diagram, Hydraulic Diagram
Machine Model: Volvo A35E FS Dump Truck
Page: 3994 Pages
List Contents:
1 Descriptions
1.3 1.4 Setting to zero, saved error codes warnings
1.3-1.4 Saved error codes warnings
Air cleaner, description
Air conditioning AC, basic principles
Air conditioning unit, operation FIG 1
Air conditioning unit, operation
Air intake and filter
Air suspension for operator´s seat, changing
Air suspension operator's seat, adjusting
Air-conditioning, component location
Alternator, description
ATC, description
Axles and brakes
Basic checks
Battery, charging
Battery, description
Brake cooling oil system, description
Braking system, description
Cab description
Cab, lifting points
Camshaft, description
CareTrack Telematics system
Charge-air cooling
Cleanliness, brake and hydraulic systems
Collection of basic data
Component description BRAKES
Component descriptions
Component position
Compressed air system, pressure build-up
Connectors, overview
Connectors, position
Control unit, description
Control units, voltage supply
Coolant pump, description
Cooling fan speed control, description
Cooling unit, description 1
Cooling unit, description
Crank mechanism, description
Cylinder block, description
Cylinder head, description
Cylinder liner, description
Damping cylinder
Data bus system
Description
Digital input and output signals
Drawings of E-tools
Drive axles, description
Drivetrain, description
Dump lever, description
Electrical cabling and connectors, checking
Electrical distribution box, description
Electrical system, basic check
Electrical system, special instructions for servicing, actions when working on machine
Electrical system, special instructions for servicing, electrical components, alternator and charging regulator
Electrical system, special instructions for servicing, electrical components, batteries
Electrical system, special instructions for servicing, electronic components
Electrical system, special instructions for servicing, general
Electrical system
Electronic control system, special tool measuring, component
Electronic control system, special tool measuring, E–ECU
Electronic control system, special tool measuring, general
Electronic control system, special tool measuring, I-ECU
Electronic control system, special tool measuring, T-, V- and V2-ECU
Electronic control system, special tool measuring, transmission PT
Engine Protection
Engine timing gear, description
Engine, description
Engine, identification
Error causes
Error code and warning levels
Error codes, build-up
Error codes, showing
Error detection
Exhaust pressure governor
Foot brake valve, description
Frame joint, description
Frame, description
Fuel feed pump, description
Fuel filter housing, description
Fuel flow, description
Fuel system, description
Full Suspension, description
General vehicle electronics
Hoist cylinder, description
Hydraulic and servo systems, description
Hydraulic brake system, pressure build-up
Hydraulic components, cleanliness when handling
Hydraulic components, storage and transport
Hydraulic oil, description
Hydraulic oil, storing and handling
Hydraulic pump flow regulation, description
Hydraulic pump, description
Hydraulic system, description
Hydraulic system, repair of hydraulic components in workshop
Hydraulic system, work instructions
Hydraulic tank, description
Hydraulics
Infrared Thermometer
Initial display and settings
Instruments and controls, climate control panel
Instruments and controls, control panel
Instruments and controls, left instrument panel
Instruments and controls, main instrument
Instruments and controls, overview
Instruments and controls, right instrument panel
Intercooler, description
Internal Exhaust Gas Recirculation (IEGR), description
Lifting machine
Load and dump brake, description 1
Load and dump brake, description
Load and Dump brake, function check
Lubrication system, description
Machine status hardware software
Maintenance
Measuring symbols, description
Measuring, general
Non-return valve function in steering and dumping valve
Oil trap, description
Operating information and service
Parking brake, description
Parking brake, function description
Parking brake, manually releasing
Personal competence and accreditation
Pistons, description
Pressure build-up, engine-dependent pumps, description 1
Pressure build-up, engine-dependent pumps, description
Pressure check connections, description 1
Pressure check connections, description
Propeller shaft, description
Proportional valve, description
Protecting plate, description
PWM5901, description
Radiator, description
Rear view monitor, service menu
Recovering and towing
Refrigerant for air conditioning
Refrigerant, draining
Relieve pressure
Repair instructions AC
Retarder pedal, description
Retarder, description
SAE J1708 (Information bus)
SAE J1939 CAN-bus (control bus)
Safety when working with air-conditioning refrigerant
Service connection and programming connection
Service display unit, general
Service display unit, summary
Service position 2
Service
Software versions and ECUs part number, checking
Software versions and ECUs part number, general
Software versions and ECUs part number, list
Starting with booster batteries
Steering and dumping valve, description
Steering cylinder, description
Steering system, description
Suspension cylinder, description 1
Suspension cylinder, description
Thermostat, description
Transfer gearbox, description
Transmission, cut-away drawing
Transmission
Troubleshooting strategy
Troubleshooting, assistant devices
Troubleshooting, general
Turbocharger, description
Unit injectors, description
V2007.3.0, change specification
V2007.4.0, change specification
V2007.5.0, change specification
V2007.6.0, change specification
V2008.1.0, change specification
V2008.3.0 V2008.3.1, change specification
V2008.4.0, change specification
V2009.4.0, change specification
Valve mechanism, description
VCADS Pro service tool, general
VCADS Pro tests
VCADS Pro, Calibrating
VCADS Pro, Error codes
VCADS Pro, Programming
VCADS Pro, Test
Warranty inspection
Wheel brake, function description
Windows, general
Working lights, description
Diagrams
Brake cooling oil system, diagram - 1
Brake cooling oil system, diagram
Components, list and positions
Compressed air diagram
Compressed air diagram-1
Compressed air diagram-2
Compressed air diagram-2-2
Electrical symbols and designations
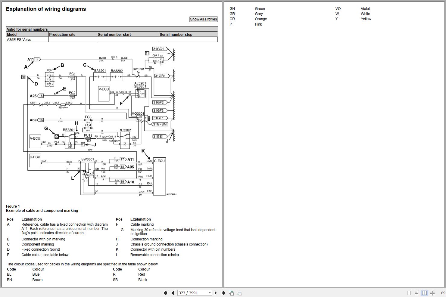
Explanation of wiring diagrams
Grounding points (frame connections)
Hydraulic diagram PT
Hydraulic diagram PT-1
Hydraulic diagram PT-1-1
Hydraulic diagram, brake system 2
Hydraulic diagram, brake system 2-2
Hydraulic diagram, brake system 3
Hydraulic diagram, brake system 3-3
Hydraulic diagram, brake system
Hydraulic diagram, brake system-1
Hydraulic diagram, complete 2 fig 1
Hydraulic diagram, complete 2
Hydraulic diagram, complete 3 fig 1
Hydraulic diagram, complete fig 1
Hydraulic diagram, complete fig 3 fig 1
Hydraulic diagram, complete
Hydraulic diagram, hood opening
MS.Internal.Documents
Steering and dumping valve, overview illustration
Wiring diagram A01
Wiring diagram A02 1
Wiring diagram A02
Wiring diagram A03 1
Wiring diagram A03
Wiring diagram A04
Wiring diagram A04-1
Wiring diagram A05
Wiring diagram A05-1
Wiring diagram A06
Wiring diagram A07
Wiring diagram A07-1
Wiring diagram A08
Wiring diagram A09
Wiring diagram A09-1
Wiring diagram A10
Wiring diagram A11
Wiring diagram A11-1
Wiring diagram A12
Wiring diagram A13
Wiring diagram A14
Wiring diagram A15
Wiring diagram A16
Wiring diagram A17
Wiring diagram A18
Wiring diagram A18-1
Wiring diagram A18-2
Wiring diagram A18-3
Wiring diagram A19
Wiring diagram A20
Wiring diagram A21
Wiring diagram A21-1
Wiring diagram A21-2
Wiring diagram A22
Wiring diagram A23 1
Wiring diagram A23
Wiring diagram A24
Wiring diagram A25
Wiring diagram A27
Wiring diagram A28
Wiring diagram A31
Wiring diagram A32
Wiring diagram A33
Wiring diagram A33-1
Wiring diagram A34
Wiring diagram A34-1
Wiring diagrams
Installation Instructions
Air cleaner, installing
Back up alarm, installing new
Cab heater connection 120 V, installing new
Cab heater connection 240 V, installing new
CareTrack, installing new
Engine heater, installing new
Extra front spill guard, installing new
Fuel filter extra, installing new
On board weighing, installing new 1
On board weighing, installing new
Radio, installing new
Rear view camera, installing new
Rear view mirror, installing new
Strobe light, installing new
Tailgate, overhung, linkage-operated, installing new
Tailgate, overhung, wire-operated, installing new
Tailgate, underhung, installing new
Voltage converter, installing new
Repair
Accumulator bank, installation
Accumulator bank, removal
Accumulator removed, checking charging pressure
Accumulator, checking
Accumulator, discarding
Accumulator, installation 1
Accumulator, installation 2
Accumulator, installation
Accumulator, precharge pressure, checking and adjusting 1
Accumulator, precharge pressure, checking and adjusting
Accumulator, removal 1
Accumulator, removal 2
Accumulator, removal
Accumulator, replacing 1
Accumulator, replacing
Accumulator, suspension system, discarding
Accumulator, suspension system, overhaul
Adjusting, general
A-frame bushing, front on load unit, changing
A-frame bushing, rear on load unit, changing
A-frame bushing, tractor unit, replacing
Air drier, drier cartridge, replace
Air in fuel system, checking
Air suspension operator's seat, adjusting
Alternator, replacing incl function check
Articulated joint, checking clearence
Automatic central lubrication, filter, cleaning replacing
Auxiliary steering, adjusting working- and stand-by pressure
Auxiliary steering, hydraulic pump, installation
Auxiliary steering, hydraulic pump, removing
Axle mounts, bolted joints, tourque, check
Batteries, replacing
Battery, charging state, electrolyte level, cables and connections, especially connections at starter motor, check
Belts and belt tension, check, replace when needed.
Brake cooling circulation, function check
Brake cooling oil tank, oil, change 1
Brake cooling oil tank, oil, change
Brake cooling oil, level, check
Brake disc, replacing
Brake pipes and hoses, check
Brake system, basic check
Brake system, bleeding
Brake system, checking function, hydraulic
Brake system, pressure oil filter, replace
Brake system, relieve pressure
Cab door, installing door catch
Cab door, removing door catch
Cab, air pre-cleaner filter, clean- change
Cab, asbestos filter, replacing
Cab, installing
Cab, main filter, replacing
Cab, prefilter, replace
Cab, removing
Camshaft and flywheel signals, checking with VCADS Pro and oscilloscope
Camshaft setting, checking
Camshaft, replacing
Carbon dioxide in fuel system, check
CareTrack antenna, replacing
Centre gear , removing and fitting
Centre gear, removing and fitting
Checking and adjusting the longitudinal differential lock
Checking for leaks with inspection light
Checking of main, torque converter and lubricating oil pressure
Compressor, replacing incl draining and filling
Compressor, replacing
Condenser, clean (with compressed air) (optional equipment)
Condition test and maintenance program
Coolant, changing
Coolant's freezing point, check
Cooling fan motor, intercooler, checking adjusting high rpm
Cooling fan motor, intercooler, checking adjusting low rpm
Cooling fan motor, radiator, checking adjusting high rpm
Cooling fan motor, radiator, checking adjusting low rpm
Cooling fan, return oil filter, replacing
Cooling system, flushing
Cooling unit, performance test
Crankshaft, replacing rear oil seal
Cross stay, rubber bushing, replacing 1
Cross stay, rubber bushing, replacing
Cylinder compression, PC test
Cylinder, rear flap, gas pressure, checking and adjusting
Damping cylinder, changing seal
Damping cylinder, checking spring force
Data links, fault tracing with Oscilloscope
Differential lock longitudinal, adjustment of sender unit
Dog clutch 6x6, checking and adjusting
Door lock, replacing
Door window, replacing
Door, replacing
Drive axles, oil, change
Drive axles, transmission, dropbox and frame joint, breather filter, replace
Dropbox, installing
Dropbox, oil, replace
Dropbox, removing
Dropbox, replacing seal for front otput shaft
Dropbox, replacing seal for rear output shaft
Dump body alternative, lowering 1
Dump body alternative, lowering
Dump body joint, changing tipping bearing
Dump body, adjusting against frame
Dump lever, changing
Dumping lever, checking pressure
E-ECU, MID 128, changing non-Programd ECU 1
E-ECU, MID 128, changing non-Programd ECU
Electric hood pump, changing
Electrical system, basic check
Engine and transmission, mounting
Engine and transmission, removing
Engine hood, installing
Engine hood, removing
Engine mounting rear, changing
Engine mounts dropbox mounts propeller shafts, bolted joints and flange mounts, check torques
Engine rotation speed sensor (camshaft), replacing
Engine rotation speed sensor, replacing
Engine, air cleaner, cover, clean
Engine, air cleaner, main filter, replace. EON (option) only replace when indicated.
Engine, air cleaner, secondary filter, replace. EON (option) only when indicated
Engine, air pre-cleaner, check clean
Engine, basic check
Engine, oil and filter, change.
Evaporator, replacing incl draining and filling
Fan belt and or alternator belt, checking and adjusting tension
Fan motor, replacing
Fan pump, installation
Fan pump, removing
Feed pressure, PC test
Feed pump, checking feed pressure
Foot brake valve, replacing
Forced Raisin lowering, Full suspension
Frame joint bearings, clearance, check
Frame joint oil, change
Frame joint oil, check
Frame joint, changing bearing, machine separated (on load unit frame)
Frame joint, measuring and adjusting clearence
Frame joint, separating machine
Front frame, rear section, cracks, checking
FS-cylinder, rubber bearings, check, after first 4000 hours, then after every 1000 hours.
Fuel filters, primary and secondary filter, replace
Fuel pump (valves), inspection
Fuel pump, inspection
Fuel system, bleeding
Fuel system, extra fuel pre-filter, change
Fuel system, extra fuel pre-filter, drainFuel system, extra fuel pre-filter, drain
Fuel tank, hydraulic oil tank, brake cooling oil tank, breather filter, replace
Fuel tank, sediment, drain. Shorter interval as needed.
Fuel, coolant and oil leakage, check
Headlights, adjusting
Heat control valve, replacing
Heat control, replacing
Heater core, replacing
Hoist cylinder bearing, changing 1
Hoist cylinder bearing, changing
Hoist cylinder removed, reconditioning
Hoist cylinder, installation
Hoist cylinder, removal
Hub reduction, installing
Hub reduction, removing
Hydraulic cooling fan control, PC test
Hydraulic cylinder bushing, suspension system, replacing 1
Hydraulic cylinder bushing, suspension system, replacing 2
Hydraulic cylinder bushing, suspension system, replacing
Hydraulic cylinder, suspension system, overhaul
Hydraulic oil tank, oil, replace if system is filled with mineral oil or Volvo Biodegradable hydraulic oil 46. If system is filled with other biologically degradable hydraulic oil, replace every 2000 hour.
Hydraulic oil tank, oil, replace if system is filled with mineral oil or Volvo
Hydraulic oil tank, return oil filter, replace, and magnetic rods, clean
Hydraulic pump (removed), changing shaft seal
Hydraulic pump, checking and adjusting max working pressure 1
Hydraulic pump, checking and adjusting max working pressure
Hydraulic pump, checking and adjusting standby pressure
Hydraulic pump, replacing
Hydraulic system, bleeding
Hydraulic system, relieve pressure
I-ECU, MID 140, changing non-Programd ECU
I-ECU, MID 140, changing pre-Programd ECU
Induction sensor for output shaft, changing
Induction sensor for turbine speed, changing
Injector shut off, manual
Injector sleeves, replacing
Input shaft seal, replacing
Input shaft, seal, replacing
Instructions for drilling in ROPS structure
Intercooler, replacing
Intermediate shaft and or bearing, replacing (in frame joint)
Load and Dump brake, servo pressure, checking
Load and dump brake, working pressure, checking and adjusting
Load body, exhaust heated, check clean grease
Load body, rubber cushions, clearance, check
Lubrication oil pressure, checking with pressure gauge
Lubrication, see lubrication chart
Maintenance service, daily
Maintenance service, every 50 hours
Maintenance service, every 250 hours
Maintenance service, every 500 hours
Maintenance service, every 1000 hours
Maintenance service, every 2000 hours
Maintenance service, every 4000 hours
Maintenance service, every 6000 hours
Manual lowering 1
Manual lowering
MATRIS, reading, export reading
Oil cooler, replacing
Oil level sensor, changing
Oil sump gasket, changing
Oil-bath air cleaner's reservoir (optional equipment), clean, and oil, change
Oil-bath air cleaner's reservoir (optional equipment), filter insert, clean
Oil-bath air cleaner's reservoir (optional equipment), oil, check
Operator's seat, installing
Operator's seat, removing
Output shaft 6-wheel drive, sealing and bearing, replacing
Overflow valve, checking
Parking brake , replacing brake caliper
Parking brake pads, check
Parking brake, basic check
Parking brake, function checking
Parking brake, replacing brake disc
Parking brake, replacing brake pads
Position sensor front, replacing
Position sensor rear, replacing
Position sensor, complete replacement
Power take-off suction strainer, cleaning
Power take-off, between engine and gearbox, reconditioning
Power transmission, basic check
Preheating coil, replacing
Pressure check connections, description
Protecting plate, installation
Protecting plate, removal
Pump regulator, checking
Pump, installation
Pump, removal
PWM-valve control system, changing
Quick coupling compressed air, replacing
Radiator, adjusting
Radiator, clean (from fan side with compressed air)
Radiator, installing
Radiator, removing
Receiver, replacing incl draining and filling
Refrigerant, filling incl vacuum pumping
Relief-Cut-in pressure, adjusting
Relief-Cut-in pressure, check
Rotation speed sensor, adjusting
Rotation speed sensor, replacing
Rubber cushion, replacing
Seal for rear output shaft, replacing
Secondary coolant pump, replacing
Service brake, brake disc wear, check
Service journal (included in Operator's manual), fill in
Shift valve, checking
Spring brake cylinder, replacing
Stall speed, checking
Starter motor, replacing
Steering and dumping valve, removed, reconditioning 1
Steering and dumping valve, removed, reconditioning
Steering and hydraulics, basic check
Steering and tipping valve, installation
Steering and tipping valve, removal
Steering cylinder bearings, clearance, check
Steering cylinder removed, reconditioning excl replacing bearings
Steering cylinder, installing
Steering cylinder, removing
Steering cylinder, replacing bearings 1
Steering cylinder, replacing bearings
Steering gear, check.and adj.
Steering gear, replacing
Steering joint bearings, first check of steering joint bearings after 6000 hours. Thereafter every 2000 hours.
Steering linkage, checking and adjusting 1
Steering linkage, checking and adjusting
Steering times, checking and adjusting
Steering valve, neutral position, checking and adjusting
Suspension cylinder, installation 1
Suspension cylinder, installation 2
Suspension cylinder, installation
Suspension cylinder, removal 1
Suspension cylinder, removal 2
Suspension cylinder, removal
Suspension system, bleeding air
T-ECU, MID 130, changing non-Programd ECU
T-ECU, MID 130, changing pre-Programd ECU
Test-run and check
Thermostat, replacing 1
Thermostat, replacing
Timing gear case, fitting new gasket in machine
Transmission, fitting on a non mounted engine
Transmission, installing
Transmission, oil, main oil filter and lubrication oil filter, replace.
Transmission, remove from a non mounted engine
Transmission, removing
Transverse differential lock axle, checking and adjusting
Troubleshooting tips hydraulics
Troubleshooting tips
Troubleshooting, air conditioning unit (AC)
Turbocharger, inspection
Turbocharger, replacing
Tyres, wear and air pressure, checking
Unit injector, replacing
Unit injectors, adjusting pretension
V2-ECU, MID 249, replacing non-Programd ECU
V2-ECU, MID 249, replacing pre-Programd ECU
Vacuum pump, connection
Vacuum pump, disconnection
Valves, adjusting
VCADS Pro, logged errors, read off
V-ECU, MID 187, changing non-Programd ECU
V-ECU, MID 187, changing pre-Programd ECU
Warranty inspection 100 hours
Warranty inspection 1000 hours
Wear indicator, adjusting
Wheel brake, replacing
Wheel, installing
Wheel, removing
Windscreen wiper front, replacing motor
Working pumps, checking function
Service Bulletins
Altered wind shield washer tank installation, improved self bleeding
Alternative lubricants for axles with wet brakes
Automatic transmission lubricants 1
Automatic transmission lubricants
Battery and alternator test procedure
Check method on engine oil consumption
Connection rod self leveling system
Diesel fuels - quality and function
Face seal leakage, ARB-H35, H40
Final drive, ARB-H axles
Frame cracks in steering joint-front frame
Fuel sampling, method
Ghost codes for E-series Articulated Haulers
Grease-lubricated hitch
Guide pins D12D
Hydraulic connector leakage
IL1-IL2 Drop box air leakage on piston, cylinder and sleeve for longitudinal diff
Improved Operator's seat
Information on Bio-diesel fuel (RME-fuel)
KAB Seat, heater range
Locking set screw installation on the double rocker arm
New accelerator and retarder pedal with gold plated terminals
New air horn
New camera cable protection
New Caretrack WECU2
New clamping on coolant pipe
New cross stay, trailer unit
New deflector on companion flange
New engine software V2010.3.0
New front frame and vertical frame link
New fuel filter housing
New full suspension sensor
New gas spring
New haulers, A35E FS and A40E FS
New hoist cylinder
New Intercooler Hoses
New level sensor for full suspension
New main fuel filter, D9, D12 and D16
New needle bearings in planet stage 1
New oil sump and level temp sensor for D12D engine
New O-ring for ARB-H axles
New parking brake valve
New pressure sensors
New pressure switch for AC system
New rear camera system
New rear LED flasher
New rear view monitor
New software update 2011.3.0 for CareTrack
New software V2010.2.2
New software version V2008.4.0
New software version V2009.4.0
New starter switch
New system design to meet revised ISO 15998
New TechTool VCADS Pro interface
New transmission PT2519, Part No. 22418
New wiper motor
Oil analyses
Oil jet nozzle eliminated from the D12D and D9B exhaust double rocker arm
Oil leakage from the engine cable harness grommet
Oil sampling, method
Premature wear on diff lock control piston seal
PT2509, 1563, 1863, reinforced planet kit, stage 1
PT2509, PT1563 and PT1863 new design of spring pins in planet kit stage 2 and 3
PTO, gear shaft assembly update
PTO, o-rings update
Quality of illustrations in technical reports
Recommendations for Oil Sampling Intervals
Repair instruction, rear section front frame
Reporting of product misuse & near-miss report
Restrictor Washer in FS Distribution block
Rubber bearing A-frame
Rubber bearings, cross stay
Service kit Overhung Tailgate
Software and transmission sheets
Transmission PN 22401, incorrect machining for output shaft speed sensor SE4307 and H-L-range sensor SE4215
Transmission software update E-series
Transmission, functional check
Transmission, inspection form
Transmission, new main oil pressure sensor SE4219
Tyres, various types
Valve spring update, D9, D12 and D16
Volvo Product incidentaccident report & Interview Form
Special tool catalog
General
Index
Hooks
1. Enviroment and Safety equipment
2. Measuring equipment
3. Tightening and Loosening tools
4. Lifting equipment
5. Pullers and Pressing equipment
6. Drifts
7. Guide pins and Guide sleeves
8. Pliers
9. Fixtures
10. Tech Tool
11. Spare parts
Specifications
AC system, specifications
Accumulator, specification 1
Accumulator, specification
Air cleaner, preheating coil, specifications
Alternator, specifications
Alternator, tightening torques
Axle suspension, tightening torque
Axles, specifications
Axles, tightening torques
Battery, specifications
Brake cooling system, specification
Brake system, specifications
Brakes, specifications
Cabin, specification
Capacities
Cold-start device, specifications
Compressed-air system, specifications
Cooling system specifications
Cooling system, tightening torques
Damping cylinder, specification
Dropbox, capacities
Dropbox, specifications
Dump lever, specifications
Electrical system, specifications
Engine transmission, specification
Engine, capacities
Engine, general specifications
Flywheel, tightening torques
Frame joint, tightening torques
Front axle rear axle, capacities
Fuel feed pump, specifications
Fuel tank, volume
Hitch, specifications
Hoist cylinder, specification
Hydraulic pressure, specifications
Hydraulic pump brake cooling, specification
Hydraulic pumps, specifications
Hydraulic system, capacities
Hydraulic transmission, capacity
Hydraulic transmission, specifications
Lighting, specifications
Lubricants, specifications
Lubrication system, specifications
Machine dimensions
MS.Internal.Documents
Oil cooler, tightening torques
Oil sump, tightening torque
Parking brake, specifications
Power take-off, tightening torque
Product identification plates
Propeller shaft, tightening torque
Protective plate, weight
Rocker arm shaft, tightening torques 1
Rocker arm shaft, tightening torques
Standard tightening torques
Starter motor, specification
Starter motor, tightening torques
Steering and dumping valve, specifications
Steering and dumping valve, tightening torques
Steering cylinder, specifications
Steering gear, specifications
Steering linkage, tightening torque
Steering system, specifications
Suspension cylinder specifications
Thermostat, specifications
Tightening torque, cylinder head
Tightening torque, fuel system
Tightening torque
Tightening torques, engine mounts
Tightening torques, valve cover
Tipping system, specification
Transmission oil pressure, specifications
Transmission, tightening torques
Turbocharger, specifications
Tyre equipment and recommended tyre pressures
Unit injectors, specifications
Valve mechanism, double rocker arm
Valve system, specification
Weights
Wheel, tightening torque
Windscreen wiper motor, tightening torques
Time Guide Current generation


