Volvo A40 A40BM Service Repair Manual
Data Size: 16.64 MB
File Type: PDF
Language: English
Manufacturer: Volvo
Applicable Machine: Dump Truck
Document: Service Repair Manual, Electrical Wiring Diagram, Hydraulic Diagram
Machine Model: Volvo A40 A40BM Dump Truck
Page: 1108 Pages
List Contents:
6 Oil pressure sensor, new position
8 Cracks in cylinder head
AC, evaporator and condensor modification 1
AC, evaporator and condensor modification
Action for reducing risk of fire
Action to be taken in case of abnormal lubricating oil consumption 1
Action to be taken in case of abnormal lubricating oil consumption
Adjusting contrast on Contronic display panel 1
Adjusting contrast on Contronic display panel
Air cleaner 1
Air cleaner
Air compressor, description
Air distribution, tropical kit 1
Air distribution, tropical kit
Air-freeze reservoir
Alternative lubricants for axles with wet brakes
Alternator, changing
A-stay, new rubber bushing 1
A-stay, new rubber bushing
Automatic adjustment lever
Automatic timing adjuster, checking
Automatic transmission lubricants 1
Automatic transmission lubricants
Axle housing, seal 1
Axle housing, seal
Axles, striker plate (lock plate) 1
Axles, striker plate (lock plate)
Batteries, service life 1
Batteries, service life
Bearing, output shaft, 1st bogie 1
Bearing, output shaft, 1st bogie
Bogie beam, changing rubber bushing (one side)
Bogie beam, changing rubber spring (one side)
Brake cooling oil, altered interval between changes 1
Brake cooling oil, altered interval between changes
Brake cooling oil, oil sample 1
Brake cooling oil, oil sample
Brake discs, changing 1
Brake discs, changing
Brake discs, checking 1
Brake discs, checking
Brake oil filter, changing
Cab suspension 1
Cab suspension
Camshaft, replacing
CareTrack, new software update 2008.3.0, including new Conversion kit part numbers for E series haulers and F series loaders 1
CareTrack, new software update 2008.3.0, including new Conversion kit part numbers for E series haulers and F series loaders
Changes to tipping valve 1
Changes to tipping valve
Changing 1
Changing or repairing hydraulic pumps 1
Changing or repairing hydraulic pumps
Charge air pressure, diesel engines 1
Charge air pressure, diesel engines
Charging of batteries
Checking and adjusting transverse differential lock axle
Checking steering gear 1
Checking steering gear
Circuit 2
Circuit 2-1
Circuit 3
Circuit 3-1
Circuit 4
Circuit 4-1
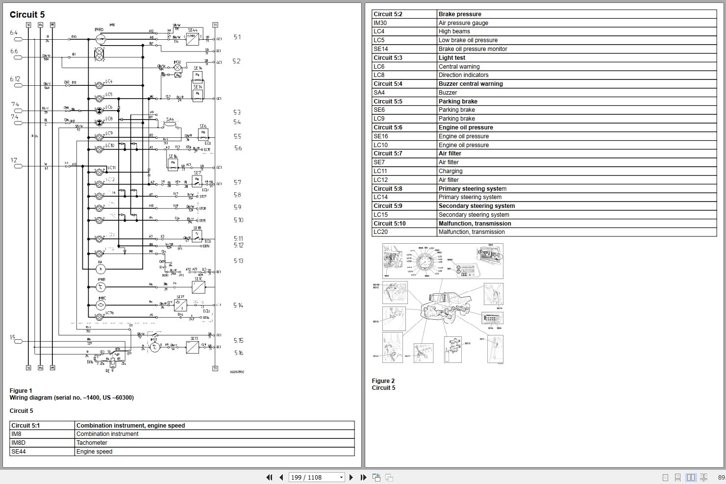
Circuit 5-1
Circuit 5-2
Circuit 5-3
Circuit 5-4
Circuit 6 (cont'd.)
Circuit 6 (cont'd.)1
Circuit 6
Circuit 6-1
Circuit 7
Circuit 7-1
Circuit 8-1
Circuit 8-2
Circuit 9
Circuit 9-1
Circuit 10
Circuit 10-1
Circuit 11
Circuit 11-1
Circuit 12
Claim routines
Cleaning of the machine
Cleanliness, brake and hydraulic systems
Climate control system, checking routing of hoses 1
Climate control system, checking routing of hoses
Compression check, engine at operating temperature
Compressor, changing
Compressor, changing1
Control and warning system sensors, engine speed sensor SE3, functional test 1
Control and warning system sensors, engine speed sensor SE3, functional test
Coolant pump, removed, reconditioning
Coolant, changing
Cooling system, functional diagram
Cooling system, new hoses 1
Cooling system, new hoses
Cooling system, safety valve radiador cap 1
Cooling system, safety valve radiador cap
Correction 1
Correction
Cracks in cylinder head
Crimping Tool Set, part no. 9993880
Damping cylinder, changing seals
Damping cylinder, changing seals1
Damping cylinder, changing seals2
Damping cylinder, replacing seals and checking preload 1
Damping cylinder, replacing seals and checking preload.
Diesel fuels - quality and function 1
Diesel fuels - quality and function
Diesel test standards 1
Diesel test standards 2
Diesel test standards 3
Diesel test standards
Dimensions
Dipstick, transmission 1
Dipstick, transmission
Dog-clutch 6x6, checking and adjusting
Draining plate with draining bellows for AC 1
Draining plate with draining bellows for AC
Drawings of E-tools that can be made in your own workshop
Dropbox, changing seal 1
Dropbox, changing seal 2
Dropbox, changing seal
Dropbox, mounting
Dropbox, new differential
Dropbox, new sensors
Dropbox, removing
Dropbox, tubular shaft adjustment
Dumping valve, removing and mounting
ECU battery 1
ECU battery
ECU, adjusted error codes (Er codes) 1
ECU, adjusted error codes (Er codes)
ECU, current part numbers 1
ECU, current part numbers
ECU, error codes 1
ECU, error codes
ECU, Time Guide 1
ECU, Time Guide
Electric welding 1
Electric welding
Engine and transmission, mounting
Engine and transmission, removing
Engine hood, damping kit 1
Engine hood, damping kit
Engine reconditioning 1
Engine reconditioning
Engine, mounting
Engine, removing
Extended oil change interval
Fan motor, changing 1
Fan motor, changing piston rings
Fan motor, changing, mounting
Fan motor, changing, removing
Fan motor, checking operating pressure
Fan, non-return valve 1
Fan, non-return valve
Filter change, intervals
Filter changes, intervals
Frame joint, changing brass bushing (metallic bearing)
Frame joint, changing metallic bearing
Frame joint, checking and adjusting clearance
Frame joint, separating and assembling
Frame joint, updating 1
Frame joint, updating
Fuel feed pump, checking feed pressure
Fuel lines, replacing 1
Fuel lines, replacing
Fuel system, bleeding air
Fuel system, reinforced fuel filler pipe 1
Fuel system, reinforced fuel filler pipe
Fuel tank, filler cap 1
Fuel tank, filler cap
Grease with molybdenum disulphide additive (MoS2) 1
Grease with molybdenum disulphide additive (MoS2)
Headlight adjustment
Headlights, alignment
Headlights, changing bulb
Headlights, changing light bulb
Heat control valve, changing
Heater, changing
Heater, improved cab heating 1
Heater, improved cab heating
Hub, changing seals (one side)
Hydraulic oil, oil sample 1
Hydraulic oil, oil sample
Hydraulic oil, test sampling
Hydraulic pumps for steering and dumping system, checking internal leakage
Idle speed, checking and adjusting with
Information on Bio-diesel fuel (RME-fuel)
Information on classification of oils 1
Information on classification of oils
Injection pump and smoke limiter, replacement of pipe 1
Injection pump and smoke limiter, replacement of pipe
Injection timing BTDC, checking and adjusting
Injectors, changing all
Intercooler, improved gasket 1
Intercooler, improved gasket
Intermediate shaft bearing, safeguarding lubrication 1
Intermediate shaft bearing, safeguarding lubrication
Lap belts 1
Lap belts
Lifting machine
Lifting tool, transmission
Load and tipping brake, replacement of solenoid valve and filter 1
Load and tipping brake, replacement of solenoid valve and filter
Load body, adjusting against frame
Load body, changing dump bearing
Load body, changing dump bearing1
Load body, secondary lowering
Longitudinal differential lock, adjusting engagement
Lubricating system
Lubrication hole in the retarder rotor 1
Lubrication hole in the retarder rotor
MATRIS, Electronic Control Unit
MS.Internal.Documents.pdf
New camshaft in engine TD102, TD122 1
New camshaft in engine TD102, TD122
New coolant 1
New coolant
New electronic speedometer 1
New electronic speedometer
New expansion tank 1
New expansion tank
New roller bearings, steering linkage 1
New roller bearings, steering linkage
New starter switch
New stop shaft on Bosch injection pump with RQV - governor 1
New stop shaft on Bosch injection pump with RQV - governor
New valve block 1
New valve block
New Volvo standard for transmission oil
New warranty routines for Bosch diesel equipment
Oil analyses
Oil and fluid change, intervals
Oil and fluid changes, intervals
Oil pressure sensor, new position
Oil pump, checking and adjusting hold pressure, pumps 1, 2 and 4
Oil sampling, method
Oils for brake oil cooling in the Volvo BM AHW axles and for dropbox FL802 1
Oils for brake oil cooling in the Volvo BM AHW axles and for dropbox FL802
Overhung tail cover 1
Overhung tail cover
Parking brake caliper, removed, reconditioning
Parking brake, changing brake caliper
Parking brake, changing brake pads
Planetary gear with brake parts
Pressure regulator, adjusting
Pressure regulator
Pressure retaining valve
Pressure retaining valve1
Pressure tables, transmissions 1
Pressure tables, transmissions
Propeller shaft between transmission and
Propeller shaft for front bogie axle, changing
Propeller shaft for rear bogie axle, changing
Propeller shaft in frame joint, changing
Propeller shaft, front output shaft
Propeller shaft, lubrication 1
Propeller shaft, lubrication
Quality of illustrations in technical reports
Radiator, adjusting
Radiator, changing
Radio installation
Radio, changed wiring diagrams
Rear axle 1, rubber blocks for bolts, dropbox 6×6 1
Rear axle 1, rubber blocks for bolts, dropbox 6×6
Rear light 1
Rear light 2
Rear light 3
Rear light 4
Rear light 5
Rear light
Rear light4
Recommended lubricants
Recycling station 9812443
Refrigerant for air conditioning
Removing and mounting
Repair kit, part no. 11666145, for service display
Replacing damping cylinder 1
Replacing damping cylinder
Reporting of accidents and incidents
Reporting of product misuse & near-miss report
Routine for return of technical goods
Safety valve, wet tank
Sensors for high and low range, adjusting
Sensors, control and warning systems, central warning for engine temperature and coolant level 1
Sensors, control and warning systems, central warning for engine temperature and coolant level
Sensors, monitoring warning systems, new pressure monitor SE29 and SE30 1
Sensors, monitoring warning systems, new pressure monitor SE29 and SE30
Silencer, reinforcement 1
Silencer, reinforcement
Special instructions for servicing the electrical system
Special tools for the drivetrain
Speedometer, new design 1
Speedometer, new design
Spring brake cylinder, changing
Spring brake cylinder, removed, reconditioning
Spring brake cylinder
Stall speed, checking with service display unit
Starter motor, changing
Steering column attachment, reinforcement 1
Steering column attachment, reinforcement
Steering cylinder, changing (right side)
Steering cylinder, changing seals (cylinder in machine)
Steering cylinder, changing seals (cylinder in machine)11
Steering gear, checking and adjusting
Steering joint, adjusting clearance
Steering joint, changing spherical bearings
Steering linkage, checking and adjusting
Steering valve, removed, reconditioning
Steering valve, removing and mounting
Steering, rack and pinion gear, changing
Throttle control cable 1
Throttle control cable
Thrust washer and wear ring, axles 1
Thrust washer and wear ring, axles
Time Guide 1
Time Guide
Timing gear case, fitting new gasket in machine
Tool, multi-pin breaker box
Tools A40, amendment
Tools, tools for removing cable terminals
Torsion bar rubber bushing (rubber bearing), front, changing
Torsion bar, checking and adjusting
Transfer gearbox, new valve plate
Transmission PT1663, reinforced bolted joint, converter housing – transmission housing 1
Transmission PT1663, reinforced bolted joint, converter housing – transmission housing
Transmission, hydraulic diagram
Transmission, inspection form 1
Transmission, inspection form
Transmission, new pistons and thrust springs on K1 and K2 1
Transmission, new pistons and thrust springs on K1 and K2
Transmission, oil draining 1
Transmission, oil draining
Transmission, retarder valve 1
Transmission, retarder valve
Transmission, tin-plated connector pins 1
Transmission, tin-plated connector pins
Transmissions, reconditioned 1
Transmissions, reconditioned
Transverse differential lock,
Trouble-shooting, error codes ER419 and ER421 1
Trouble-shooting, error codes ER419 and ER421
Type and Product Number
Type plates
Tyres, various types 1
Tyres, various types
Upper tipping cylinder bearings, lubrication 1
Upper tipping cylinder bearings, lubrication
Valve adjustment 1
Valve adjustment
Valves, adjusting
Volvo standard tightening torques
Weights
Wheel brake, changing 1
Wheel brake, changing
Wiring diagram serial no. –1400. US –60300, Circuit 1
Wiring diagram serial no. 1401–, US 60301–, Circuit 1


