Volvo B12 Bus Service Repair Manual
Size: 346.57 MB
Format: PDF
Language: English
Machine: Bus
Machine Model: B12
Document: Service Repair Manual, Electrical Wiring Diagram, Hydraulic Diagram
Pages: 4362 Pages
The Bookmarks of Volvo B12 Bus Service Repair Manual:
8th gear warning lamp, new install
17005-2 Pre-Delivery Inspection for Brazilian market
17006-2 Pre-Delivery Inspection for Brazilian exported vehicles
17102-2 Delivery service
17210-2 Warranty service 1
17210-2 Warranty service 2
17232-2 Warranty service engine, new or exchange, after 4 weeks or maximum 10 000 km
17241-2 Warranty service gearbox, new or exchange after 4 weeks or maximum 10 000 km
17247-2 Warranty service rear or front final drive, after 4 weeks or maximum 10 000 km
17523-3 Gearbox oil and filter, change
17527-3 Final drive oil, change
17528-3 Retarder, oil change 1
17528-3 Retarder, oil change 2
17581-3 Retarder oil level, check 1
17581-3 Retarder oil level, check 2
17702-2 Batteries, charging
17725-3 Driver's service, optional
17744-2 Basic service 1
17746-2 Annual service
21002-2 Cylinder compression test 1
21002-2 Cylinder compression test 2
21036-3 Replacement engine, adaptation
21037-3 Replacement engine, adaptation (front PTO)
21038-5 Engine, install and remove from overhaul stand
21070-1 Engine, remove 1
21070-1 Engine, remove 2
21072-1 Engine, install 1
21072-1 Engine, install 2
21074-1 Engine assembly, remove
21076-1 Engine assembly, install
21104-2 Coolant seal cylinder head, replace
21105-5 Valve seat, replace (one)
21122-1 Cylinder head, remove
21122-1 Cylinder head, remove 1
21122-1 Cylinder head, remove 2
21124-1 Cylinder head, install
21127-5 Coolant plug, cylinder head, replace (front)
21131-5 Coolant plug, cylinder head, replace (side or rear)
21170-1 Cylinder head, remove (first)
21171-4 Cylinder head, pressure test (first)
21172-1 Cylinder head, install (first)
21173-5 Cylinder head sealing grooves, cut (each)
21208-3 Oil plug, replace (upper side engine block)
21233-3 Flywheel housing, replace
21235-3 Flywheel housing run-out, check
21261-5 Cylinder block, face grind
21307-3 Cylinder liner seat, milling (first) 1
21307-3 Cylinder liner seat, milling (first) 2
21357-3 Piston and liner, replace (one)
21373-5 Piston or gudgeon pin, replace
21375-4 Cylinder liner and piston, wear check 1
21375-4 Cylinder liner and piston, wear check 2
21377-3 Cylinder liner seat, milling
21405-5 Valves, remove and install (one cylinder) 1
21405-5 Valves, remove and install (one cylinder) 2
21412-2 Valves, adjust
21414-3 Valves and unit injectors, adjust
21415-5 Valve guides, replace (one cylinder head)
21417-5 Valve guide wear, check 1
21417-5 Valve guide wear, check 2
21448-4 Rocker arm, overhaul
21451-4 Rocker arm bushings, check
21491-4 Valves grind and decarb (first cylinder head)
21493-4 Rocker arm mechanism, overhaul
21504-3 Camshaft timing, check and adjust 1
21504-3 Camshaft timing, check and adjust 2
21507-3 Sealant, timing gear plate, replace
21511-3 Timing gear plate, adjust
21520-2 Sealing ring timing cover, replace
21521-3 Camshaft, replace
21522-2 Camshaft, replace
21524-3 Camshaft bearing brackets, replace
21531-3 Timing gears, replace (all)
21531-3 Timing gears, replace (all) 1
21531-3 Timing gears, replace (all) 2
21531-3 Timing gears, replace (all) 3
21538-4 Drive mechanism, fan, alternator and AC, overhaul
21607-3 Flywheel bearing, replace 1
21607-3 Flywheel bearing, replace 2
21607-3 Flywheel bearing, replace 3
21617-3 Polygon hub, replace
21631-3 Flywheel, check
21632-2 Flywheel sensor distance, check
21635-5 Connecting rod bushing, replace (each)
21667-3 Crankshaft seal, replace (rear)
21668-3 Crankshaft seal, replace (front) 1
21668-3 Crankshaft seal, replace (front) 2
21706-1 Oil sump, remove
21708-1 Oil sump, install
22111-3 Oil pump, remove-install 1
22111-3 Oil pump, remove-install 2
22121-2 Oil pressure, check
22171-4 Oil pump, overhaul
22207-3 Oil filter, engine, replace
22210-2 Oil filter, replace 1
22210-2 Oil filter, replace 2
22320-2 Oil cooler, replace
22325-5 Oil cooler, pressure test 1
22325-5 Oil cooler, pressure test 2
22327-3 Oil cooler insert, replace
22337-2 Piston cooling valve, replace
22341-2 Reduction valve, replace
22342-2 Safety valve oil pressure, replace
22343-2 Overflow valve oil filter, full flow, replace
22344-2 Overflow valve oil filter, by-pass, replace
23003-3 Fuel system, bleeding 1
23003-3 Fuel system, bleeding 2
23302-2 Feed pump, replace 1
23302-2 Feed pump, replace 2
23304-2 Fuel filters, replace (two)
23306-3 Fuel filter, replace (one)
23307-3 Hand pump, feed pump, replace
23308-2 Hand pump, overhaul
23311-3 Filter, water separator, replace
23312-2 Filter, water separator, replace
23325-2 Fuel primer pump, electrical, replace
23326-2 Feed pump valves, replace 1
23326-2 Feed pump valves, replace 2
23378-2 Fuel feed pressure, check
23397-4 Fuel feed pump, overhaul 1
23397-4 Fuel feed pump, overhaul 2
23607-3 Overflow valve, replace
23670-1 Injection pump, remove
23671-4 Injection pump, adjust
23672-1 Injection pump, install
23701-5 Copper sleeve injector, replace (one)
23702-2 Injectors, replace (all)
23724-2 Delivery pipes, replace (all)
23734-2 Unit injector, replace (one)
23771-4 Injectors, overhaul and test (each)
23775-4 Injectors opening pressure, adjust (each)
25102-2 Gaskets, intake manifold, replace 1
25102-2 Gaskets, intake manifold, replace 2
25104-2 Gaskets, exhaust manifold, replace 1
25104-2 Gaskets, exhaust manifold, replace 2
25142-1 Clamps and sealant rings exhaust manifold, install
25228-2 Flexible exhaust pipe, replace
25317-2 Exhaust pressure governor shutter stroke length, check
25318-4 Exhaust pressure governor, overhaul
25318-4 Exhaust pressure governor, overhaul 1
25318-4 Exhaust pressure governor, overhaul 2
25318-4 Exhaust pressure governor, overhaul 3
25330-6 Air feed, exhaust pressure governor and solenoid valve, check
25514-2 Turbo boost gauge, remove-install
25518-2 Turbocharger, replace 1
25518-2 Turbocharger, replace 2
25570-1 Turbocharger, remove
25605-3 Pressure drop indicator, check
25624-2 Filter insert, air cleaner, replace
26006-2 Cooling system, pressure test 1
26006-2 Cooling system, pressure test 2
26007-3 Cooling system, clean 1
26007-3 Cooling system, clean 2
26108-2 Radiator, replace
26170-1 Radiator, remove
26172-1 Radiator, install
26202-2 Coolant pump, replace
26213-3 Coolant pump, replace
26214-2 Piston thermostat, replace 1
26214-2 Piston thermostat, replace 2
26271-4 Coolant pump, overhaul
26273-4 Thermostats, test 1
26273-4 Thermostats, test 2
26306-2 Thermostat fan, replace
26310-2 Fan belt tensioner, overhaul
26324-2 Bearing, fan pulley, replace
26330-2 Support bearing housing, front, overhaul
26335-4 Support bearing housing, overhaul
26504-2 Charge air cooler, leakage test 1
26504-2 Charge air cooler, leakage test 2
27120-2 Throttle cable, replace
28421-2 Control unit, replace
31102-2 Batteries, replace (all) 1
31102-2 Batteries, replace (all) 2
31122-2 Battery, state of charge, check (Measure specific gravity)
32002-2 Charging test, in vehicle
32002-2 Charging test, in vehicle 1
32002-2 Charging test, in vehicle 2
32002-2 Charging test, in vehicle 3
32126-3 Carbon brushes, replace
32127-5 Slip rings, replace
32167-4 Alternator check, clean and test-run on bench
32167-4 Alternator check, clean and test-run on bench 1
32167-4 Alternator check, clean and test-run on bench 2
32172-1 Alternator, install
32204-3 Charging regulator, replace
33160-4 Starter motor, disassemble, inspect and assemble
33160-4 Starter motor, disassemble, inspect and assemble 1
33160-4 Starter motor, disassemble, inspect and assemble 2
33170-1 Starter motor, remove
38138-2 Gauge housing, combined instrument, replace
38140-2 Gauge card, left module, combined instrument, replace
38141-2 Gauge card, right module, combined instrument, replace
38142-2 Control unit, display, combined instrument, replace
38143-2 Display, combined instrument, replace
38305-6 K-factor, check
38306-2 Tachograph, replace
38308-2 Speedometer, replace
38314-3 Tachograph, calibration (electronic) 1
38314-3 Tachograph, calibration (electronic) 2
38395-2 Legal tachograph, check
38516-2 Air pressure gauge, replace
41103-3 Clutch disc, replace 1
41103-3 Clutch disc, replace 2
41104-3 Clutch, wear check
41175-5 Pressure plate, overhaul
41175-5 Pressure plate, overhaul 1
41175-5 Pressure plate, overhaul 2
41202-2 Clutch pedal, adjust
41204-3 Bearing clutch fork, replace
41283-5 Release bearing, pulling clutch replace
41316-2 Clutch servo, adjust
41322-2 Master cylinder for clutch complete, overhaul
41342-2 Clutch system, bleed
41375-4 Clutch servo, overhaul
41375-4 Clutch servo, overhaul 1
41375-4 Clutch servo, overhaul 2
41375-4 Clutch servo, overhaul 3
43001-4 Damper cylinder, overhaul
43001-4 Damper cylinder, overhaul 1
43001-4 Damper cylinder, overhaul 2
43003-2 Gear shift mechanism, adjust
43004-2 Universal joint, replace
43005-2 Support bearing and retainer, replace
43130-2 Output shaft sealing ring, replace 1
43130-2 Output shaft sealing ring, replace 2
43131-4 Sealing ring input shaft, replace
43135-3 Oil filter gearbox, replace 1
43135-3 Oil filter gearbox, replace 2
43137-3 Oil pressure, check 1
43137-3 Oil pressure, check 2
43137-3 Oil pressure, check
43141-5 Oil pump, overhaul
43167-5 Gearbox, assemble
43170-1 Gearbox, remove
43170-1 Gearbox, remove 1
43170-1 Gearbox, remove 2
43170-1 Gearbox, remove 3
43172-1 Gearbox, install
43172-1 Gearbox, install 1
43172-1 Gearbox, install 2
43172-1 Gearbox, install 3
43173-5 Main shaft, overhaul
43175-5 Range gear, overhaul
43175-5 Range gear, overhaul 1
43175-5 Range gear, overhaul 2
43181-5 Intermediate shaft, overhaul
43187-4 Gearbox, disassemble-inspect-assemble
43195-5 Reverse shaft, overhaul
43197-5 Input shaft, overhaul
43233-2 Solenoid valve for valve body, control housing, replace 1
43233-2 Solenoid valve for valve body, control housing, replace 2
43266-2 Range cylinder, overhaul
43273-4 Control cylinder for high and low gear ranges, overhaul 1
43273-4 Control cylinder for high and low gear ranges, overhaul 2
43278-4 Control housing, overhaul
43278-4 Control housing, overhaul 1
43278-4 Control housing, overhaul 2
43721-4 Gearbox, disassemble
43723-4 Output shaft seal, replace
43724-4 Gearbox, assemble
46514-2 Pinion sealing ring, replace
46570-1 Differential carrier, remove 1
46570-1 Differential carrier, remove 2
46571-4 Differential carrier, overhaul
46572-1 Differential carrier, install 1
46572-1 Differential carrier, install 2
46803-3 Diaphragm sleeve, adjust
51005-3 Cleaning supplement, brake dust wash (two axles)
51010-3 Brake shoes, alignment with dial indicator (one wheel) 1
51010-3 Brake shoes, alignment with dial indicator (one wheel) 2
51017-3 Brake shoes, replace (one wheel) 1
51017-3 Brake shoes, replace (one wheel) 2
51020-4 Brake linings, replace (one pair shoes) 1
51020-4 Brake linings, replace (one pair shoes) 2
51051-5 Roller, brake shoe, overhaul (one)
51071-1 Brake linings, wear check (one axle)
51074-1 Brake linings, wear check (three axles)
51085-4 Brake cylinder, overhaul (single diaphragm)
51107-3 Adjustment mechanism, brake caliper, overhaul
51120-2 Brake cylinder, replace (front)
51134-2 Brake drum, replace (one front wheel) 1
51134-2 Brake drum, replace (one front wheel) 2
51154-2 Brake drum, measuring ovality
51187-5 Brake drum front wheel, remove-install (one)
51234-2 Brake drum, replace (one drive wheel)
51282-1 Spring brake cylinder, driving wheel, remove
51284-1 Spring brake cylinder, driving wheel, install
51310-2 Brake cylinder diaphragm trailing axle, replace (single diaphragm)
51318-2 Spring brake cylinder, trailing axle, replace
51414-2 Stroke, slack adjuster, check (two front and two drive wheels) 1
51414-2 Stroke, slack adjuster, check (two front and two drive wheels) 2
51426-2 Brake cam bushing and seals, replace (one front- or trailing wheel)
51428-2 Brake cam bushing and seals, replace (driven wheels)
51480-4 Slack adjuster, overhaul
51490-1 Slack adjuster, remove (driving wheels)
51492-1 Slack adjuster, install (driving wheels)
56010-3 Checklist B, modulators
56020-2 Cooling coil, replace
56107-2 Air compressor, replace
56111-2 Compressor, replace 1
56111-2 Compressor, replace 2
56112-2 Pressure governor, adjust
56113-3 Pressure regulator, adjust
56116-2 Air drier, replace 1
56116-2 Air drier, replace 2
56117-4 Air drier, overhaul
56126-2 Air drier, drier insert, replace
56136-2 Air drier non return valve, replace
56153-5 Compressor, check and wear measurement
56158-2 Non-return valve, check
56171-4 Compressor, overhaul
56171-4 Compressor, overhaul 1
56171-4 Compressor, overhaul 2
56171-4 Compressor, overhaul 3
56183-2 Air drier, valve unit replace 1
56183-2 Air drier, valve unit replace 2
56195-2 Air supply system, check
56197-2 Oil- and water separator, overhaul
56315-2 Pressure limiter valve, overhaul
56316-2 Relay valve, overhaul
56317-2 Footbrake valve, replace
56333-2 Quick release valve, replace (front)
56338-2 Pressure limiter valve, replace
56344-2 Four-circuit protection valve, replace
56346-2 Four-circuit protection valve, overhaul
56357-2 Quick release valve (front), overhaul
56366-4 Relay valve, overhaul
56373-4 Footbrake valve, overhaul 1
56373-4 Footbrake valve, overhaul 2
59104-4 Bearings and sealings electro-magnetic brake, replace
59106-4 Coil electro-magnetic brake, replace (one) 1
59106-4 Coil electro-magnetic brake, replace (one) 2
59170-1 Electro-magnetic brake, remove
59172-1 Electro-magnetic brake, install
59204-2 Retarder control air pressure, check
59205-3 Solenoid, overhaul
59207-3 Control valve, overhaul
59208-4 Retarder, overhaul
59211-5 Retarder, remove
59211-5 Retarder, remove 1
59211-5 Retarder, remove 2
59211-5 Retarder, remove 3
59213-5 Retarder, install
59213-5 Retarder, install 1
59213-5 Retarder, install 2
59213-5 Retarder, install 3
59215-5 Retarder heat exchanger, pressure test
59225-3 Retarder safety-valve,check, adjusting valve and control air pressure
59227-3 Retarder sinter-filter, clean
59272-1 Retarder, install
59274-1 Retarder heat exchanger, remove
59276-1 Retarder heat exchanger, install
60110-2 Wheel angles, check-measure (all) 1
60110-2 Wheel angles, check-measure (all) 2
60116-3 Caster, adjust
60124-2 Toe-in, check
61103-3 Steering knuckle, overhaul (one)
61103-3 Steering knuckle, overhaul (one) 1
61103-3 Steering knuckle, overhaul (one) 2
61114-2 King pin journalling, adjust (one side)
61120-2 Bushings, spring strut, replace
61270-1 Front axle complete, remove 1
61270-1 Front axle complete, remove 2
61272-1 Front axle complete, install 1
61272-1 Front axle complete, install 2
64104-2 Steering wheel, replace
64106-2 Steering shaft bearings upper and lower, replace
64116-2 Steering shaft universal joint, replace
64120-2 Steering wheel adjuster, adjust
64122-2 Steering wheel adjuster, overhaul
64128-2 Steering wheel adjuster, upper, replace
64150-1 Steering column, remove
64152-1 Steering column, install
64170-1 Steering wheel, remove
64172-1 Steering wheel, install
64174-2 Steering shaft, replace
64210-2 Sealing ring, steering spindle, replace
64231-5 Steering spindle sealing ring, replace
64238-2 Angle gear, overhaul
64238-2 Angle gear, overhaul 1
64238-2 Angle gear, overhaul 2
64252-2 Pressure point, steering gear, check and adjust
64254-2 Unloading mechanism, check and adjust
64277-4 Steering gear, overhaul
64282-1 Steering gear, remove 1
64282-1 Steering gear, remove 2
64284-1 Steering gear, install
64284-1 Steering gear, install 1
64284-1 Steering gear, install 2
64284-1 Steering gear, install 3
64305-5 Pitman arm, replace 1
64305-5 Pitman arm, replace 2
64312-2 Link rod, replace 1
64312-2 Link rod, replace 2
64312-2 Link rod, replace 3
64331-3 Steering arm, replace (one)
64357-5 Track rod end, replace (one)
64370-1 Track rod, remove
64372-1 Track rod, install
64512-4 Power steering pump, overhaul
64512-4 Power steering pump, overhaul 1
64512-4 Power steering pump, overhaul 2
64514-2 Oil and filter, power steering, replace
64570-1 Power pump, remove
64572-1 Power pump, install 1
64572-1 Power pump, install 2
71415-1 Joint, remove
72002-2 Bellow height, check measure
72004-2 Bellows height, check and adjust
72005-3 Bellow hight, adjust
72502-2 Air suspension front rubber bellows, replace
72510-2 Bushings, front reaction rod, replace (one side)
72513-2 Level sensor, air suspension, replace (one)
72516-2 Level valve front axle, replace
72573-2 Bushings cross stay front, replace
72602-2 Air bellows, drive axle, replace 1
72602-2 Air bellows, drive axle, replace 2
72604-2 Levelling valve drive axle, replace (one)
72625-4 Level valve, basic setting
72858-2 ECS control unit, replace
72888-3 MID 150 Control unit, programming
72923-3 ECS customer parameter, setting
76102-2 Front shock absorber, replace (one)
76104-2 Rear shock absorber, replace (one)
76106-2 Rear shock absorber bushings, replace 1
76106-2 Rear shock absorber bushings, replace 2
76110-2 Front shock absorber bushings, replace 1
76110-2 Front shock absorber bushings, replace 2
76204-2 Rubber journal and bushing, anti roll bar front, replace
76216-2 Anti-roll bar rubber journal and bushing, overhaul (rear Bolted)
76228-2 Rubber bearings anti-roll bar fronr axle, replace
76230-2 Rubber bearings anti-roll bar drive axle, replace
76421-3 Induction sensor low entry, adjust
77014-2 Driving wheels, remove-install (one side)
77018-2 Front wheel, remove-install (one side)
77034-2 Driving wheel remove install (one side)
77038-2 Front wheel remove-install (one side)
77171-4 Rim, clean (one wheel)
77310-2 Front wheel bearing, location (two wheels)
77323-3 Front wheel bearing, adjust (one)
77326-2 Front wheel bearings and seal, replace
77326-2 Front wheel bearings and seal, replace 1
77326-2 Front wheel bearings and seal, replace 2
77334-2 Rear wheel bearing, adjust (one wheel)
77342-2 Front wheel bearing, adjust (one wheel)
77343-3 Wheelstud, replace
77350-2 Rear wheel bearing, adjust (two wheels driving or trailing wheels)
77361-3 Trailing wheel hub, remove
77363-2 Rear wheel bearing and seal, replace
9990020 Adapter
9998254 Reaming tool
9998699 Adapter 62 pin
88800091 Guide
88800095 Expander
Abbreviations 1
Abbreviations 2
AC 203 R-115 and -180 alternators (115A and 180A), dismantling
AC 203-115 and -180 Alternators (115A and 180A), reassembly
Adjusting range cylinder on gearbox without retarder
Air drier 1
Air drier 2
Air drier 3
Air filter handling 1
Air filter handling 2
Air pressure brake system, components
Air pressure brake system, components 1
Air pressure brake system, components 2
Air pressure brake system, components 3
Air pressure brake system, components 4
Air pressure brake
Air suspension, components 1
Air suspension, components 2
Air suspension, solenoid valve level control, replace
Air suspension
Air vent valve, check
Alternator
Alternator 1
Alternator 2
Alternator 3
Analysis of engine oil
Angle gear
Anti-lock brake system (ABS)
Anti-lock brake system (ABS) 1
Anti-lock brake system (ABS) 2
Anti-lock brake system (ABS) 3
Anti-roll bar
Assembling range gear (without retarder)
Automatic slack adjuster, adjusting spring force 1
Automatic slack adjuster, adjusting spring force 2
Balancing the propeller shaft 1
Balancing the propeller shaft 2
Balancing the propeller shaft 3
Ball joint play, link rods and track rods, check
Basic service 1
Basic service 2
Battery charging
Battery, warranty claim handling, additional information
Battery
Battery 1
Battery 2
Battery 3
Bogie strut, removal
Brake circuit diagram
Brake circuit diagram 1
Brake circuit diagram 2
Brake circuit diagram 3
Brake circuit diagram 4
Brake circuit diagram 5
Brake circuit diagram 6
Brake circuit diagram 7
Brake circuit diagram 8
Brake circuit diagram 9
Brake circuit diagram 10
Brake circuit diagram 11
Brake circuit diagram 12
Brake circuit diagram 13
Brake circuit diagram
Brake fluid
Brake shoes
Cables clamping
Camshaft intermediate gear, assemble
Camshaft wear, check
Camshaft
Charge air cooler, additional information claim handling
Charging regulator, replace
Charging the compressed air system through the workshop air supply
Chassis lubrication and filter change
Chassis painting
Check card storage maintenance
Check measurements, general
Checking and adjusting diff. lock
Checking and adjusting the diff. Iock
Checking range gear
Checking the end of the cylinder
Chemical products catalogue
CIM
Clutch service life
Clutch servo
Clutch, service life check
Clutch
Clutch 1
Clutch 2
Combination relay
Communication connections VCADs Pro to vehicle
Compressed air system front
Compressor 1
Compressor 2
Compressor, exploded view 1
Compressor, exploded view 2
Connecting rod
Consumables
Control housing
Control unit 1
Control unit 2
Control unit, warranty handling, protocol
Control unit
Control valve, replace
Conversion from G7 EGS to G8 EGS
Coolant type, replace
Coolant
Cooling system
Cooling system 1
Cooling system 2
Cooling system 3
Crankshaft seal, replace (rear)
Crankshaft wear, check
Crankshaft
Curve angles, adjust
Cylinder block
Cylinder head 1
Cylinder head 2
Cylinder head, cleaning
Cylinder head, face grind
Cylinder liner and piston 1
Cylinder liner and piston 2
Cylinder liner seats, machining (milling)
Damping cylinder 1
Damping cylinder 2
Design
Differential carrier, design
Differential carrier, exploded view
Differential carrier, replace
Differential carrier, section view
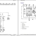
Diodes and heat sinks
Disassembling range gear, type with retarder
Disassembly instructions
Dynafleet
ECAS system
ECS control unit, checklist before replacement
EGS system, general 1
EGS system, general 2
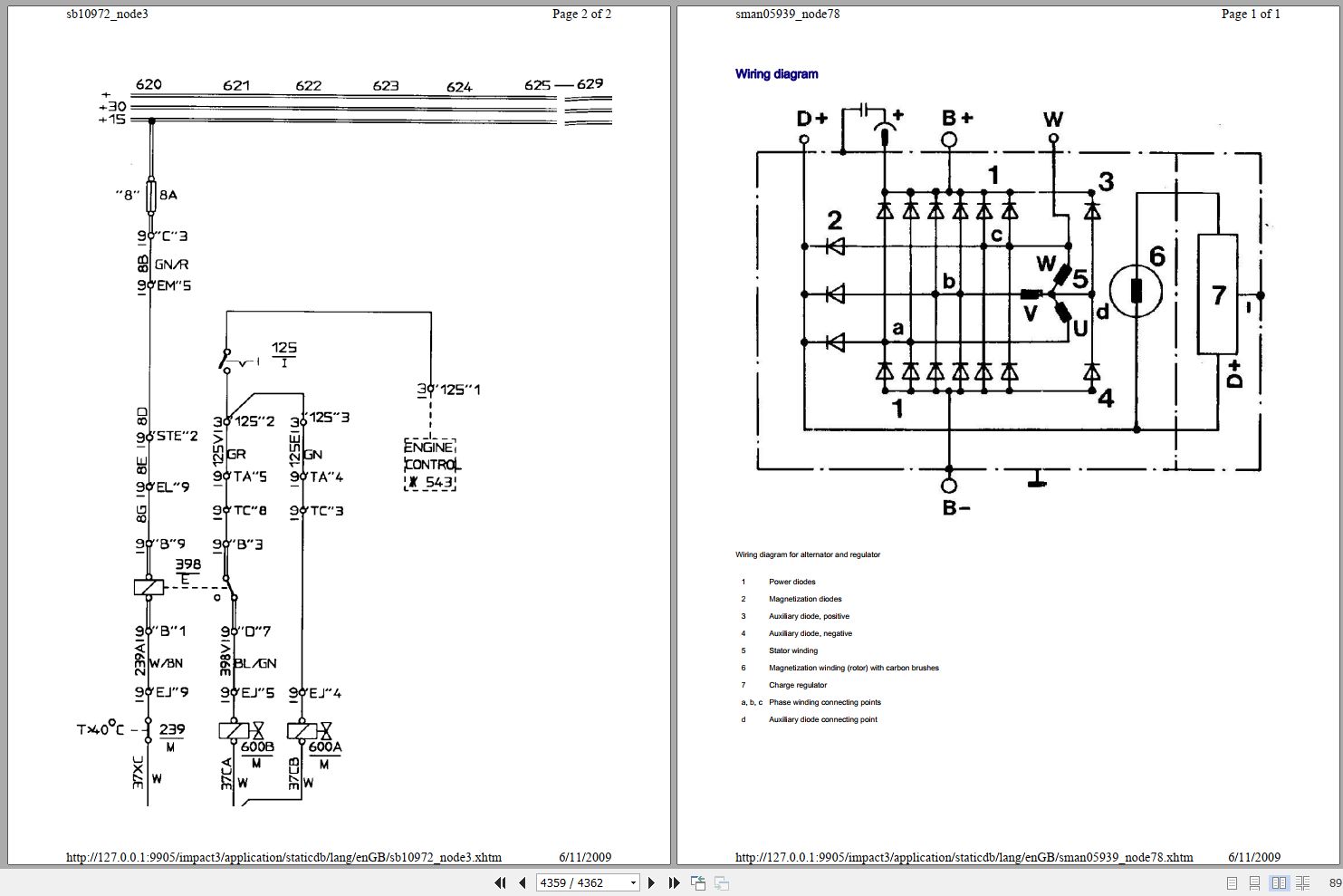
Electric schematic
Electric throttle control, adjusting
Electro-magnetic brake 1
Electro-magnetic brake 2
Electro-magnetic brake 3
Electro-magnetic brake, drawing 1
Electro-magnetic brake, drawing 2
Electronically controlled air suspension
Emergency Board (Limp Home) Unit
Engine 1
Engine 2
Engine brake
Engine controls
Engine oil
Engine, clean
Engine, removing and installing
Evacuating valve, overhaul
Exchange engine replacement
Exhaust manifold, remove and install
Exhaust-pressure governor, checking and installing reducer valve
Explanation of pins
Final drive, design 1
Final drive, design 2
Final drive, exploded view 1
Final drive, exploded view 2
Final drive, fault tracing
Four-circuit protection valve
Frame rails and crossmembers
Front axle member (removed), check measuring 1
Front axle member (removed), check measuring 2
Front axle
Front hub, components
Front shock absorbers
Front wheel suspension
Fuel system, vent
Fuel system
Fuel system 1
Fuel system 2
Fuel system 3
Fuel system 4
Function
Fuses
Gear lever reaction bar
Gear lever rod nut
Gear shift, function 1
Gear shift, function 2
Gearbox oil and filter, change 1
Gearbox retarder, disassembly and assembly
Gearbox with retarder
Gearbox without retarder
Gearbox, automatic, drawing
Gearbox, manual
Gearbox, overhaul
Gearbox
Gearbox 1
Gearbox 2
Gearbox 3
Gearbox 4
Gearbox 5
General, preventive maintenance
General
General 1
General 2
General 3
General 4
Grease
Handling lubricants
Headlamps
How to measure the disc thickness
Hydraulic connection
Hydraulic retarder
Hydraulic retarder 1
Hydraulic retarder 2
Hydraulic retarder 3
Hydraulic retarder 4
Hydraulic retarder 5
Hydraulic retarder 6
Hydraulic retarder 7
Injection pump, testing
Injection pump, testing 1
Injection pump, testing 2
Inlet and exhaust system
Inlet and exhaust system 1
Inlet and exhaust system 2
Inlet and exhaust system 3
Inlet and exhaust system 4
Installation instructions for nipples
Installing hydraulic retarder
Installing the final drive
Instrument, system description
Instrumentation, component placement
Integrated ride-height regulation function — description
Intercooler, leakage check
Kingpin axial play, check
Kingpin radial play, check
Level sensor, air suspension driven axle, replace (one)
Level sensor, air suspension, replace (one)
Low idle speed
Lube oil pressure, check
Lubricants, fluids and oil analysis
Lubrication and oil system 1
Lubrication and oil system 2
Lubrication chart 1
Lubrication chart 2
Lubrication system valves
Lubrication system
Main bearings in crankshaft, check
Main components
Main components 1
Main components
Main switch
Manual slack adjuster, assembling
Manual slack adjuster, disassembling
Manual slack adjuster, installation
Manual slack adjuster, removal
Master ID, connectors
Maximum revolutions at idle and idle speed, adjustment
Mechanical clutch, diagram
MID 128 Engine control unit
Multiplexed electrical system
Neutral return spring
New board system and laminate
New brake shoe design and new quality of brake linings for Z cam brakes
New engine variants
Oil and fuel consumption, follow-up
Oil cooler, replace and leakage check
Oil pump
Oil reservoir
Oils
One-way coupling and friction spring, checking the skidding point
Other special equipment 3098566
Overhauling the final drive (drive removed)
Pipes, hoses and fittings
Piston and connecting rod, disassemble
Piston piston rings
Power path
Power steering gear, exploded view
Power steering gear
Power steering pump
Power steering system 1
Power steering system 2
Power steering system 3
Power steering system, function check
Pressure regulator, overhauling
Pressure regulator, replacement
Pressure-testing heat exchanger (Exchanger removed)
Preventive maintenance intervals
Propeller shaft 1
Propeller shaft 2
Propeller shaft
Protocol overview
Pulley alignment, checking, adjusting
Push rod wear, check
R3 - Group 17
R3 - Group 170
R3 - Group 251
R3 - Group 431
R3 - Group 465
R3 - Group 560 1
R3 - Group 560
R3 - Group 642
R3 - Group 0800
Radiator, removing, installing
Radiator, warranty claim handling, additional information
Rear axle, adjust
Rear axle, adjust 1
Rear axle, adjust 2
Rear axle, adjust 3
Rear axle, differential
Rear axle, drive shaft, drawing
Rear axle, general
Rear axle
Rear hub, components
Rear reaction rods, bushings, replacement
Recommendations for Volvo Trucks
Relay valve
Relief valve, replace
Removing questions
Removing range gear (without retarder)
Removing retarder from gearbox
Removing the final drive 1
Removing the final drive 2
Replacing the propeller shaft fork or tubes
Replacing the propeller shaft fork or tubes 1
Replacing the propeller shaft fork or tubes 2
Replacing the propeller shaft fork or tubes 3
Replacing the propeller shaft fork or tubes 4
Replacing the propeller shaft fork or tubes 5
Retarder coils, replacement
Retarder control air pressure, check
Retarder heat exchanger, install
Retarder heat exchanger, pressure test
Retarder heat exchanger, remove
Retarder release time, check
Retarder sealing ring rear end, replace
Retarder shift valve, check
Retarder sinter-filter, clean
Retarder sump reverse valve, check
Retarder, disassembly
Retarder, dynamic pressure, check
Retarder, install
Retarder, installation
Retarder, overhaul
Retarder, remove
Reverse shaft, changing needle bearings
Rubber seal, valve cover
Schedule B7R
Schedule B12R
Schedule B58, B10M, B12
Servicing range cylinder, gearbox without retarder
Servo pump overflow valve, replace
Side control
Slack adjuster
Special Tool General information
Special Tools, changes
Speed limiter
Speedometer, clock and trip meter
Speedometer, clock, trip meter
Spring brake cylinder of the driven wheels, overhauling
Starter motor 1
Starter motor 2
Steering column
Steering gear 1
Steering gear 2
Steering knuckle 1
Steering knuckle 2
Steering rack adjustment
Steering shaft sealing ring, replace
Steering shaft, replace
Steering shaft
Steering wheel
Stop hazard turn lamps, simplified schematic
Storage instructions
Storage treatment of vehicles
Storage
Supplementary instruction for service and maintenance
Support bearings, replacing
Suspension
Swivel pin bushings, replacement 1
Swivel pin bushings, replacement 2
Tachograph, checklist before replacement
Tachograph
Tachometer
Test box for gearbox troubleshooting
Testing charging regulator
The main menu Time distance (while stationary)
Thermostat fan and fan journal, remove and install
Thermostat fan
Thermostat, check
Thermostat, replace
Thermostat
Throttle-set motor, setting
Tightening on wheels
Timing gear cover plate, adjust in conjunction with incorrect intermediate gear backlash
Timing gear cover plate, remove and install
Timing gears, overview
Timing gears, removing
Timing gears
Toolbox
Torque converter, overhaul
Track rod
Trailer steering system, checking and adjusting tracking
Transmission oil
Transmission, assemble (modules)
Transmission, changing
Trouble shooting equipment
Turbo compressor, installing on engine
Turbo failure on charge air cooler engines, inspect
Turbocharger
Turbocompressor, service
Turbocompressor, servicing
Turn table, lubrication
Tyre and inner tube 1
Tyre and inner tube 2
Undercarriage protection maintenance procedure
Unit injector copper sleeve, replace
Unit injector, warranty claim handling, additional information
Universal joints, lubrication 1
Universal joints, lubrication 2
Updating VDA
Valve calipers and valve springs
Valves and unit injectors, adjust, general
Valves in cylinder head, install
Valves, grinding
Valves, valve seats
Vehicle control unit
Vehicle Identification Number VIN
Viscosity
Volvo Standard Time
Volvo-warranty for exchange
Warranty service for spare parts and exchange parts
Water and existent residues in the water separator cup, draining
Water pump
Welding requirements, welding body frame
Welding requirements
Wheel alignment 1
Wheel alignment 2
Wheel bearings and retainers, replacement
Wheel brake, diagram
Wheel brake
Wheel brake 1
Wheel brake 2
Wheel brake 3
Wheel brake 4
Wheel brake 5
Wheel brake 6
Wheel brake 7
Wheel brake 8
Wheel brake 9
Wheel brake 10
Wheel brake 11
Wheel brake 12
Wheel brake 13
Wheel brake 14
Wheel
Wheelbrakes, checking and adjusting
Wiring diagram 1
Wiring diagram 2
Work routine, fault tracing
[Other Product]


