Volvo BM L70B Wiring Diagram
Data Size: 4.78 MB
File Type: PDF
Language: English
Manufacturer: Volvo
Applicable Machine: Wheel Loader
Document: Wiring Diagram
Machine Model: Volvo BM L70B Wheel Loader
Page: 108 Pages
List Contents:
Block diagram
Hydraulic diagram, brake system
Hydraulic diagram, steering system
Hydraulic diagram
Hydraulic symbol diagram
Wiring diagram, circuits 1-1–1-10
Wiring diagram, circuits 2-1–2-10
Wiring diagram, circuits 3-1–3-10
Wiring diagram, circuits 4-1–4-10
Wiring diagram, circuits 5-1–5-10
Wiring diagram, circuits 6-1–6-10
Wiring diagram, circuits 7-1–7-7
Wiring diagram, circuits 8-1–8-10
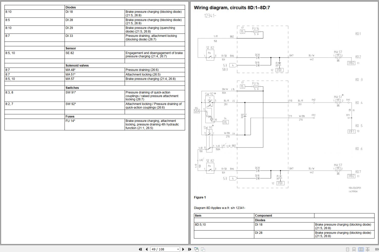
Wiring diagram, circuits 8D1–8D7
Wiring diagram, circuits 10-1–10-7
Wiring diagram, circuits 11-1–11-8
Wiring diagram, circuits 12-1–12-8
Wiring diagram, circuits 13-1–13-10
Wiring diagram, circuits 13D-1–13D-10
Wiring diagram, circuits 14-1–14-10
Wiring diagram, circuits 15-1–15-10
Wiring diagram, circuits 16-1–16-10
Wiring diagram, circuits 16D-1–16D-9
Wiring diagram, circuits 17-1–17-8
Wiring diagram, circuits 18-1–18-10
Wiring diagram, circuits 19-1–19-7
Wiring diagram, circuits 20-1–20-7
Wiring diagram, circuits 21-1–21-5
Wiring diagram, circuits 21D1–21D5
Wiring diagram, circuits 22-1–22-9
Wiring diagram, circuits 24-1–24-10
Wiring diagram, circuits 24A-1–24A-10
Wiring diagram, circuits 25-1–25-9
Wiring diagram, circuits 26-1–26-8
Wiring diagram, circuits 26D-1–26D8
Wiring diagram, circuits 27-1–27-8
Wiring diagram, circuits 28-1–28-9
Wiring diagram, circuits 29-1–29-10
Wiring diagram, circuits 91–97


