0Your Cart$0.00
Shopping Cart (0)
No products in the cart.

Volvo EC240B NLC Excavator Service Repair Manual

$50.00$50.00
In stock
SKU:
Categories:Manual PDF
Shipping By Link Download
Shipping By Link Download
Secure Private Information
Secure Private Information
Guarantee Secure Payment
Guarantee Secure Payment

Support Contact:

Admin@autoepcsoft.org

Volvo EC240B NLC Excavator Service Repair Manual

Size: 213.77 MB
Format: PDF
Language: English
Machine: Excavator 
Machine Model: EC240B NLC
Document: Service Repair Manual, Electrical Wiring Diagram, Hydraulic Diagram
Pages: 5860 Pages

The Bookmarks of Volvo EC240B NLC Excavator Service Repair Manual:
1 Volvo EC240B NLC
Descriptions
 2 pump flow piping
 2 stage port relief valve, adjustment
 2 stage port relief valve, description
 2 stage port relief valve, description1
 2 stage port relief valve, description2
 2 stage port relief valve, disassembly and assembly1
 2 stage port relief valve, disassembly and assembly2
 2 stage port relief valve, disassembly
 Actuator, air mix door driver
 Actuator, foot face driver
 Additional counterweight & digging unit
 Adjustable boom (1st boom), description
 Adjustable boom (2nd boom), description
 Adjustable boom selector valve
 Adjustable boom selector valve1
 Adjustable boom valve, description
 Air cleaner and precleaner, description
 Air conditioning switch
 Air conditioning unit, description1
 Air conditioning unit, description2
 Alarm, description
 Alternator, description (new)
 Alternator, description
 Ambient temperature sensor
 Arm holding valve, description
 Arm regenerating valve, description
 Auto manual select switch, description
 Auxiliary start
 Basic check, Engine
 Battery disconnect switch, description1
 Battery relay, description
 Battery, charging
 Battery, description
 Battery, storage
 Blower motor
 Boom float position, hydraulic circuits
 Boom holding valve, description
 Boom lifting cylinder, description
 Boom regenerating valve, description
 Boom, description1
 Boom, description2
 Bottom roller, description1
 Bottom roller, description2
 Bucket cylinder, description
 Bucket operation1
 Bucket operation2
 Cab air filtering, description
 Camshaft, description1
 Camshaft, description2
 Center passage, description1
 Center passage, description2
 Ceramic resistor
 Charge air cooler, description
 Charging, description
 Check valve, description
 Checking and Adjusting procedure
 Compressor
 Condenser
 Connecting rod, description
 Connectors
 Control lockout lever switch, description
 Control pattern change valve, description
 Control pattern selector valve, hydraulic circuits
 Control system, description
 Control unit, description
 Contronic service display unit, display group 1 general information
 Contronic service display unit, display group 2, engine system
 Contronic service display unit, display group 3, electrical system
 Contronic service display unit, display group 4, hydraulic system
 Contronic service display unit, display group 5, program mode
 Contronic service display unit, display group 6, self diagnosis result
 Contronic service display unit, general
 Cooling system, description1
 Cooling system, description2
 Crankshaft, description
 Cylinder head gasket, description
 Cylinder head, description
 Cylinder liner, description
 Cylinder, description
 Cylinder, troubleshooting
 DC–DC converter, description
 Description, general
 Diesel coolant heater (5kw), description
 Diesel coolant heater (5kw), principles
 Diesel coolant heater (10kw), description
 Diesel coolant heater (10kw), principles
 Dipper arm cylinder, description
 Dipper arm, description1
 Dipper arm, description2
 Disassembly and assembly, general
 Driver's seat, description
 Drying filter
 Duct temperature sensor
 Electric horn, description
 Electrical distribution box, description
 Electrical system, description
 Electrical system, special instructions for servicing, action when working on machine
 Electrical system, special instructions for servicing, electrical components, alternator and charging regulator
 Electrical system, special instructions for servicing, electrical components, batteries
 Electrical system, special instructions for servicing, electronic components
 Electrical system, special instructions for servicing, general
 Emergency engine speed control switch, description
 Engine block heater, description
 Engine characteristic curve1
 Engine characteristic curve2
 Engine oil pressure sensor, description
 Engine speed control switch, description1
 Engine speed control switch, description2
 Engine timing gear, description
 Engine, description1
 Engine, description2
 Error code information, general
 Error messages on Engine
 Evaporator
 Examples, hydraulic system
 Examples, power transmission
 Exhaust system, description1
 Exhaust system, description2
 Expansion valve
 Fan motor, description
 Fan motor, troubleshooting
 Fan pump, description
 Fire extinguisher, description
 Foot relief valve (flow sensing valve), description
 Foreword additional Service manual Demolition machine
 Fuel control valve (FCV), description
 Fuel Coolant temperature sensor, description
 Fuel feed pump, description
 Fuel filler pump, description
 Fuel level sensor, description
 Fuel lines, description1
 Fuel lines, description2
 Fuel system, description1
 Fuel system, description2
 Fuel tank, description1
 Fuel tank, description2
 Function of manual air conditioning switch
 Fuse, description
 Hammer and Shears (X1 Line option), description1
 Hammer and Shears (X1 Line option), description2
 Hammer return filter, specifications
 Heating system, description
 Hydraulic components, description
 Hydraulic components, storage and transport
 Hydraulic diagram, schematic
 Hydraulic oil cooling system, description
 Hydraulic oil, description
 Hydraulic oil, storage and handling
 Hydraulic pump, description
 Hydraulic quickfit, description
 Hydraulic system, cleanliness when handling hydraulic components
 Hydraulic system, description
 Hydraulic system, repair of hydraulic components in workshop
 Hydraulic system, work instructions
 Hydraulic tank, description
 Idler, description1
 Idler, description2
 In-car temperature sensor
 Injectors, description
 Inlet system, description
 Instructions for working with electronic fuel injection
 Instrument panel, description (I-ECU equipped)
 Instrument panel, description
 Internal Exhaust Gas Recirculation (IEGR), description
 Line rupture valve (arm), description
 Line rupture valve (boom), description
 Line rupture valve (boom), troubleshooting
 Link, description1
 Link, description2
 Logic valve, description
 Logic valve, description1
 Lower line
 Lower wiper motor, description
 Lubrication system, description1
 Lubrication system, description2
 Lubrication system, principle of operation
 Machine display unit (MDU), description
 Machine display unit (MDU), display status
 Machine display unit (MDU), error code displays
 Machine display unit (MDU), status indication
 Main control valve troubleshooting
 Main control valve, description
 Main line
 Main relief valve, description
 Manual air conditioning, description
 Overload warning device, operation
 Piston cooling
 Piston rings, description
 Pistons, description
 Port relief valve, description
 Power Take Off (PTO, option), description
 Power transmission, description
 Preheating, description
 Pressure accumulator, description
 Pressure relief valve, troubleshooting
 Proportional relief valve, description
 Proportional solenoid valve, description
 Proportional solenoid valve, troubleshooting
 Proportional solenoid valve1
 Proportional solenoid valve2
 Pump, troubleshooting
 Radio with CD and MP3 player, description
 Radio with tape player, description (new type)
 Radio with tape player, description
 Receiver drier, changing
 Recommended lubricants
 Refrigerant hoses
 Regulator, description
 Relay box, description1
 Relay box, description2
 Relay box, description3
 Remote control valve (Lever), description
 Remote control valve (Lever), troubleshooting
 Remote control valve (pedal), description
 Remote control valve (pedal), troubleshooting
 Resistance box, description
 Return and pump line
 Reversible cooling fan, description
 Rotator (X3 Line option), description1
 Rotator (X3 Line option), description2
 Rotator (X3 Line option), hydraulic circuits and principle of operation
 Rotator pump, description
 Safety start relay, description
 Selection of track shoes
 Service positions
 Servo hydraulic line
 Servo hydraulic line1
 Servo hydraulic selector valve, description
 Servo pump, description
 Shuttle valve block, description
 Shuttle valve for hammer and shear - A type
 Single pedal stopper position
 Slew gearbox, description1
 Slow blow fuse, description
 Solenoid valve (1) for hammer and shear selection1
 Solenoid valve (1) for hammer and shear selection2
 Solenoid valve (2) for hammer and shear 2-pump flow1
 Solenoid valve (2) for hammer and shear 2-pump flow2
 Solenoid valve, description
 Solenoid valve, troubleshooting
 Specification, filling capacities
 Specification, filling capacities1
 Standard of the setting pressure
 Start switch, description
 Starter motor, description
 Starting engine with booster cables
 Starting operation
 Stop valve
 Swing brake, description
 Swing gearbox, description2
 Swing motor, description1
 Swing motor, description2
 Swing motor, description3
 Swing motor, principle of operation
 Swing ring gear inner seal, replacing1
 Swing ring gear inner seal, replacing2
 Swing ring gear, description
 Three point relay
 Tightening torque, specifications
 Top roller, description1
 Top roller, description2
 Track chain, description1
 Track chain, description2
 Track chain, description3
 Track gearbox, description
 Track gearbox, troubleshooting
 Track motor, description1
 Track motor, description2
 Track motor, maintenance standard
 Track motor, operating checks
 Track motor, precautions for operation
 Track motor, troubleshooting
 Travel alarm, description
 Troubleshooting (5kw)1
 Troubleshooting (5kw)2
 Troubleshooting (10kw)
 Troubleshooting strategy
 Troubleshooting, diagnosing procedure
 Troubleshooting
 Turbocharger, description
 Undercarriage, description1
 Undercarriage, description2
 Upper wiper motor, description
 Valves, description
 Vibration damper, description
 Viscose mount, description
 Water separator heater, description
 Water temperature sensor
 Welding on the machine
 Window limit switch, description
 Windscreen wiper, components location
 Windscreen wiper, description
 Wiper controller, description
 Wire harness layout
Diagrams
 Component designations
 Component list Alternator, batteries, capacitors, electronic units, voltage outlet
 Component list Control lights warning lights1
 Component list Control lights warning lights2
 Component list, Fuses1
 Component list, Fuses2
 Component list, Heating coils
 Component list, Lights
 Component list, Miscellaneous1
 Component list, Miscellaneous2
 Component list, Motors
 Component list, Relays
 Component list, Sensors
 Component list, Solenoid valves
 Component list, Switches1
 Component list, Switches2
 Components list
 Control pattern selector valve, ports
 Electrical circuit, air conditioner (10kw) heater
 Electrical circuit, air conditioner heater
 Electrical symbols and designations
 Explanations to hydraulic diagram
 Ground connections
 Ground connections1
 Grounding points (frame connections)
 Hydraulic diagram, arm in boom raise Figure 1
 Hydraulic diagram, arm in boom raise
 Hydraulic diagram, arm in conflux Figure 1
 Hydraulic diagram, arm in conflux
 Hydraulic diagram, arm out Figure 1
 Hydraulic diagram, arm out
 Hydraulic diagram, boom lower Figure 1
 Hydraulic diagram, boom lower
 Hydraulic diagram, boom raise conflux (internal) Figure 1
 Hydraulic diagram, boom raise conflux (internal)
 Hydraulic diagram, bucket Figure 1
 Hydraulic diagram, bucket
 Hydraulic diagram, neutral
 Hydraulic diagram, ports
 Hydraulic diagram, slew (left) Figure 1
 Hydraulic diagram, slew (left)
 Hydraulic diagram, slew priority (slew right arm in) Figure 1
 Hydraulic diagram, slew priority (slew right arm in)
 Hydraulic diagram, standard1 Figure 1
 Hydraulic diagram, standard1
 Hydraulic diagram, standard2 Figure 1
 Hydraulic diagram, standard2
 Hydraulic diagram, standard3 Figure 1
 Hydraulic diagram, standard3
 Hydraulic diagram, straight travel (low auto shift) Figure 1
 Hydraulic diagram, straight travel (low auto shift)
 Hydraulic diagram, straight travel arm (straight travel auto shift, arm in) Figure 1
 Hydraulic diagram, straight travel arm (straight travel auto shift, arm in)
 Hydraulic diagram, with option components1 Figure 1
 Hydraulic diagram, with option components1
 Hydraulic diagram, with option components2 Figure 1
 Hydraulic diagram, with option components2
 Hydraulic diagram, with option components3 Figure 1
 Hydraulic diagram, with option components3
 Hydraulic diagram, with option components4 Figure 1
 Hydraulic diagram, with option components4
 Hydraulic diagram, with reversible cooling fan Figure1
 Hydraulic diagram, with reversible cooling fan
 Positive feed
 Waste handler, electrical circuit1
 Waste handler, electrical circuit2
 Waste handler, electrical circuit3
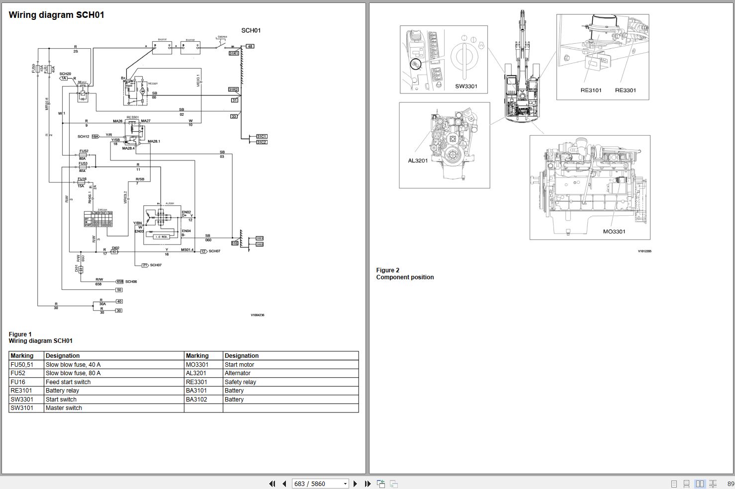
 Wiring diagram SCH01
 Wiring diagram SCH01_T3-1
 Wiring diagram SCH01_T3-2
 Wiring diagram SCH01-1 (I-ECU equipped)1
 Wiring diagram SCH01-1 (I-ECU equipped)2
 Wiring diagram SCH01-1
 Wiring diagram SCH01-2
 Wiring diagram SCH01-3
 Wiring diagram SCH01-4
 Wiring diagram SCH02
 Wiring diagram SCH02_T3
 Wiring diagram SCH02-1 (I-ECU equipped)1
 Wiring diagram SCH02-1 (I-ECU equipped)2
 Wiring diagram SCH02-1
 Wiring diagram SCH02-2
 Wiring diagram SCH02-3
 Wiring diagram SCH03
 Wiring diagram SCH03_T3
 Wiring diagram SCH03-1 (I-ECU equipped)
 Wiring diagram SCH03-1
 Wiring diagram SCH03-1_T3
 Wiring diagram SCH03-2
 Wiring diagram SCH03-3
 Wiring diagram SCH03-4
 Wiring diagram SCH04
 Wiring diagram SCH04_T3
 Wiring diagram SCH04-1 (I-ECU equipped)1
 Wiring diagram SCH04-1 (I-ECU equipped)2
 Wiring diagram SCH04-1
 Wiring diagram SCH04-2
 Wiring diagram SCH05
 Wiring diagram SCH05_T3
 Wiring diagram SCH05-1 (I-ECU equipped)
 Wiring diagram SCH06
 Wiring diagram SCH06_T3
 Wiring diagram SCH06-1 (I-ECU equipped)
 Wiring diagram SCH07
 Wiring diagram SCH07_T3
 Wiring diagram SCH07-1
 Wiring diagram SCH07-2
 Wiring diagram SCH07-3
 Wiring diagram SCH08
 Wiring diagram SCH08_T3
 Wiring diagram SCH08-1 (I-ECU equipped)
 Wiring diagram SCH08-1
 Wiring diagram SCH08-2
 Wiring diagram SCH08-3
 Wiring diagram SCH09
 Wiring diagram SCH09_T3
 Wiring diagram SCH09-1 (I-ECU equipped)1
 Wiring diagram SCH09-1 (I-ECU equipped)2
 Wiring diagram SCH10
 Wiring diagram SCH10_T3
 Wiring diagram SCH10-1 (I-ECU equipped)1
 Wiring diagram SCH10-1 (I-ECU equipped)2
 Wiring diagram SCH10-1
 Wiring diagram SCH10-2
 Wiring diagram SCH11
 Wiring diagram SCH11_T3
 Wiring diagram SCH11-1 (I-ECU equipped)
 Wiring diagram SCH11-1
 Wiring diagram SCH11-2
 Wiring diagram SCH11-3
 Wiring diagram SCH12
 Wiring diagram SCH12_T3
 Wiring diagram SCH12-1 (I-ECU equipped)1
 Wiring diagram SCH12-1 (I-ECU equipped)2
 Wiring diagram SCH12-1 (I-ECU equipped)3
 Wiring diagram SCH12-1
 Wiring diagram SCH12-2
 Wiring diagram SCH12-3
 Wiring diagram SCH13
 Wiring diagram SCH13_T3
 Wiring diagram SCH13-1 (I-ECU equipped)1
 Wiring diagram SCH13-1 (I-ECU equipped)2
 Wiring diagram SCH13-1
 Wiring diagram SCH13-2
 Wiring diagram SCH14
 Wiring diagram SCH14_T3
 Wiring diagram SCH14-1 (I-ECU equipped)1
 Wiring diagram SCH14-1 (I-ECU equipped)2
 Wiring diagram SCH14-1
 Wiring diagram SCH15
 Wiring diagram SCH15_T3
 Wiring diagram SCH15-1 (I-ECU equipped)
 Wiring diagram SCH15-1
 Wiring diagram SCH16
 Wiring diagram SCH16_T3
 Wiring diagram SCH16-1 (I-ECU equipped)
 Wiring diagram SCH16-1
 Wiring diagram SCH16-2
 Wiring diagram SCH17
 Wiring diagram SCH17_T3
 Wiring diagram SCH17-1
 Wiring diagram SCH18
 Wiring diagram SCH18_T3
 Wiring diagram SCH18-1
 Wiring diagram SCH19
 Wiring diagram SCH20
 Wiring diagram SCH20-1 (I-ECU equipped)
 Wiring diagram SCH20-1
 Wiring diagram SCH21
 Wiring diagram SCH21-1 (I-ECU equipped)
 Wiring diagram SCH22
 Wiring diagram SCH23
 Wiring diagram SCH23-1 (I-ECU equipped)
 Wiring diagram SCH24
 Wiring diagram, Components list and index (I-ECU application)
 Wiring diagram, Components list and index
 Wiring diagram
 Wiring diagram1
 Wiring diagrams
Installation Instructions
 1 pump double acting piping, installing new
 2 pump double acting piping, installing new
 2.5M arm pip W-GR manuovre
 2.5M arm piping with Q-Fit
 2.5M arm piping with X1
 2.5M arm piping with X3
 2.97M arm pip W-GR manuovre
 2.97m arm piping with Qfit
 2.97M arm piping with X1
 2.97m arm piping with X3
 2-switch control on X1 (on off, 2-way), installing new
 3.6M arm pip WGR monuovre
 3.6M arm piping with X1
 6.0M bm pip with H Rupt prot
 6.0M bm pip WO H Rupt prot
 6.0m boom piping with Q fit
 6.0m boom piping with X3
 6.0m boom piping with X3-1
 10 KW diesel coolant heater
 Anti vandal kit
 Anti-vandal kit
 Block heater, 120V
 Block heater, 240V
 Boom float position
 Boom float position1
 CareTrack
 Diesel coolant heater 10 KW, installing new
 Diesel coolant heater
 Extra pip for Slope Rot on X1
 Extra work lamp
 Fabirc seat with heating & suspension
 FOG (Falling Object Guard), installing new
 FOG
 FOPS (Falling Object Protecting Structure), installing new
 FOPS
 Front rain shield
 Fuel filler pump - 35Lpm
 Fuel filler pump - 50Lpm + auto stop
 Hammer hydraulic option, installing new1
 Hammer hydraulic option, installing new2
 Lower wiper
 Net kit - front safety window
 Oil bath air cleaner
 Oil bath air cleaner1
 Oil leak line on 6.0M boom
 Oil leak line on base machine
 Pedal control on X1 (proportional, 2-way)
 Pedal control on X1(proportional, 2-way)1
 Pilot control change
 Pre-cleaner oil bath type, installing new
 Q-Fit piping on base machine
 Quick fit piping on arm, installing new1
 Quick fit piping on arm, installing new2
 Quick fit piping on arm, installing new3
 Quick fit piping on arm-UQF, installing new1
 Quick fit piping on arm-UQF, installing new2
 Quick fit piping on arm-UQF, installing new3
 Quick fit piping on Base machine-UQF
 Quick fit piping on boom, installing new
 Quick Fit S1
 Quick fit S2
 Radio, installing new1
 Return filter for hammer shear, installing new
 Rotation beacon
 Rotation beacon1
 Straight travel pedal
 Sun shield front, roof, rear
 Sunlight protection-roof
 Switch control on X1 (On Off,1-way), installing new
 Travel alarm, installing new1
 Travel alarm1
 Travel alarm2
 Tropical cooling-from global std to trp
 With H Rupt prot+OL warning
 Work light rear, installing new
 X1 modification from 1 pump to 2 pump
 X1 with 1 pump flow
 X1 with 1pump flow1
 X1 with 2pump flow1
 X1 with add return filter1
 X1 with add return filter2
 X3 piping on base machine1
 X3 piping on base machine2
 X3 piping on base machine3
Repair
 2 stage port relief valve, adjustment1
 2 stage port relief valve, adjustment2
 Adjustable boom valve, disassembly
 Air conditioning unit, maintenance
 Air conditioning unit, refrigerant check and recharging
 Arm holding valve, disassembly and assembly
 Arm parallel conflux check valve, disassembly and assembly
 Arm parallel conflux valve, disassembly and assembly
 Arm regenerating and arm conflux check valve, disassembly
 Batteries, replacing
 Boom back pressure check valve, disassembly and assembly
 Boom cylinder, replacing
 Boom holding valve, disassembly
 Boom lifting cylinder, disassembly and assembly
 Boom, installation
 Boom, installation1
 Boom, removal1
 Boom, removal2
 Boom, replacing
 Bottom roller, assembly
 Bottom roller, disassembly
 Bottom roller, installation
 Bottom roller, removal
 Bottom roller, replacing seal
 Bottom roller, wear limit
 Bucket assembly, replacing
 Bucket cylinder, disassembly and assembly1
 Bucket cylinder, disassembly and assembly2
 Bucket cylinder, replacing
 Bucket, adjustment of bucket clearance
 Cab, installing
 Cab, removing
 Center bypass valve, disassembly and assembly
 Center passage, assembly
 Center passage, disassembly
 Center passage, inspection and troubleshooting
 Center passage, tools
 Charge air cooler connection (hose, tube), replacing
 Charge air system, inspection
 Coasting left and right swing
 Component locations1
 Component locations2
 Connecting rod yoke, replacing
 Connectors
 Coolant, changing
 Coolant, checking anti-freeze resistance
 Coolant, checking anti-freeze resistance1
 Counterweight, removing1
 Counterweight, removing2
 Creeping of hydraulic cylinder
 Cylinder speed
 Cylinder, disassembly and assembly
 Demolition machine, description
 Digging unit, maintenance1
 Digging unit, maintenance2
 Dipper arm connecting rod, replacing
 Dipper arm cylinder, disassembly and assembly
 Dipper arm cylinder, replacing
 Dipper arm, installation1
 Dipper arm, installation2
 Dipper arm, removal1
 Dipper arm, removal2
 Dipper arm, replacing
 E-ECU, MID 128, changing non-Programd ECU
 E-ECU, MID 128, changing pre-Programd ECU
 Engine mounting1
 Engine mounting2
 Engine speed control switch, inspection1
 Engine speed control switch, inspection2
 E-tools, NET 8940-00270 Replace tool for the swing ring gear
 E-tools, NET 8940-00300 Swing ring gear guide pin
 E-tools, NET 8940-00330 Swing motor guide pin
 Exhaust pipe, flexible tube, replacing
 Expansion tank, replacing
 Fan belt and or alternator belt, replacing
 Fan motor, assembly
 Fan motor, disassembly
 Fan motor, replacing
 Fan motor, tools
 Fan pump, assembly1
 Fan pump, assembly2
 Fan pump, disassembly1
 Fan pump, disassembly2
 Fan pump, parts inspection
 Feed pump, checking feed pressure
 Fire extinguisher, fault indication1
 Fire extinguisher, fault indication2
 Foot relief valve (flow sensing valve), disassembly
 Fuel filter extra, replacing
 Fuel filter, checking
 Fuel filters, replacing
 Fuel pump, inspection
 Fuel rail pressure, checking
 Fuel system, bleeding
 Fuel tank, replacing
 Fuse box, description
 Fuse box, specifications
 General, precautions
 General, tools
 Hydraulic pump coupling, description
 Hydraulic quickfit, adjustment
 Idler, assembly
 Idler, disassembly
 Idler, installation
 Idler, measurement of wear
 Idler, removal
 Idler, tools for disassembly and assembly
 I-ECU, MID 140, changing non-Programd ECU
 I-ECU, MID 140, changing pre-Programd ECU
 Intercooler, replacing
 Line rupture valve (arm), disassembly
 Line rupture valve (boom), disassembly
 Line rupture valve, adjustment
 Load check valve – single, disassembly and assembly
 Load check valve, disassembly and assembly1
 Load check valve, disassembly and assembly2
 Logic valve, disassembly and assembly
 Lubrication oil pressure, checking with pressure gauge
 Machine view, demolition1
 Machine view, demolition2
 Machine view, waste handler
 Machine view
 Main relief valve, adjustment
 Main relief valve, disassembly
 Main spool, disassembly and assembly
 Measuring condition
 Measuring of swing bearing clearance
 NET 8940-00170 Replace tool for the hydraulic tank and fuel tank
 NET 8940-00200 Replace tool for the remote control valve joint
 NET 8940-00210 Inspection tool for the rotary switch
 NET 8940-00220 Inspection tool for the power shift valve
 NET 8940-00260 Replace tool for the center passage
 NET 8940-00290 Track motor guide pin
 NET 8940-00400 Replace tool for hydraulic return check valve
 Oil cooler, replacing
 Periodic maintenance
 Port relief valve pressure, measurement
 Port relief valve, adjustment
 Port relief valve, disassembly
 Preheating coil, replacing
 Proportional solenoid valve, measuring and adjustment
 Pump, assembly
 Pump, disassembly
 Pump, installation
 Pump, maintenance standard
 Pump, tools
 Radiator hose upper, replacing
 Radiator hoses lower, replacing
 Radiator, replacing1
 Radiator, replacing2
 Regulator, assembly
 Regulator, disassembly
 Regulator, maintenance
 Remote control valve (Lever), assembly
 Remote control valve (Lever), disassembly
 Remote control valve (Lever), maintenance standard
 Remote control valve (lever), replacing
 Remote control valve (pedal), assembly
 Remote control valve (pedal), disassembly
 Remote control valve (pedal), maintenance standard
 Remote control valve (pedal), replacing
 Rotator pump, assembly
 Rotator pump, disassembly
 Rotator pump, parts inspection
 Rotator valve, adjustment
 Seat, replacing
 Servo hydraulic pressure, adjustment
 Servo pump, parts inspection
 Silencer, replacing
 Slew gearbox, assembly
 Slew gearbox, disassembly
 Slew gearbox, lubrication
 Slew gearbox, maintenance standard
 Slew gearbox, troubleshooting
 Slew motor, adjustment
 Slew motor, lubrication and air purging
 Slew motor, troubleshooting
 Slew ring gear, removal and installation
 Solenoid valve, disassembly and assembly
 Solenoid valve, inspection
 Spring package, assembly
 Spring package, disassembly
 Sprocket, installation
 Sprocket, measurement of wear
 Sprocket, removal
 Sprocket, replacing one
 Straight travel changeover valve, disassembly and assembly
 Straight traveling performance
 Superstructure, installing
 Superstructure, removing
 Swing motor, assembly
 Swing motor, disassembly
 Swing motor, maintenance standard
 Swing ring gear cover, installation
 Swing ring gear cover, removal
 Swing ring gear outer seal, replacing
 Swing speed
 Tools & equipment
 Top roller, assembly
 Top roller, disassembly
 Top roller, installation
 Top roller, measurement of wear
 Top roller, removal
 Track chain, installation
 Track chain, measurement of wear
 Track chain, removal
 Track chain, wear limit1
 Track chain, wear limit2
 Track gearbox, assembly1
 Track gearbox, assembly2
 Track gearbox, disassembly1
 Track gearbox, disassembly2
 Track gearbox, installation1
 Track gearbox, installation2
 Track gearbox, maintenance standard
 Track gearbox, precautions for operation1
 Track gearbox, precautions for operation2
 Track gearbox, removal
 Track gearbox, tools
 Track motor, assembly
 Track motor, disassembly
 Track running speed
 Track, adjusting track sag
 Travel Speed
 Turbocharger, inspection
 Turbocharger, replacing
 Valves, adjusting1
 Valves, adjusting2
 V-ECU (MID187) Vehicle control unit, active measuring conditions
 V-ECU (MID187) Vehicle control unit, passive measuring conditions
 V-ECU, MID 187, changing non-Programd ECU
 V-ECU, MID 187, changing pre-Programd ECU
 Viscose mount, installation
 Viscose mount, removal
 Waste handler, maintenance
 W-ECU, MID142, changing non-Programd ECU
 W-ECU, MID142, changing pre-Programd ECU
Safety
 Cautions during operation
 General precautions
 Move and operate machine safely
 Preparations for work
Service Bulletins
 A1 solenoid valve coil
 Activating and releasing condition of Pre-heater protection
 Air conditioning compressor improvement 1
 Air conditioning compressor improvement 2
 Air conditioning compressor improvement
 Air conditioning heater hose clamp looseness
 Air conditioning switch
 Air conditioning system
 Air conditioning unit 1
 Air conditioning unit
 Arm improvement
 Attachment shims for clearance adjustment of pin joint
 Auto belt tensioner improvement
 Battery maintenance guideline for long term stock machines
 Battery master switch and bucket lifting hook
 Boom and dipper arm improvement
 Boom float option installation
 Boom pin improvement
 B-series Cab improvements
 Bucket improvement
 Bucket upper plate
 Bumper improvement
 Bushing improvement
 Cab door handle improvement
 Cab door sliding glass replacement procedure
 Cab door striker
 Cab filter cover sealing
 Cab roof window waterproofing procedure
 Cab weather strip replacement
 Cab wire harness
 Cable adjustment of Operator's seat lower slide rail
 Cable harness for air conditioning system
 CareTrack Telematics system
 CareTrack, new software version 2008w6
 CD & MP3 player
 Check method on engine oil consumption
 Circuit changes of the auxiliary diesel heater
 Clamping method improvement of the grease pipes on the dipper arms
 Coolant level sensor 1
 Coolant level sensor
 Coolant pump improvement 1
 Coolant pump improvement
 Cooling fan adapter broken
 Crankshaft and camshaft gear manufacturing improvements
 D4 – D7 Alternator improvement
 D4,D6,D7 Fan pulley bearing kit
 D4D Fuel hose improvement
 D4D Unit injection pump spring
 Dark colored fuel
 DC-DC converter
 Diesel fuels - quality and function
 Dipstick level gauge improvement for swing gearbox
 ECU, functional check
 E–ECU, Control unit engine
 Electric connector
 Electric horn improvement
 Electric horn replacement
 Electric horn
 Electrical load capacity
 EMR2 ECU failure
 Engine limp home switch wire harness
 Fan pulley bearing bracket improvement
 Fan pulley bearing improvement
 Fan pulley bearing improvement1
 Fuel cap improvement
 Fuel filler pump service kit
 Fuel filler pump
 Fuel filter and water separator replacement interval change
 Fuel level sender
 Fuel Level
 Fuel pump improvement
 Fuel sampling, method
 Fuel tank air breather kit
 Fuel tank drain valve
 Gas spring
 Genuine coolant use
 Grading kit  EC140B
 Grease nipple commonality
 Guidelines of the maximum permissible weight of application tools and load
 Handrail improvement
 Heat treatment process improvement of the track shoe
 Heat-resistant kit for RCV leakage
 Hour counter improvement
 Hydraulic couplings, description
 Hydraulic hose assembly leakage handling
 Hydraulic pipes improvement
 Hydraulic pressure, measuring and adjusting
 Hydraulic system flushing method
 Hydraulic tank air breather 1
 Hydraulic tank air breather
 Idler improvement
 Idler wheel and bushing improvement 1
 Idler wheel and bushing improvement
 I-ECU display
 Improved dipper arm cylinder lock nut
 Improved dipper arm cylinder lock nutq
 Improved Fuel Level Sender
 Improved heater core
 Improved preheating relay
 Improved Volvo quick-fit block
 Improvement of Main pump hose assembly
 Improvement of return check valve
 Injector yoke retention bolt loose
 Instrument control unit I-ECU, error symptom
 Instrument panel improvement
 Instrument panel improvement1
 Internal leakage
 KOR service bulletin number change
 Leakage at engine oil pump gasket
 Line rupture valve hose, improvement
 Lubrication point change on swing bearing
 Machine model
 Main pump noise and damage
 Main pump shaft seal leakage
 MCV arm holding valve block
 MCV pipe improvement
 Modification of CareTrack wire harness
 MS.Internal.Documents
 New air conditioning control switch
 New air conditioning switch
 New cassette radio
 New clamp
 New Compact Alternator
 New Compact Alternator2
 New coolant
 New drain pipe in the swing drive unit
 New fuel filling hoses
 New fuel suction cover
 New horn
 New I-ECU introduction
 New I-ECU
 New label on the fuel sender
 New oil change interval for Volvo bio hydraulic oil
 New product 1
 New product 2
 New product
 New Radio Antenna
 New slew ring gear seal 1
 New slew ring gear seal
 New starter motor
 New TechTool VCADS Pro interface
 New track chain
 New track guard
 New track master pin
 New Track roller_lower
 New track roller_upper 1
 New track roller_upper
 Oil analyses
 Oil sampling, method
 Oil sampling, sampling points
 Operating hour parameter
 Plastic shims for Boom Arm pin joints
 Poor grading with RCV
 Port relief valve improvement
 Portable refillable O-ring kits
 Pump seal improvement
 Quick coupler for pressure test port leakage
 QUICK FIT CHANGES
 QUICK FIT CYLINDER CHANGES
 Quickfit system, operation
 Radiator improvement information
 Rain visor
 Receiver drier improvement
 Receiver drier pressure switch
 Recoil spring grease valve
 Recoil spring improvement
 Recoil spring package rod
 Recommendations for Oil Sampling Intervals
 Repair Instruction for Auto Deceleration Function
 Reporting of product misuse & near-miss report
 Reports
 Rerouting of the Make-up hose
 Right-hand console box
 Rotating beacon lamp, tightening torque
 Sight gauge of fuel tank
 Socket
 Solenoid valve for rotator
 Solenoid valve improvement
 Special wire harness for elevated cabin
 Sprocket improvement 1
 Sprocket improvement
 Swing motor, improvement
 Swing ring gear seal 2
 Swing ring gear seal improvement
 Swing ring gear seal
 Swing stop on a slope improvement
 The checking method of cooling system
 Thermostat failure (D4, D5, D6 & D7)
 Tool box change
 Tool box improvement
 Track link repair kit
 Track link seizing
 Travel gear box hub improvement
 Travel motor
 Turbocharger checking instruction
 V-ECU Hardware
 V-ECU Programming
 Volvo Product incident accident report & Interview Form
 Washer check valve
 Water in fuel
 Water in the swing bath due to manufacturing defect
 Water separator improvement 1
 Water separator improvement 12
 Water separator improvement
 Water separator
 Windshield wiper  wiping range increase
 Wire harness protection cover
 X1 Line, hydraulic circuits
 X1 stop valve 1
 X1 stop valve
Special Tools, Misc
 GRD G700B LabourTimeGuide
 Recommended Special Tools
 RM Compaction ABG Time Guide
 RM Compaction Time guide
 RM Paving Systems ABG Time Guide
 Time Guide Current generation
 Time Guide Old generation
 Time Guide Previous generation
Specifications
 2-pump flow selector valve
 Adjustable boom and cylinder, specifications
 Adjustable boom and cylinder, specifications1
 Air conditioning unit, specifications
 Alternator, specifications (new)
 Alternator, specifications (new)1
 Alternator, specifications
 Alternator, specifications1
 Auto manual select switch, specifications
 Auto manual select switch, specifications1
 Battery disconnect switch, specifications
 Battery relay, specifications
 Battery, specifications
 Battery, specifications1
 Boom lifting cylinder, specifications
 Boom lifting cylinder, specifications1
 Boom, specifications1
 Boom, specifications2
 Bucket cylinder, specifications
 Bucket cylinder, specifications1
 Cab, specifications
 Control lockout lever switch, specifications
 Control lockout lever switch, specifications1
 Coolant level sensor, specifications
 Cooling fan, specifications
 Cooling fan, specifications1
 Cooling system, specifications1
 Cooling system, specifications2
 Counterweight, specifications
 Counterweight, tightening torques
 Current pressure, specifications
 Current pressure, specifications1
 DC–DC converter, specifications
 Diesel coolant heater (5kw), specifications
 Diesel coolant heater (5kw), specifications1
 Diesel coolant heater (10kw), specifications
 Dipper arm cylinder, specifications
 Dipper arm cylinder, specifications1
 Dipper arm, specifications1
 Dipper arm, specifications2
 Driver's seat, specifications
 Electric horn, specifications
 Electrical system, specifications
 Electrical system, specifications1
 Emergency engine speed control switch, specifications
 Engine - Pump control, specification1
 Engine - Pump control, specification2
 Engine - Pump control, specification3
 Engine control unit E-ECU, specifications1
 Engine control unit E-ECU, specifications2
 Engine oil pressure sensor, specifications
 Engine oil pressure sensor, specifications1
 Engine speed control switch, specifications1
 Engine speed control switch, specifications2
 Engine, specifications1
 Engine, specifications2
 Engine, specifications3
 Engine, specifications4
 Engine, specifications5
 Engine, specifications6
 Engine, weights
 Engine, weights1
 Frame and track unit, specifications
 Fuel Coolant temperature sensor, specifications
 Fuel feed pump, specifications1
 Fuel feed pump, specifications2
 Fuel filler pump, specifications
 Fuel level sensor, specifications
 Fuel level sensor, specifications1
 Fuel pressure, specifications2
 Fuel pressure, specifications3
 Fuel system, specifications1
 Fuel system, specifications2
 Fuel system, tightening torques
 Fuel system, tightening torques1
 Fuel system, tightening torques2
 Fuel tank, specifications
 Fuel tank, specifications1
 Fuse, specifications1
 Fuse, specifications2
 GPS control unit GPS-ECU, specifications
 Hammer return filter, specifications
 Hammer return filter, specifications1
 Hydraulic oil cooling system, specifications
 Hydraulic oil cooling system, specifications1
 Hydraulic pump, specifications
 Hydraulic tank, specifications
 Hydraulic tank, specifications1
 Instrument control unit I-ECU, specifications
 Instrument control unit I-ECU, specifications1
 Keypad, specification
 Line rupture valve (arm), specifications
 Line rupture valve (arm), specifications1
 Line rupture valve (boom), specifications
 Lower wiper motor, specifications
 Lubrication system, specifications
 Lubrication system, specifications1
 Main control valve, specifications1
 Main control valve, specifications2
 Measurement conversion tables
 Preheating, specifications
 Pressure accumulator, specifications
 Pressure accumulator, specifications1
 Proportional solenoid valve, specifications
 Proportional solenoid valve, specifications1
 Radio with CD and MP3 player, specifications
 Radio with CD and MP3 player, specifications1
 Radio with tape player, specifications (new type)
 Radio with tape player, specifications
 Regulator, specifications
 Regulator, specifications1
 Relay box, specifications1
 Relay box, specifications2
 Relay box, specifications3
 Remote control valve (Lever), specifications
 Remote control valve (Lever), specifications1
 Remote control valve (pedal), specifications
 Remote control valve (pedal), specifications1
 Resistance box, specifications
 Rotating beacon, specifications
 Rotator pump, specifications
 Safety start relay, specifications
 Servo hydraulic selector valve, specifications
 Servo hydraulic selector valve, specifications1
 Servo pump, specifications
 Slew gearbox, specifications
 Slow blow fuse, specifications
 Slow blow fuse, specifications1
 Solenoid valve for rotator1
 Solenoid valve for rotator2
 Solenoid valve, specifications
 Solenoid valve, specifications1
 Standard tightening torques
 Start switch, specifications
 Starter motor, specifications
 Starter motor, specifications1
 Swing motor, specifications1
 Swing motor, specifications2
 Swing motor, specifications3
 Swing ring gear, specifications
 Tightening torque, specifications
 Tightening torque, specifications1
 Tightening torque, specifications2
 Track gearbox, specifications
 Track motor, specifications1
 Track motor, specifications2
 Travel alarm, specifications
 Upper wiper motor, specifications
 Valve system specifications
 Valve system specifications1
 Vehicle control unit V-ECU, specifications (I-ECU equipped)
 Vehicle control unit V-ECU, specifications
 Vehicle control unit V-ECU, specifications1
 Vehicle control unit V-ECU, specifications2
 Waste handler, specification
 Work lights and extra lights, specifications
[Other Product]   

Related products