Volvo EC250E L Service Repair Manual
Data Size: 220.29 MB
File Type: PDF
Language: English
Manufacturer: Volvo
Applicable Machine: Excavator
Document: Service Repair Manual, Electrical Wiring Diagram, Hydraulic Diagram
Machine Model: Volvo EC250E L Excavator
Page: 5909 Pages
List Contents:
1 Volvo EC250E L
EC250E L Description
2 stage port relief valve, description
2 stage port relief valve, disassembly and assembly
3 way selector valve, description
ACM, IO list
Adjustable boom (1st boom), description
Adjustable boom (2nd boom), description
Adjustable boom cylinder, description
Adjustable boom valve, description
Air breather, description
Air conditioning unit, description
Air distribution, description
AL3201, description and measuring
Alternator, description
Alternator, test
Arm holding valve, description
Arm regenerating valve, description
Attachment quick coupler
Auto Idle
Automatic engine shut-down
Automatic lubrication system, description
Auxiliary heater, description
Auxiliary heater, principles
Auxiliary start
BA3101, description and measuring
Battery charging capacity, checking
Battery, description
Battery, storage
BB1 Communication bus, description and measuring
BB2 Communication bus, description and measuring
Bearings
Bleeding air
Boom cylinder, description
Boom float position, description
Boom holding valve, description
Boom regenerating valve, description
Boom, description
Boost control, description
Bottom roller, description
Bucket cylinder, description
Bucket flow control valve, description
Bucket regenerating valve, description
Cab air pre-cleaner, description
Cab suspension, description
CareTrack W-ECU, description
CareTrack with anti-theft
CCM, IO list1
CCM, IO list2
Center bypass valve, description
Center passage, description
Central lubrication system, description
Change capacities
Charging, description
Check valve, description
Cleaning prior to repair
Collection of basic data
Component designations
Component list Alternator, batteries, capacitors, electronic units, voltage outlet
Component list, Fuses
Component list, Heating coils
Component list, Lights
Component list, Miscellaneous
Component list, Motors
Component list, Relays
Component list, Sensors
Component list, Solenoid valves
Component list, Switches
Conditions when checking
Conflux check valve, description
Connectors, overview
Control lockout lever switch, description
Control pattern selector valve, description
Control units, software functions
Coolant with anti-freeze and corrosion protection, recommendation
Cooling fan control
Cooling system, component location
Cooling system, description
Counterweight, description
Crankcase ventilation, description
CU9901, description and measuring
Cylinder, description
Cylinder, troubleshooting
DC–DC converter, description
Description, general
Dipper arm cylinder, description
Dipper arm, description
Disassembly and assembly, general
Door, replacing
Driver's seat, description
ECM, IO list
ECO mode, description
Electrical distribution box, circuit board replacing
Electrical distribution box
Electrical symbols and designations
Electrical system, description
Electrical system, special instructions for servicing, action when working on machine
Electrical system, special instructions for servicing, electrical components, alternator and charging regulator
Electrical system, special instructions for servicing, electrical components, batteries
Electrical system, special instructions for servicing, electronic components
Electrical system, special instructions for servicing, general
Electrical system
Electro hydraulic pump control, description
Electronic control system, description
Engine limp home switch, description
Engine start
Engine stops
Engine system
Engine, description
Error codes, build-up
Exhaust Aftertreatment System, component location
Exhaust Aftertreatment System, description
Exhaust gas recirculation (EGR), component location
Exhaust Gas Recirculation (EGR), description
Explanation of wiring diagrams
Fan motor, description
Fan motor, troubleshooting
Fan pump, description
Fire suppression system, component description
Fire suppression system, functional description
Flow control valve, description
Frame and track unit, description
Fuel system, component location
Fuel system, description
Function description
Function description1
Fuse, description
FX1005, description and measuring
FX1006, description and measuring
FX1007, description and measuring
FX1008, description and measuring
FX1054, description and measuring
FX1074, description and measuring
FX1079, description and measuring
General fault diagnosis information
General purpose machine electronic control unit GPMECU, function description
GPMECU1, IO list
Grading and lifting control, description
Hammer and shear pedal valve (RCV), replacing
Hammer return filter, description
HE2501, description and measuring
HE2511, description and measuring
HE2512, description and measuring1
HE2512, description and measuring2
HE2513, description and measuring
Heating system, description
HMICU, IO list
Hoses and tubes
Human machine interface control unit HMICU, function description
HVAC system
Hydraulic components, description
Hydraulic components, storage and transport
Hydraulic cylinders, dieseling
Hydraulic oil cooling system, description
Hydraulic oil tank, description
Hydraulic oil, description
Hydraulic oil, storage and handling
Hydraulic pump, description
Hydraulic quickfit, description
Hydraulic system, cleanliness when handling hydraulic components
Hydraulic system, description
Hydraulic system, position of main components
Hydraulic system, repair of hydraulic components in workshop
Hydraulic system, work instructions
Hydraulic system
IC, IO list
Idler, description
Ignition switch, description and operation
Ignition switch, replacing
Information display, check
Inlet and exhaust system, description
Instruments and controls, front instrument panel
Instruments and controls, left instrument panel
Instruments and controls, overview
Instruments and controls, rear instrument panel
Instruments and controls, right instrument panel
Intermittent wiper and washer
Keypad, description
Lead and connector checks
Limp home
Line rupture valve (arm), air breathing
Line rupture valve (arm), description
Line rupture valve (boom), air breathing
Line rupture valve (boom), description
Line rupture valve (boom), troubleshooting
Line rupture valve relief pressure, measurement
Link, description
Load check valve - single, description
Lower wiper motor, description
Lubricating system, description
MA2301-MA2306, description and measuring
MA2517, description and measuring
MA2519, description and measuring
MA2602, description and measuring
MA9109 Quickfit solenoid valve, description
MA9109, description and measuring
MA9116, description and measuring
MA9117, description and measuring
MA9120, description and measuring
MA9125, description and measuring
Machine view
Main control valve troubleshooting
Main control valve, description
Main control valve, port size and tightening torque
Main relief valve, description
Make up valve, description
MO2505, description and measuring
MO3301, description and measuring
Mode selection, description
Overload warning
Overview
Port relief valve, description
Power supply CCM, description and measuring
Power supply ECM, description and measuring
Power supply GPMECU 1, description and measuring
Power supply HMICU, description and measuring
Power supply W-ECU, description and measuring
Power supply, ACM (Aftertreatment Control Module), description and measuring
Power transmission, description
Preheating, description
Pressure accumulator, description
Pressure relief valve, troubleshooting
Pressure testing
Product plates
Proportional relief valve, description
Proportional solenoid valve, description
Proportional solenoid valve, description1
Proportional solenoid valve, troubleshooting
Pump, troubleshooting
PWM2303, description and measuring
PWM2602, description and measuring
PWM9109, description and measuring
PWM9123, description and measuring
PWM9124, description and measuring
PWM9129, description and measuring
PWM9141, description and measuring
PWM9142, description and measuring
PWM9143, description and measuring
PWM9145, description and measuring
PWM9146, description and measuring
PWM9156, description and measuring
PWM9157, description and measuring
Quickfit system, operation
Radio with MP3, description
Radio, description
Radio, replacing
RE2501, description and measuring
RE3101, description and measuring
RE3102, description and measuring
RE3502, description and measuring
RE3507, description and measuring
RE3508, description and measuring
RE3511, description and measuring
RE3607, description and measuring
RE3608, description and measuring
RE4206, description and measuring
Regulator, description
Regulator, disassembly and assembly
Relay, description
Remote control valve (Lever), description
Remote control valve (Lever), troubleshooting
Remote control valve (pedal), description
Remote control valve (pedal), replacing
Remote control valve (pedal), troubleshooting
Replacement parts
Reversible cooling fan, description
Rotating beacon, replacing
Rotator (X3 Line option), description
Rotator pump, description
SAE J1939-1 SubNet 1, description and measuring
Safety when servicing
SE2203, description and measuring
SE2301, description and measuring
SE2303, description and measuring
SE2309, description and measuring
SE2511, description and measuring
SE2512, description and measuring
SE2513, description and measuring
SE2515, description and measuring
SE2516, description and measuring
SE2519, description and measuring
SE2521, description and measuring
SE2522, description and measuring
SE2526, description and measuring
SE2533, description and measuring
SE2543, description and measuring
SE2544, description and measuring
SE2603, description and measuring
SE2604, description and measuring
SE2606, description and measuring
SE2701, description and measuring
SE2703, description and measuring
SE8701, description and measuring
SE8702, description and measuring
SE8705, description and measuring
SE8706, description and measuring
SE9105, description and measuring
SE9121, description and measuring
SE9122, description and measuring
SE9123, description and measuring
SE9124, description and measuring
SE9125, description and measuring
SE9126, description and measuring
SE9127, description and measuring
SE9128, description and measuring
SE9130, description and measuring
SE9131, description and measuring
SE9132, description and measuring
SE9136, description and measuring
SE9141, description and measuring
SE9142, description and measuring
SE9401, description and measuring
Seat belt
Selection of track shoes
Service methods
Service mode
Service positions
Service
Servo hydraulic block
Servo pump, description
Shuttle valve block, description
Single pedal stopper position
Slew flow control valve, description
Software parameters, description
Solenoid valve (1) for hammer and shear selection
Solenoid valve, description
Solenoid valve, description1
Solenoid valve, troubleshooting
Special tools for troubleshooting
Spring package, assembly dimension
Starter motor, description
Starter switch, testing
Starting operation1
Starting operation2
Stop valve
Straight travel pedal, description
Superstructure, installing
SW2506, description and measuring
SW3301, description and measuring
SW9161, description and measuring
SW9162, description and measuring
Swing gearbox, description
Swing motor, description
Swing ring gear inner seal, replacing
Swing ring gear, description
System voltage
Tech Tool, operations
Tech Tool, operations1
Tech Tool, operations2
Tech Tool, operations3
Tech Tool, operations4
Tech Tool, operations5
Tightening torque, specifications
Top roller, description
Track chain, description
Track gearbox, description
Track guards
Track motor, description
Track motor, maintenance standard
Travel alarm, replacing
Travel alarm
Travel Speed
Troubleshooting strategy1
Troubleshooting strategy2
Troubleshooting
Troubleshooting1
Undercarriage, description
Upper wiper motor, description
Voltage converter, replacing
W-ECU, IO list
Welding on the machine
Window limit switch, description
Windows, general
Windscreen wiper, description
Wire harness layout
Wiring diagram, electrical distribution box
Wiring diagram1
Wiring diagram2
Work lights and extra lights, description
X1 control, description
X1 Line, description
X1 Pre-set relief valve, description
X1 Pre-set relief valve, disassembly and assembly
X3 control, description
EC250E L Diagrams
Explanations to hydraulic diagram
Hydraulic diagram, standard
Hydraulic diagram, with option components
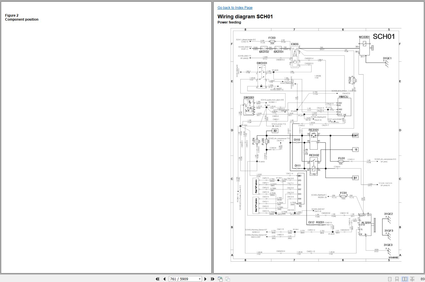
Wiring diagram SCH01-1
Wiring diagram SCH01-2
Wiring diagram SCH02-1
Wiring diagram SCH02-2
Wiring diagram SCH03-1
Wiring diagram SCH03-2
Wiring diagram SCH04
Wiring diagram SCH05-1
Wiring diagram SCH05-2
Wiring diagram SCH07-1
Wiring diagram SCH07-2
Wiring diagram SCH08-1
Wiring diagram SCH08-2
Wiring diagram SCH10-1
Wiring diagram SCH10-2
Wiring diagram SCH11-1
Wiring diagram SCH11-2
Wiring diagram SCH12-1
Wiring diagram SCH12-2
Wiring diagram SCH13-1
Wiring diagram SCH13-2
Wiring diagram SCH14-1
Wiring diagram SCH14-2
Wiring diagram SCH15-1
Wiring diagram SCH15-2
Wiring diagram SCH16-1
Wiring diagram SCH16-2
Wiring diagram SCH17-1
Wiring diagram SCH17-2
Wiring diagram SCH18-1
Wiring diagram SCH18-2
Wiring diagram SCH20-1
Wiring diagram SCH20-2
Wiring diagram SCH25-1
Wiring diagram SCH25-2
Wiring diagram SCH26
Wiring diagram SCH29
Wiring diagram SCH30-1
Wiring diagram SCH30-2
EC250E L Installation Instruction
Arm cylinder hose rupture protection piping, installing new
Boom cylinder hose rupture protection piping with over load signal , installing new
CareTrack, installing new
Engine heater 120V, installing new
Engine heater 240V, installing new
FOG (Falling Object Guard), installing new1
FOG (Falling Object Guard), installing new2
FOPS (Falling Object Protecting Structure), installing new
Hammer hydraulic option, installing new
Oil leak line boom piping, installing new
Oil leak line on base machine, installing new
Pre-cleaner cyclone type, installing new
Pre-cleaner oil bath type, installing new
Rear view camera, installing new1
Rear view camera, installing new2
Rotating beacon, installing new
Seats with heating, installing new
Travel alarm, installing new
EC250E L Repair
2 stage port relief valve, adjustment
Accumulator, replacing
ACM (After treatment control module), replacing, non-Programd
ACM (After treatment control module), replacing, pre-Programd
AdBlue® DEF dosing injector, replacing
AdBlue® DEF mixing tube, replacing
AdBlue® DEF pump unit filter, replacing
AdBlue® DEF pump unit, filter, replacing
AdBlue® DEF pump unit, replacing
AdBlue® DEF tank, breather filter, replacing
AdBlue® DEF tank, replacing
AdBlue® DEF tank, tank armature, replacing
AdBlue® DEF, draining
Adjustable boom valve, disassembly
Air compressor, air filter, cleaning
Air compressor, air filter, replacing
Air compressor, air tank water, draining
Air conditioner main filter, cleaning
Air conditioner main filter, replacing
Air conditioning unit, maintenance
Air conditioning unit, refrigerant check and recharging
Air mix door actuator, replacing
Alternator, replacing incl function check
Antenna, replacing
Arm holding valve, disassembly and assembly
Arm parallel conflux check valve, disassembly and assembly
Arm parallel conflux valve, disassembly and assembly
Arm regenerating valve, disassembly
Backrest, replacing
Batteries, replacing
Battery, charging
Battery, checking
Boom back pressure check valve, disassembly
Boom cylinder protecting guard, installation
Boom cylinder protecting guard, removal
Boom cylinder, replacing
Boom holding valve, disassembly
Boom, replacing
Bottom roller, measurement of wear
Bottom roller, replacing one
Bottom roller, replacing seal
Breather, replacing
Bucket cylinder bushing lever-link, replacing
Bucket cylinder bushing on dipper arm, changing
Bucket cylinder protecting guard, installation
Bucket cylinder protecting guard, removal
Bucket cylinder, replacing
Bucket flow control valve, disassembly
Bucket regenerating valve, disassembly
Cab door, covers, hinges, joints and locks, lubricating
Cab filter, replacing
Cab prefilter, cleaning
Cab prefilter, replacing
Cab, installing
Cab, removing
Carbon dioxide in coolant system, checking
Carbon dioxide in fuel system, check
CareTrack antenna, replacing
CareTrack backup battery, replacing
CareTrack battery, replacing
CCM, changing non-Programd ECU
CCM, changing pre-Programd ECU
Center passage, assembly
Center passage, disassembly
Center passage, maintenance standard
Center passage, replacing seal kit
Center passage, replacing
Coasting left and right swing
Component locations
Compression test
Compressor, replacing incl draining and filling
Compressor, replacing magnetic clutch (compressor removed)
Condenser, replacing incl draining and filling
Connecting rod yoke, replacing
Control lockout lever switch, replacing
Control valve, replacing
Coolant freezing point, checking
Coolant pump, replacing
Coolant valve, replacing
Coolant, changing
Coolant, changing1
Cooler and Heater assembly, replacing
Counterweight, fitting
Counterweight, removing
Creeping of hydraulic cylinder
Cylinder speed
Cylinder, disassembly and assembly
Diesel oxidation catalyst, replacing
Diesel particulate filter, check and clean
Diesel particulate filter, checking and cleaning
Diesel particulate filter, regenerating
Digging unit, maintenance
Dipper arm connecting rod, replacing
Dipper arm cylinder bushing on boom, replacing
Dipper arm cylinder bushing on dipper arm, replacing
Dipper arm cylinder, replacing
Dipper arm, replacing
Door window, replacing
Earth lead to battery, replacing
ECM (Engine control module), replacing non-Programd
ECM (Engine control module), replacing pre-Programd
EGR Actuator, replacing
EGR cooler, replacing
EGR reed valve, replacing
EGR Venturi tube, replacing
Electric pedal control on X1 (on off), replacing
Electric pedal control on X1 (proportional), replacing
Electrical battery disconnect switch, replacing
Engine air cleaner primary filter, replacing
Engine air cleaner secondary filter, replacing
Engine belt condition, checking
Engine belts, replacing
Engine oil and filter, changing
Engine oil pressure sensor, replacing
Engine rotation speed sensor (camshaft), replacing
Engine rotation speed sensor (crank shaft), replacing
Engine temperature sensor, replacing
Engine wire harness, replacing
Engine, installing
Engine, removing
E-tools, NET 8940-00300 Swing ring gear guide pin
E-tools, NET 8940-00420 Replace tool for the swing ring gear
Evaporator, replacing incl draining and filling
Exhaust pipe, flexible tube, replacing
Expansion tank, replacing
Expansion valve, replacing incl draining and filling
Fan motor, assembly
Fan motor, disassembly
Fan motor, replacing
Fan pump, assembly1
Fan pump, assembly2
Fan pump, disassembly1
Fan pump, disassembly2
Fan pump, parts inspection
Feed pump, checking feed pressure
Fire suppression system, actions after activation
Fire suppression system, actions after manual activation
Fire suppression system, component location
Flow control valve, disassembly and assembly
Front idler, replacing one
Fuel control valve (FCV), replacing
Fuel filter, replacing
Fuel level sender, replacing
Fuel rail pressure sensor, replacing
Fuel rail, replacing
Fuel system, bleeding
Fuel tank breather filter, replacing
General, precautions
GPMECU1, changing non-Programd ECU
GPMECU1, changing pre-Programd ECU
Heater core, replacing
High pressure fuel pipes, replacing
High pressure fuel pump, replacing
HMICU, changing non-Programd ECU
HMICU, changing pre-Programd ECU
Horn, replacing
Hour meter, replacing
Hydraulic oil drain filter, replacing
Hydraulic oil level, checking1
Hydraulic oil level, checking2
Hydraulic oil return filter, replacing
Hydraulic oil servo filter, replacing
Hydraulic oil suction strainer, cleaning
Hydraulic oil tank breather filter, replacing
Hydraulic oil tank, vacuum-pumping, connecting and disconnecting pump
Hydraulic oil temperature sensor, replacing
Hydraulic oil, changing
Hydraulic pump (removed), changing shaft seal
Hydraulic pump coupling, description
Hydraulic pump, replacing
Hydraulic quickfit, adjustment
Hydraulic return filter on X1 option circuit, replacing
Idler, assembly
Idler, disassembly
Idler, measurement of wear
Injector sleeves, replacing
Injectors, replacing all
Inlet and exhaust system, component location
Inlet throttle, replacing
Instrument panel, replacing (left)
Instrument panel, replacing (right)
Intake actuator, replacing
Intercooler, replacing
Line rupture valve (arm), assembly
Line rupture valve (arm), disassembly
Line rupture valve (boom), assembly
Line rupture valve (boom), disassembly
Line rupture valve pressure, checking and adjusting
Load check valve – single, disassembly and assembly
Longitudinal adjustment cable, replacing
Longitudinal suspension cable, replacing
Lower boom cylinder bushing, replacing
Lubrication oil pressure, checking with pressure gauge
Lubrication system, component locations
Lubrication, every 50 hours
Machine view, waste handler
Main pressure relief valve, replacing
Main relief valve, adjustment
Main relief valve, disassembly and assembly
Main spool, disassembly and assembly
Maintenance service, every 10 hours
Maintenance service, every 50 hours
Maintenance service, every 250 hours
Maintenance service, every 500 hours
Maintenance service, every 1000 hours
Maintenance service, every 2000 hours
Maintenance service, every 4000 hours
Maintenance service, every 4500 hours
Maintenance service, every 6000 hours
Maintenance service, first 500 hours
Maintenance service, general
Make up valve, disassembly
MATRIS and Tech Tool, reading
Measuring condition
Measuring of swing bearing clearance
Mode (foot) actuator, replacing
NET 8940-00190 Travel motor guide pin
Oil cooler fan pump, replacing
Oil cooler line bypass valve (check valve), replacing
Oil cooler, replacing
Oil level gauge, replacing
Oil level sensor, changing
Oil-bath air cleaner reservoir filter insert, cleaning
Oil-bath air cleaner reservoir oil, changing
Oil-bath air cleaner reservoir oil, checking
Port relief valve pressure, checking and adjusting
Port relief valve, disassembly and assembly
Power take-off (PTO), replacing
Pre-heating relay, replacing
Pressure relief valve (PRV), replacing
Proportional solenoid valve (power shift), replacing
Proportional solenoid valve, measuring and adjustment
Pump gearbox coupling assembly, replacing
Pump regulator, replacing
Pump, assembly
Pump, disassembly
Pump, installation
Pump, maintenance standard
Pump, tools
Quickfit, replacing1
Quickfit, replacing2
Radiator and hydraulic oil cooler, cleaning
Radiator, replacing
Rear window, replacing
Rear-view mirror, changing
Receiver, replacing incl draining and filling
Recoil spring cylinder seal kit, replacing
Remote control valve (Lever), assembly
Remote control valve (Lever), disassembly
Remote control valve (Lever), maintenance standard
Remote control valve (lever), replacing
Remote control valve (pedal), assembly
Remote control valve (pedal), disassembly
Remote control valve (pedal), maintenance standard
Ring gear grease pipe, replacing
Rotator pump, assembly
Rotator pump, disassembly
Rotator valve, adjustment
Rupture valve, replacing (boom cylinder)
Rupture valve, replacing (dipper arm cylinder)
SCR muffler, replacing
SCR system, dosing test
Seat cushion, replacing
Seat heater, checking
Seat support, replacing
Seat, replacing
Servo hydraulic pressure, adjustment
Servo pump, assembly1
Servo pump, assembly2
Servo pump, disassembly1
Servo pump, disassembly2
Servo pump, parts inspection
Servo pump, replacing
Side window, replacing
Slew flow control valve, disassembly and assembly
Solenoid valve, disassembly and assembly
Solenoid valve, inspection
Solenoid valve, replacing
Speaker, replacingSpeaker, replacing
Spring package, assembly
Spring package, disassembly
Sprocket, measurement of wear
Sprocket, replacing one
Starter motor, replacing
Starter motor, tests
Straight traveling performance
Superstructure, removing
Swing bath grease, checking
Swing gearbox oil level, checking
Swing gearbox oil, changing
Swing gearbox, assembly
Swing gearbox, disassembly
Swing gearbox, maintenance standard
Swing gearbox, replacing
Swing motor relief valve, replacing
Swing motor removed, replacing seal
Swing motor, assembly
Swing motor, disassembly
Swing motor, maintenance standard
Swing motor, replacing brake piston seal
Swing motor, replacing plate (brake)
Swing motor, replacing
Swing ring gear bearing, lubricating
Swing ring gear cover, installation
Swing ring gear cover, removal
Swing ring gear outer seal, replacing
Swing ring gear, replacing
Swing speed
Swing unit, replacing
Test running and checking
Thermostat, replacing
Tool box assembly, replacing
Tools & equipment
Top roller, measurement of wear
Top roller, replacing one
Track chain assembly, installing
Track chain assembly, removing
Track chain, measurement of wear
Track gearbox (removed), replacing floating seal1
Track gearbox (removed), replacing floating seal2
Track gearbox oil level, checking
Track gearbox oil, changing
Track gearbox, maintenance standard
Track gearbox, replacing cover
Track guard, replacing one
Track link, dimension
Track links, replacing
Track motor relief valve, replacing
Track motor, assembly
Track motor, disassembly
Track motor, replacing
Track recoil spring (tensioner) assembly, replacing
Track running speed
Track shoe bolts, checking
Track shoe, replacing one
Track tension and condition, checking
Track unit, replacing
Track, adjusting track sag
Travel Speed
Turbocharger, replacing
Upper boom cylinder bushing, replacing
Valve cover, installing
Valve cover, removing
Valves, adjusting
Valves, adjusting1
Vent actuator, replacing
Waste gate, testing
Water separator filter, replacing
W-ECU, replacing, non-Programd
W-ECU, replacing, pre-Programd
Windscreen flusher pump, replacing
Windscreen wiper front, replacing motor
Windscreen wiper, replacing switch
Windscreen, replacing
Work lighting, replacing one head lamp assy
X1 Pre-set relief valve, adjusting
EC250E L Safety
Cautions during operation
CE-marking, EMC-directive
Checklist after a fire or heat exposure
Decontamination
Environmental handling for the future
Environmentally hazardous fluids
Environmentally safe handling
Fire prevention measures
Health hazards with paint, plastics and rubber
Move and operate machine safely
Safety concerns everybody!
Safety rules when servicing
Safety when handling oils and fuel
Safety when handling the machine
Safety when using lifting equipment
Safety when working with air conditioning refrigerant
Safety when working with batteries
Safety when working with hydraulic systems
Service position 1
Starting with booster batteries
Waste handling
Working in environmentally contaminated areas
EC250E L Service Bulletins
Air conditioning heater hose clamp looseness
Battery maintenance guideline for long term stock machines
CareTrack Telematics system
CareTrack, new software version 2008w6
Check method on engine oil consumption
DEF AdBlue AUS32 sampling, method
ECU, functional check
Fuel sampling, method
Hydraulic hose assembly leakage handling
Hydraulic system flushing method
Machine model
Modification of CareTrack wire harness
New product
New product1
New product2
New TechTool VCADS Pro interface
Oil sampling, method
Oil sampling, sampling points
Portable refillable O-ring kits
Recommendations for Oil Sampling Intervals
Reporting of product misuse & near-miss report
Reports
Routines for reporting cracks on Boom and Arm
The authorization for new Anti-theft function
Volvo Product incident accident report & Interview Form
W-ECU antenna connector
EC250E L Special Tools, Misc
GRD G700B LabourTimeGuide Old version
RM Compaction ABG Time Guide Old
RM Compaction Time guide old version
RM Paving Systems ABG Time Guide Old
Special tool catalog
Special Tools Recommendations
Time Guide Current generation
Time Guide Old generation
Time Guide Previous generation
EC250E L Specifications
AdBlue® DEF
AdBlue® DEF1
Adjustable boom cylinder, specifications
Adjustable boom, specifications
Air conditioning unit, specifications
Alternator, specifications
Automatic lubrication system, specifications
Auxiliary heater, specifications
Battery, specifications
Boom cylinder, specifications
Boom, specifications
Bucket cylinder, specifications
Cab, weight
Center passage, specifications
Control lockout lever switch, specifications
Control pattern selector valve, specifications
Coolant with freezing and corrosion protection
Coolant
Cooling system, specifications
Cooling system, tightening torques
Counterweight, specifications
Counterweight, tightening torques
Current pressure, specifications
DC–DC converter, specifications
Dipper arm cylinder, specifications
Dipper arm, specifications
Driver's seat, specifications
EGR system, tightening torques
Electric horn, specifications
Electrical system, specifications
Engine - Pump control, specification
Engine limp home switch, specifications
Engine oil
Engine, specification
Engine, tightening torques
Fire suppression system, specification
Frame and track unit, specifications
Fuel filler pump, specifications
Fuel system, specifications
Fuel system, tightening torques
Fuel
Grease
Hammer return filter, specifications
Hydraulic oil cooling system, specifications
Hydraulic oil
Hydraulic pressure, specifications
Hydraulic pump, specifications
Hydraulic tank, specifications
Ignition switch, specifications
Inlet and exhaust system, specification
Inlet and exhaust system, tightening torques
Keypad, specification
Line rupture valve (arm), specifications
Line rupture valve (boom), specifications
Lower wiper motor, specifications
Lubrication system, specifications
Lubrication system, tightening torques
Machine weight, specifications
Main control valve, specifications
Measurement conversion tables
Preheating, specifications
Pressure accumulator, specifications
Proportional solenoid valve, specifications
Proportional solenoid valve, specifications1
Radio with MP3, specifications
Recommended hydraulic oil, specifications
Recommended lubricants
Relay, specifications
Remote control valve (Lever), specifications
Remote control valve (pedal), specifications
Remote control valve (pedal), specifications1
Rotating beacon, specifications
Rotator pump, specifications
Servo pump, specifications
Solenoid valve for rotator
Solenoid valve, specifications
Solenoid valve, specifications1
Standard tightening torques
Starter motor, specifications
Swing gearbox, specifications
Swing motor, specifications
Swing ring gear, specifications
Tightening torque, specifications
Tightening torque, specifications1
Tightening torque, specifications2
Tightening torque, specifications3
Tightening torque, specifications4
Tightening torques
Tightening torques1
Tightening torques2
Tightening torques3
Tightening torques4
Track gearbox, specifications
Track motor, specifications
Track shoes
Travel alarm, specifications
Undercarriage, tightening torque
Upper wiper motor, specifications
Valve mechanism, specifications
Windscreen flusher pump, specifications
Work lights and extra lights, specifications
X1 Remote control valve (pedal), specifications1
X1 Remote control valve (pedal), specifications2


