0Your Cart$0.00
Shopping Cart (0)
No products in the cart.

Volvo EC27C Excavator Service Repair Manual

$50.00$50.00
In stock
SKU:
Categories:Manual PDF
Shipping By Link Download
Shipping By Link Download
Secure Private Information
Secure Private Information
Guarantee Secure Payment
Guarantee Secure Payment

Support Contact:

Admin@autoepcsoft.org

Volvo EC27C Excavator Service Repair Manual

Size: 85.46 MB
Format: PDF
Language: English
Machine: Excavator 
Machine Model: EC27C
Document: Service Repair Manual, Electrical Wiring Diagram, Hydraulic Diagram
Pages: 4801 Pages

The Bookmarks of Volvo EC27C Excavator Service Repair Manual:
1 Volvo EC27C
Description
 Accumulator, description
 Air cleaner, description
 Antitheft device, first activation of a new A-ECU
 Auto idling device, description
 Balancing valve on offset cylinder
 Cable and component marking explanations
 Cable harnesses, description Wiring harness, Engine
 Cable harnesses, description Wiring harness, Hydraulics1
 Cable harnesses, description Wiring harness, Hydraulics2
 Cable harnesses, description Wiring loom, cab platform1
 Cable harnesses, description Wiring loom, cab platform2
 Cable harnesses, description Wiring loom, frame 2
 Cable harnesses, description Wiring loom, frame1
 Cables, description
 Camshaft, description
 Checking electrical cabling and connectors
 Cleaning prior to repair
 Cleanliness, braking and hydraulic system
 Cold start device, description
 Collection of basic data
 Component locations
 Control levers, description
 Coolant
 Cooling system, description
 Counterweight, description
 Crankshaft, description
 Cylinder block, description
 Cylinder head, description
 DC current measurement
 DC voltage measurement
 Description, general
 Diode check procedure
 Electrical symbols and designation
 Electrical system, special instructions for servicing, action when working on machine
 Electrical system, special instructions for servicing, electrical components, batteries
 Electrical system, special instructions for servicing, electronic components
 Electrical system, special instructions for servicing, general
 Engine, description
 Fuel feed pump, description
 Fuel filter water separator, description
 Fuel system, description
 Fuel tank, description
 Fuel, recommendation
 Fuse, description
 General notes to be observe when working on power transmission assemblies
 General notes when working on hydraulic system
 Hydraulic components, storage and transport
 Hydraulic control unit, H-ECU, functions check
 Hydraulic cylinders, dieseling
 Hydraulic oil cooler, description
 Hydraulic oil, description
 Hydraulic oil, storage and handling
 Infrared Thermometer
 Injection pump, description
 Injectors, description
 Instrument panel, description
 Instrument panel, operation
 Lubricants, specifications
 Lubrication system, description
 Main control valve, description1
 Main control valve, description2
 Measuring components
 Oil pump, description
 Option anti-theft, instruction
 Pistons, description
 Pressure adjustment and leaks checking
 Product plate, description
 Proportional valve, right left selector
 Pump, troubleshooting
 Repairing hydraulic system
 Resistance measurement
 Schematic
 Service and maintenance
 Servo valve, description
 Shuttle valve, swing brake
 Six way valve, offset optional equipment
 Slew motor, break release valve1
 Slew motor, break release valve2
 Slew motor, description1
 Slew motor, description2
 Starting engine with booster cables
 Swivel joint, description
 Timing gear, description
 Towing, measures
 Track motor, troubleshooting
 Transporting and lifting the machine
 Travel motor, description
 Troubleshooting tips
 Troubleshooting, assistant devices
 Troubleshooting, general
 Undercarriage, description
 Valve cover, description and operation
 Valve mechanism, description
 Vehicle control unit V-ECU, description
 Vehicle ECU functions, check
 Welding on the machine
Diagrams
 Hydraulic diagram 1 Attachment bracket X2 hydraulic pump
 Hydraulic diagram 2 Bucket cylinder
 Hydraulic diagram 3 Arm cylinder line break protection
 Hydraulic diagram 4 Dozer blade cylinder
 Hydraulic diagram 5 Right track motor
 Hydraulic diagram 6 Left track motor
 Hydraulic diagram 7 Swivel motor
 Hydraulic diagram 8 Boom cylinder line break protection overload warning
 Hydraulic diagram 9 Grapple X1 X2 offset boom
 Hydraulic diagram 10 Precontrol circuit
 Hydraulic diagram, complete1 Figure1
 Hydraulic diagram, complete1
 Hydraulic diagram, complete2 Figure 1
 Hydraulic diagram, complete2
 Hydraulic diagram, control pattern selector valve
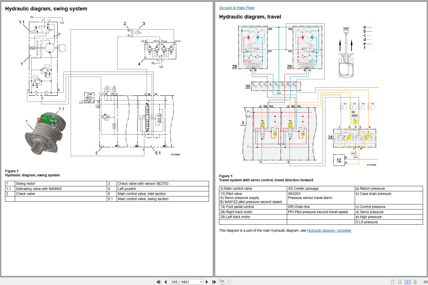
 Hydraulic diagram, swing system
 Hydraulic diagram, travel
 Wiring Diagram 1 Alternator - battery - control block lever - starter - engine preheater1
 Wiring Diagram 1 Engine part Battery supply - pre-heating and cranking circuit
 Wiring Diagram 2 Automatic speed control - engine shutdown - fuel indicator - fuel feed pump
 Wiring Diagram 2 Engine part Fuel supply
 Wiring Diagram 3 Attachment bracket - overload warning - switch arm extension extra equipment
 Wiring Diagram 3 Hydraulic system
 Wiring Diagram 4 Hydraulic system
 Wiring Diagram 4 X1 - proportional switch (right) - selector switch right left - hose breakage protection - flow quantity controller
 Wiring Diagram 5 Hydraulic system
 Wiring Diagram 5 X2 – 2. Driving speed
 Wiring Diagram 6 Work light - marker lights
 Wiring Diagram 6 Working lights
 Wiring Diagram 7 Overload warning - power socket - horn - travel alarm - seat belt
 Wiring Diagram 7 Safety and signal equipment
 Wiring Diagram 8 Cab and accessory
 Wiring Diagram 8 Radio - antenna - speaker - windscreen cleaner - cab lighting
 Wiring Diagram 9 AC system - cab heating
 Wiring Diagram 9 Cab and accessory
 Wiring Diagram 10 Electronic
 Wiring Diagram 10 Instrument panel
 Wiring Diagram 11 Anti theft care track
 Wiring Diagram 11 Immobilizer
 Wiring diagram, general
Installation Instruction
 2nd auxiliary, optional arm length, installing new
 2nd auxiliary, standard arm, installing new
 Additional tank line (optional dipper length), installing new
 Additional tank line, installing new
 Anti-Theft-Device
 CareTrack, installing new
 Control pattern (SAE, ISO or X-pattern), change
 FOG (Falling Object Guard), installing new1
 FOG (Falling Object Guard), installing new2
 Hose rupture valve, installing new1
 Hose rupture valve, installing new2
 Manual quick attachment, installing new
 Protecting screen, installing new
 Quick attachment, double acting, long arm, installing new
 Quick attachment, double acting, short arm, installing new
 Quick attachment, single acting, long arm, installing new
 Quick attachment, single acting, short arm, installing new
 Quick fit on dipper arm, installing new
 Rotating Beacon
 Travel alarm
 Work light on mono boom, installing new
 X1 Flow adjustment potentiometer, installing new
Repair
 Air cleaner primary filter, change
 Air cleaner secondary filter, change
 Air cleaner, installing
 Air cleaner, removing
 Alternator, installing
 Alternator, removing
 Automatic idling device, installing
 Automatic idling device, removing
 Batteries, replacing
 Battery condition, check
 Battery condition, check1
 Boom cylinder, installation
 Boom cylinder, removal1
 Boom cylinder, removal2
 Boom, installation
 Boom, removal1
 Boom, removal2
 Bottom roller, installing
 Bottom roller, removing
 Bucket cylinder, installation
 Bucket cylinder, removal1
 Bucket cylinder, removal2
 Cab platform, installation1
 Cab platform, installation2
 Cab platform, removal1
 Cab platform, removal2
 Cab platform, removal3
 Cab, installing
 Cab, main filter, replacing
 Cab, removing
 Cab, roof panel, installing
 Cab, roof panel, removing
 Check the static brake torque
 Compensator valve, replacing1
 Compensator valve, replacing2
 Component list Alternator, batteries, capacitors, electronic units, voltage outlet
 Component list Control lights warning lights
 Component list Fuses
 Component list Relays1
 Component list Relays2
 Component list Solenoid valves
 Component list Switches
 Component list, Heating coils
 Component list, Lights
 Component list, Motors
 Component list, Sensors1
 Component list, Sensors2
 Component list, Sounders
 Component location, motors and coils
 Component location, solenoid valve1
 Component location, solenoid valve2
 Component locations, acoustic signal emitter
 Component locations, fuses
 Component locations, lighting
 Component locations, relays
 Component locations, sensors1
 Component locations, sensors2
 Component locations, switches1
 Component locations, switches2
 Component locations1
 Component locations2
 Compression test
 Control lever, installation
 Control lever, removal1
 Control lever, removal2
 Control levers, maintenance standard
 Control levers, repairing
 Coolant pump, installing
 Coolant pump, removing
 Coolant, change
 Coolant, changing
 Coolant, level, check
 Counterweight, fitting
 Counterweight, removing
 Crankcase breather system, inspect
 Crankshaft, replacing front oil seal
 Creeping of hydraulic cylinder
 Cylinder speed
 Deviation when travelling straight ahead
 Dipper arm cylinder, installation
 Dipper arm cylinder, removal1
 Dipper arm cylinder, removal2
 Dipper arm, installation
 Dipper arm, removal1
 Dipper arm, removal2
 Directional valve, dozer blade, disassembling spool and replacing seals1
 Directional valve, dozer blade, disassembling spool and replacing seals2
 Directional valve, drive, disassembling spool and replacing seals1
 Directional valve, drive, disassembling spool and replacing seals2
 Directional valve, hydraulically operated, disassembling spool and replacing seals1
 Directional valve, hydraulically operated, disassembling spool and replacing seals2
 Dust valve, clean
 Electrical distribution box, circuit board replacing
 Engine hood, changing gas spring
 Engine radiator and hydraulic oil cooler, check (clean when necessary)
 Engine, changing oil and filter
 Engine, installing
 Engine, oil level, check
 Engine, removing
 Fan belt and or alternator belt, checking and adjusting tension
 Fan belt and or alternator belt, checking and adjusting tension1
 Fan belt and or alternator belt, replacing
 Flow regulation valve, changing1
 Flow regulation valve, changing2
 FR pressure control valve, checking and adjusting1
 FR pressure control valve, checking and adjusting2
 Front idler, installing
 Front idler, removing
 Fuel and fuel return hoses, replace
 Fuel filter, change
 Fuel injectors, inspect clean and test
 Fuel pump, installing
 Fuel pump, removing
 Fuel tank sediment, drain
 Fuel tank, installing
 Fuel tank, removing
 Gear motor, exploded view
 Glow plug, installation
 Glow plug, removal
 H-ECU (hydraulic), replacing pre-Programd ECU
 H-ECU (hydraulic), replacing pre-Programd ECU1
 Horn, replacing
 Hoses for boom-, dipper-, and bucketcylinder, replace
 Hoses on boom for X1, X2, X3, replace
 Hydraulic oil cooler, installing
 Hydraulic oil cooler, removing
 Hydraulic oil filter, changing
 Hydraulic oil level, check
 Hydraulic oil tank, changing oil
 Hydraulic pressure, check
 Hydraulic pump, checking and adjusting standby pressure
 Hydraulic pump, power control adjusting
 Hydraulic pump, power control checking
 Hydraulic pump, suction hose and pressure hose, replace
 Idling speed, checking and adjusting
 Injection pump, removing
 Injection timing, checking
 Instrument console, installing
 Instrument console, removing
 Lamp bulb, replacing
 Load check valve, replacing1
 Load check valve, replacing2
 Loose and loss of bolts, check
 LS (load sense) pressure, checking1
 LS (load sense) pressure, checking2
 LS-pressure relief valve, replacing1
 LS-pressure relief valve, replacing2
 Lubrication and service schedules
 Lubrication, see lubrication chart
 Main Control Valve - Assembly1
 Main Control Valve - Assembly2
 Main Control Valve - Disassembly1
 Main Control Valve - Disassembly2
 Main control valve troubleshooting
 Main control valve, installation1
 Main control valve, installation2
 Main control valve, removal1
 Main control valve, removal2
 Main control valve, removal3
 Maintenance service, daily
 Maintenance service, every 50 hours
 Maintenance service, every 250 hours
 Maintenance service, every 500 hours
 Maintenance service, every 1000 hours
 Maintenance service, every 1500 hours
 Maintenance service, every 2000 hours
 Maintenance service, every 3000 hours
 Measuring condition
 Oil pump, replacing
 Operator's seat, installing
 Operator's seat, removing
 Port relief valve pressure, checking and adjusting1
 Port relief valve pressure, checking and adjusting2
 Pump, installation
 Pump, removal
 Quick coupler lock mechanism, replace
 Radiator, installing
 Radiator, removing
 Rubber track, installing
 Rubber track, removing
 Seat belt, replace
 Seat retention cable, replacement
 Seat safety belt, replacing
 Secondary pressure limiting valve, replacing1
 Secondary pressure limiting valve, replacing2
 Service history (included in the respective Operator's manual), fill in.
 Service position 2
 Service position 3
 Service positions
 Servo accumulator, installation1
 Servo accumulator, installation2
 Servo accumulator, removal1
 Servo accumulator, removal2
 Servo pressure, checking and adjusting
 Servo valve, installation
 Servo valve, removal1
 Servo valve, removal2
 Silencer, installing
 Silencer, removing
 Slew motor, troubleshooting
 Sprocket, installation
 Sprocket, removal
 Starter motor, installing
 Starter motor, removing
 Swing motor removed, overhaul
 Swing motor, installing1
 Swing motor, installing2
 Swing motor, removing1
 Swing motor, removing2
 Swing motor, removing3
 Swing motor, replacing counterbalance valve
 Swing speed
 Test-run and check
 The machine, check for external damages, cracks and wear damages
 Thermostat, replacing
 Top roller, installation
 Top roller, removal
 Track gearbox oil level, check
 Track motor, installing
 Track motor, removing
 Track running speed
 Track tension, adjusting
 Track tension, checking1
 Track tension, checking2
 Travel gear, dismantling
 Travel motor gearbox, changing oil1
 Travel motor gearbox, changing oil2
 Travel motor, assembly
 Travel motor, exploded view
 Travel Speed
 Travel valve (pedal), installing
 Travel valve (pedal), removing
 Values, creeping of hydraulic cylinder
 Values, cylinder speed
 Values, deviation when travelling straight ahead
 Values, slewing speed
 Values, track running speed
 Values, travel speed
 Valve clearance, checking and adjusting
 Valves, adjusting
 V-ECU, replacing
 Warranty inspection 100 hours
 Warranty inspection 1000 hours
 Water separator filter element, change
 Water separator, drain
 Working pressure, checking and adjusting
Safety
 CE marking and declaration of conformity
 Checklist after a fire or heat exposure
 Decontamination
 Environmental handling for the future
 Environmentally hazardous fluids
 Environmentally safe handling
 Fire prevention measures
 Health hazards with paint, plastics and rubber
 Pressure setting and leak detection
 Safety concerns everybody!
 Safety for work on hydraulic systems
 Safety rules when servicing
 Safety when handling oils and fuel
 Safety when handling the machine
 Safety when lifting and supporting the machine
 Safety when working with air conditioning refrigerant
 Safety when working with batteries
 Starting with booster batteries
 Waste handling
 Working in environmentally contaminated areas
 Working on the electrical system of the machine
Service Bulletins
 Air conditioning unit
 Battery maintenance guideline for long term stock machines
 Bonnet latch cracks
 Boom offset function, time cycle
 Boom offset function
 Cab door vibration (especially with steel track option)
 Capilarity leakage at the hose crimpings
 Dipper arm welding improvement
 Fuel cap seal improvement
 Fuel level gauge indicator
 Fuel sampling, method
 Fuel tank leakage
 Maintenance of Stored Machines
 New cabin plastic roof
 New dashboard
 New engine hood hinges
 New hydraulic pump pressure hose
 New product
 New starter switch
 New TechTool VCADS Pro interface
 Pilot valve coil
 Platform cracks
 Portable refillable O-ring kits
 Product improvements
 Pump companion
 Reporting of product misuse & near-miss report
 Rotating beacon improvement
 Seal between cab and platform
 Starter switch change
 Top roller, installation torque
 Transport of machines equipped with roof on the cab
 Travel alarm
 Volvo Product incident accident report & Interview Form
 X1 function information
Special Tools, Misc
 Special tool catalog
 Special Tools Recommendations
 Time Guide Current generation
 Time Guide Old generation
 Time Guide Previous generation
Specifications
 Adjustable boom cylinder, specifications
 Air conditioning unit, specifications
 Alternator, specifications
 Alternator, specifications1
 Battery, specifications
 Boom lifting cylinder, specifications
 Bucket cylinder, specifications
 Cab, tightening torques
 Cab, weight
 Control valve, torque value
 Conversion tables
 Cooling system, specification
 Cooling system, specification1
 Counterweight, specifications
 Dimensions
 Dipper arm cylinder, specifications
 Dozer blade cylinder, specifications
 Engine, capacities
 Engine, capacities1
 Engine, specifications
 Engine, specifications1
 Engine, tighten torques
 Engine, tighten torques1
 Frame and track unit, specifications
 Frame, tightening torque
 Fuel feed pump, specifications
 Fuel feed pump, specifications1
 Fuel system, general specifications
 Fuel tank, volume
 Fuel tank, volume1
 Hydraulic control unit, H-ECU, inputs and outputs
 Hydraulic control unit, H-ECU, inputs and outputs1
 Hydraulic control unit, H-ECU, value list
 Hydraulic control unit, H-ECU, value list1
 Hydraulic system, specification
 Hydraulic system, tightening torques
 Hydraulic tank, specifications
 Injectors, specification
 Injectors, specification1
 Instrument panel, specifications
 Instrument panel, specifications1
 Lifting capacities
 Light bulbs, specification
 Light bulbs, specification1
 Lubrication system, specifications
 Lubrication system, specifications1
 Preheating, specifications
 Preheating, specifications1
 Pump, specifications1
 Pump, specifications2
 Slew motor, specifications1
 Slew motor, specifications2
 Slew motor, tightening torques
 Standard tightening torques
 Starter motor, specification
 Starter motor, specification1
 Track motor, specifications
 Track motor, specifications1
 Track motor, tightening torques
 Track motor, tightening torques1
 Valve mechanism, specifications
 Valve mechanism, specifications1
 V-ECU, I-O list
 V-ECU, value list1
 V-ECU, value list2
 VOLVO standard tightening torques
 Weight
[Other Product]   

Related products