Volvo EC55C Service Repair Manual
Data Size: 175.25 MB
File Type: PDF
Language: English
Manufacturer: Volvo
Applicable Machine: Excavator
Document: Service Repair Manual, Electrical Wiring Diagram, Hydraulic Diagram
Machine Model: Volvo EC55C Excavator
Page: 5425 Pages
List Contents:
1 Volvo EC55C
Description
Actuator, foot face driver
Air cleaner, description
Alternator, description1
Alternator, description2
Auto Idle
Auxiliary start
Battery disconnector switch, description1
Battery disconnector switch, description2
Battery, description
Bearings
Boom lifting cylinder, description
Boom offset
Bottom roller, description
Bucket cylinder, description
Camshaft, description
Center passage, description1
Center passage, description2
Center passage, troubleshooting
Checking and Adjusting procedure
Cleaning prior to repair
Clogged engine air filter
Coil resistor
Cold start device, description1
Cold start device, description2
Communication with data buses
Compressor
Condenser
Connectors, overview1
Connectors, overview2
Control pattern selector valve, description
Control pattern selector valve, ports
Control valve, troubleshooting
Cooling system, description1
Cooling system, description2
Counterweight, description
Crankshaft, description
Cylinder block, description
Cylinder head, description
Cylinder, troubleshooting
Daily hours
Description, general
Digging unit, description
Dipper arm cylinder, description
Dozer blade float, description
Dozer blade, description
Electric horn, description1
Electric horn, description2
Electrical distribution box1
Electrical distribution box2
Electrical distribution box3
Electrical system, description
Electrical system, special instructions for servicing electronic components
Electrical system, special instructions for servicing, action when working on machine
Electrical system, special instructions for servicing, electrical components, alternator and charging regulator
Electrical system, special instructions for servicing, electrical components, batteries
Electrical system, special instructions for servicing, general
Electrical system
Electronic control system, description
Engine characteristic curve1
Engine characteristic curve2
Engine characteristic curve3
Engine control unit E-ECU, function description
Engine coolant temperature
Engine oil pressure
Engine speed control switch, description
Engine start
Engine stops
Engine system
Engine timing gear, description
Engine, description1
Engine, description2
Engine, identification
Engine, tightening torque
Evaporator
Examples, hydraulic system
Examples, power transmission
Exhaust Gas Recirculation (EGR), description
Exhaust system, description
Expansion valve
Faulttracing
Frame and track unit, description
Fuel filler pump, description
Fuel injection pump governor, description
Fuel injection pump, description
Fuel lines, description
Fuel system, description1
Fuel system, description2
Fuel tank, description
Fuel
Fuse, description
General notes when working on hydraulic system
GPS control unit GPS-ECU, description
Hoses and tubes
Hour meter
Hydraulic components, description
Hydraulic control
Hydraulic diagram, ports
Hydraulic diagram, schematic
Hydraulic oil, description
Hydraulic pump coupling, description1
Hydraulic pump coupling, description2
Hydraulic system, position of main components
Hydraulic system
Hydraulic tank, description
Idler, description
Injectors, description
Inlet system, description
Instrument control unit I-ECU, function description
Instrument control unit I-ECU, specifications
Instrument panel, operation
Intermittent wiper and washer
Line rupture valve (arm), troubleshooting
Line rupture valve (boom arm), description
Line rupture valve (boom arm), hydraulic circuit
Line rupture valve (boom), troubleshooting
Lubricating system, description1
Lubricating system, description2
MA9109 Quickfit solenoid valve, description
Machine view
Main control valve, description
Main control valve, operation
Main relief valve, description
Maintenance standards1
Maintenance standards2
Menu tree1
Menu tree2
Overload warning device, operation
Overload warning
Pistons, description
Port relief valve, description
Power transmission, description
Precautions
Preheating, description
Pressure accumulator, description
Pressure adjustment and leaks checking
Pressure relief valve, troubleshooting
Pressure testing
Product plates
Proportional solenoid valve, description
Pump, description
Pump, troubleshooting
Quick attachment, description
Quickfit system, operation
Radiator, description
Radio with CD and MP3 player, description
Recommended lubricants
Refrigerant hoses
Relay, description1
Relay, description2
Remote control valve (Lever), description
Remote control valve (Lever), troubleshooting
Remote control valve (pedal), description
Remote control valve (pedal), troubleshooting
Replacement parts
Rotator pump, description
Rubber pads2
Rubber shoe pad usage
Rubber tracks1
Seat belt
Selection of track shoes
Service methods
Service mode1
Service mode2
Service positions
Service
Servo pump, description
Slew motor, precautions for installation
Slew motor, troubleshooting
Slew ring gear, description
Slow blow fuse, description
Software parameters, description
Solenoid valve, description
Special tools
Standard of the setting pressure
Start switch, description1
Start switch, description2
Starter motor, description
Starting engine with booster cables
Starting operation1
Starting operation2
Stop solenoid, description
Stop valve
Swing gearbox, description
Swing motor, description
Top roller, description
Track chain, description
Track gearbox, description1
Track gearbox, description2
Track gearbox, description3
Track gearbox, description4
Track gearbox, precautions for operation
Track gearbox, troubleshooting
Track motor, description1
Track motor, description2
Track motor, description3
Track motor, description4
Track motor, maintenance standard
Track motor, operating checks
Track motor, precaution for installation
Track motor, tools
Track motor, troubleshooting
Travel alarm, description1
Travel alarm, description2
Troubleshooting chart
Troubleshooting, diagnosing procedure
Troubleshooting
Undercarriage, description
V-ECU function, auto return to idle
V-ECU function, boom offset
V-ECU function, preheating
V-ECU function, quickfit
Vehicle control unit V-ECU, function description
Vehicle control unit V-ECU, specifications1
Vehicle control unit V-ECU, specifications2
Warranty inspection
Windscreen wiper, description
Wiper motor, description
Work lights and headlights, description
X1 Line, description
Diagrams
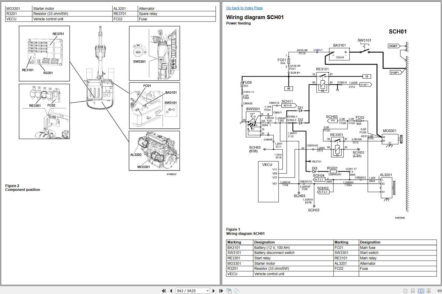
Component designations
Component list Alternator, batteries, capacitors, electronic units, voltage outlet
Component list Control lights warning lights1
Component list Control lights warning lights2
Component list, Fuses1
Component list, Fuses2
Component list, Fuses3
Component list, Heating coils1
Component list, Heating coils2
Component list, Heating coils3
Component list, Lights
Component list, Miscellaneous1
Component list, Miscellaneous2
Component list, Miscellaneous3
Component list, Motors1
Component list, Motors2
Component list, Relays1
Component list, Relays2
Component list, Relays3
Component list, Sensors1
Component list, Sensors2
Component list, Sensors3
Component list, Solenoid valves1
Component list, Solenoid valves2
Component list, Switches1
Component list, Switches2
Component list, Switches3
Control system diagram1 Figure1
Control system diagram1
Control system diagram2 Figure1
Control system diagram2
Electrical circuit, air conditioner heater1
Electrical circuit, air conditioner heater2
Electrical symbols and designations
Explanation of wiring diagrams
Explanations to hydraulic diagram
Grounding points (frame connections)
Hydraulic diagram, standard Figure 1
Hydraulic diagram, standard Figure 2
Hydraulic diagram, standard
Hydraulic diagram, with option component1 Figure 1
Hydraulic diagram, with option components1 Figure 2
Hydraulic diagram, with option components1 Figure 3
Hydraulic diagram, with option components1
Hydraulic diagram, with option components2 Figure 1
Hydraulic diagram, with option components2 Figure 2
Hydraulic diagram, with option components2 Figure 3
Hydraulic diagram, with option components2
Wiring diagram SCH01-1
Wiring diagram SCH01-2
Wiring diagram SCH01-3
Wiring diagram SCH01-4
Wiring diagram SCH02-1
Wiring diagram SCH02-2
Wiring diagram SCH02-3
Wiring diagram SCH02-4
Wiring diagram SCH03-1
Wiring diagram SCH03-2
Wiring diagram SCH03-3
Wiring diagram SCH04-1
Wiring diagram SCH04-2
Wiring diagram SCH04-3
Wiring diagram SCH04-4
Wiring diagram SCH07-1
Wiring diagram SCH07-2
Wiring diagram SCH07-3
Wiring diagram SCH07-4
Wiring diagram SCH07-5
Wiring diagram SCH08-1
Wiring diagram SCH08-2
Wiring diagram SCH08-3
Wiring diagram SCH08-4
Wiring diagram SCH08-5
Wiring diagram SCH08-6
Wiring diagram SCH10-1
Wiring diagram SCH10-2
Wiring diagram SCH10-3
Wiring diagram SCH10-4
Wiring diagram SCH11-1
Wiring diagram SCH11-2
Wiring diagram SCH11-3
Wiring diagram SCH11-4
Wiring diagram SCH12-1
Wiring diagram SCH12-2
Wiring diagram SCH12-3
Wiring diagram SCH13-1
Wiring diagram SCH13-2
Wiring diagram SCH13-3
Wiring diagram SCH13-4
Wiring diagram SCH13-5
Wiring diagram SCH13-6
Wiring diagram SCH13-7
Wiring diagram SCH14-1
Wiring diagram SCH14-2
Wiring diagram SCH14-3
Wiring diagram SCH14-4
Wiring diagram SCH15-1
Wiring diagram SCH15-2
Wiring diagram SCH22
Wiring diagram SCH24
Wiring diagram SCH25-1
Wiring diagram SCH25-2
Wiring diagram SCH26
Wiring diagram1
Wiring diagram2
Wiring harnesses Figure 1
Wiring harnesses
Installation Instruction
1.6m Arm piping with gr manuovre
1.6m Arm piping with quick fit single
1.9m Arm piping with gr manuovre
1.9m arm piping with Quick fit-Single
1.9m arm piping with Quick fit-Single1
Boom piping with H-RUPT protection Arm cylinder
CareTrack, installing new
CareTrack, installing new1
Cassette_Domestic INT
Cassette_Europe
Cassette_NAFTA
CDP or MP3
Dozer blade, installing new
Dozer blade, installing new1
Extra work lamp- boom right hand
FOG + FOPS
FOPS
Hose rupture protection boom cyinder with O-L warning
Piping kit, X1 Double and offset piping
Piping kit, X1 Double for Fix
Piping kit, X1 Double piping for THUMB
Piping kit, X1 Single for Fix with A Decel
Piping kit, X1 Single for Fix
Piping kit, X3 Boom for Fix_PTO
Piping kit, X3 Boom for swing_PTO
Quick fit boom piping
Quick fit boom piping-Single
Quick fit dual piping on 1.6m arm
Quick fit dual piping on 1.9m arm
Quick fit piping on arm, installing new
Quick fit piping on base machine(Double)
Quick fit piping on base machine(Double)1
Quick fit piping on base machine(Single)
Quick fit, installing new
Radio, installing new
Rear extra lamp in cabin (beacon lamp and rear work lamp)
Rear view side mirror
Thumb, quick attachment, installing new
Thumb, standard bucket, installing new
Track assembly, installing new
Travel alarm, installing new
Travel alarm
Work light on cab, installing new
Work light on cab, installing new1
Work light on mono boom, installing new
Work light on mono boom, installing new1
X1 piping on 1.6m arm
X1 piping on 1.9m arm
X3 piping on 1.6m Arm
X3 piping on 1.9m Arm
Repair
Air cleaner primary filter, change
Air cleaner primary filter, clean
Air cleaner secondary filter, change
Air cleaner, cleaning filter element
Air cleaner, primary filter replacing
Air cleaner, secondary filter replacing
Air conditioner main filter, change1
Air conditioner main filter, change2
Air conditioner main filter, clean1
Air conditioner main filter, clean2
Air conditioning unit, maintenance
Air conditioning unit, refrigerant check and recharging
Alternator, inspection
Alternator, replacing incl function check
Antenna, replacing
Batteries, replacing1
Batteries, replacing2
Battery condition, check
Battery, charging
Belts and belt tension, check, replace when needed.1
Belts and belt tension, check, replace when needed.2
Belts and belt tension, check, replace when needed.3
Boom cylinder, replacing
Boom, replacing
Bottom roller, measurement of wear
Bottom roller, replacing one
Bucket cylinder, replacing
Bushing general, replacing
Cab, installing1
Cab, installing2
Cab, removing1
Cab, removing2
Cab; door, covers, hinges, joints and locks, lubricate
Center passage hose (center passage – motor), replacing
Center passage hose (valve – center passage), replacing
Center passage, assembly
Center passage, disassembly
Center passage, maintenance standard
Center passage, tools
Check valve, replacing
Check valve, replacing1
Coasting left and right swing
Component locations1
Component locations2
Compressor, replacing incl draining and filling
Condenser, replacing incl draining and filling
Condition test and maintenance program
Connecting rod yoke, replacing
Control pattern selector valve, mode setting method
Control valve, replacing
Coolant level, check
Coolant, change
Coolant, changing
Coolant, checking anti-freeze resistance
Coolant, checking anti-freeze resistance1
Cooler and Heater assembly, installation
Cooler and Heater assembly, removal
Creeping of hydraulic cylinder
Cylinder speed1
Cylinder speed2
Cylinder speed3
Defroster actuator, replacing
Digging unit, maintenance standard
Dipper arm connecting rod, replacing
Dipper arm cylinder, replacing
Dipper arm, replacing
Door window, replacing
Dozer blade cylinder, replacing
E-ECU, MID 128, changing non-Programd ECU
E-ECU, MID 128, changing pre-Programd ECU
Engine control1
Engine control2
Engine control3
Engine EGR valve, cleaning
Engine hood, replacing
Engine mounting1
Engine mounting2
Engine oil and filter, changing1
Engine oil and filter, changing2
Engine oil filter, replacing
Engine oil level, checking
Engine oil pressure sensor, replacing
Engine radiator and hydraulic oil cooler, check (clean when necessary)
Engine temperature sensor, replacing
Engine, oil level, check1
Engine, oil level, check2
Evaporator, replacing incl draining and filling
Exhaust pipe, flexible tube, replacing
Expansion tank, replacing1
Expansion tank, replacing2
Expansion valve, replacing incl draining and filling
Fan belt and or alternator belt, checking and adjusting tension
Fan belt and or alternator belt, replacing
Fan belt and or alternator-, compressor belt, replacing all belts
Fan motor, replacing
Front idler, replacing one
Fuel filling pump, installing
Fuel filling pump, removing
Fuel filter extra (water separator element), check drain
Fuel filter, change
Fuel filters, replacing
Fuel injectors, inspect clean and test1
Fuel injectors, inspect clean and test2
Fuel level sender, replacing
Fuel tank sediment, drain
Heater core, replacing
Horn, replacing
Hydraulic oil level, check
Hydraulic oil return filter, replacing
Hydraulic oil servo filter, change
Hydraulic oil suction strainer, clean
Hydraulic oil tank, vacuum-pumping, connecting and disconnecting pump
Hydraulic oil, changing
Hydraulic pump (removed), changing shaft seal
Hydraulic pump, replacing
Hydraulic tank breather filter, clean
Idler, measurement of wear
I-ECU, MID 140, changing non-Programd ECU
I-ECU, MID 140, changing pre-Programd ECU
I-ECU, replacing
Intake actuator, replacing
Loose and loss of bolts, check
Lubrication oil pressure, checking with pressure gauge
Lubrication, see lubrication chart
Main control valve, assembly
Main control valve, disassembly
Main pressure relief valve, replacing
Main relief valve, adjusting
Main relief valve, assembly
Main relief valve, disassembly
Main switch, replacing
Maintenance service, daily
Maintenance service, every 50 hours
Maintenance service, every 250 hours
Maintenance service, every 500 hours
Maintenance service, every 1000 hours1
Maintenance service, every 1000 hours2
Maintenance service, every 2000 hours1
Maintenance service, every 2000 hours2
Maintenance service, every 4000 hours1
Maintenance service, every 4000 hours2
Maintenance service, every 6000 hours1
Maintenance service, every 6000 hours2
MATRIS, reading, export reading
Measuring condition
Measuring of swing bearing clearance
Mode (foot) actuator, replacing
Oil cooler, replacing
Oil cooler, replacing1
Oil level gauge, replacing
Operator's seat, installing
Operator's seat, removing
Pipe and hose (pump - valve), replacing
Port relief valve pressure, checking and adjusting
Port relief valve, assembly
Port relief valve, disassembly
Preheating coil, replacing1
Preheating coil, replacing2
Pre-heating relay, replacing
Pump gearbox coupling assembly, replacing
Pump suction hose and pipe, replacing
Pump, assembly
Pump, disassembly
Pump, maintenance standard
Pump, tools
Quickfit solenoid valve, replacing
Quickfit, installation
Quickfit, removal
Quickfit, removal1
Radiator hose upper, replacing
Radiator hoses lower, replacing1
Radiator hoses lower, replacing2
Radiator, replacing
Radio, replacing
Rear window, replacing
Remote control valve (Lever), maintenance standard
Remote control valve (lever), replacing
Remote control valve (pedal), assembly
Remote control valve (pedal), disassembly
Remote control valve (pedal), maintenance standard
Remote control valve (pedal), replacing
Rubber track, installing
Rubber track, removing
Rupture valve, replacing (boom cylinder)
Rupture valve, replacing (dipper arm cylinder)
Seat, replacing
Service history (included in the respective Operator's manual), fill in.
Servo pressure, checking and adjusting
Servo pump, replacing
Side window, replacing
Silencer, replacing
Slew ring gear, installation
Slew ring gear, removal
Solenoid valve, disassembly and assembly
Solenoid valve, inspection
Solenoid valve, replacing
Speaker, replacing
Spring package, measurement of wear
Sprocket, measurement of wear
Sprocket, replacing one
Starter motor, replacing
Starter relay, replacing
Starter switch (engine start switch), replacing
Straight traveling performance
Superstructure, installation
Superstructure, removal
Swing bath grease, lubricate
Swing gearbox oil level, check
Swing gearbox, assembly
Swing gearbox, disassembly
Swing gearbox, maintenance standard
Swing gearbox, replacing
Swing motor gearbox, changing oil
Swing motor relief valve, replacing
Swing motor, assembly
Swing motor, disassembly
Swing motor, maintenance standard
Swing ring gear bearing, lubricate
Swing speed1
Swing speed2
Swing speed3
Test-run and check
The machine, check for external damages, cracks and wear damages
Thermostat, checking
Thermostat, replacing
Tools & equipment
Top roller, measurement of wear
Top roller, replacing one
Track chain assembly, installing
Track chain assembly, removing
Track chain, measurement of wear
Track gearbox oil level, check
Track gearbox, assembly
Track gearbox, disassembly
Track gearbox, maintenance standard
Track gearbox, replacing cover
Track guard, replacing one
Track links, replacing
Track motor gearbox, changing oil
Track motor, assembly
Track motor, disassembly
Track motor, measurement
Track recoil spring (tensioner) assembly, replacing
Track running speed1
Track running speed2
Track shoe bolts, check
Track shoe, replacing one
Track tension condition, check
Track tension cylinder, replacing
Track unit, replacing
Track, adjusting track sag
Track, adjusting track sag1
Travel alarm, replacing
Travel Speed1
Travel Speed2
Valve clearance, check adjust1
Valve clearance, check adjust2
Valve covers, fitting new gasket
Valves, adjusting
VCADS Pro, logged errors, read off
V-ECU, MID 187, changing non-Programd ECU
V-ECU, MID 187, changing pre-Programd ECU
V-ECU, replacing
Vent actuator, replacing
Warranty inspection 100 hours
Washer fluid level, check
Water valve, replacing
Windscreen flusher pump, replacing
Windscreen wiper front, replacing motor
Windscreen, replacing
Work lighting, replacing one head lamp assy
Safety
Cautions during operation
CE-marking, EMC-directive
Checklist after a fire or heat exposure
Decontamination
Environmental handling for the future
Environmentally hazardous fluids
Environmentally safe handling
Fire prevention measures
General precautions
Health hazards with paint, plastics and rubber
Move and operate machine safely
Preparations for work
Safety concerns everybody!
Safety rules when servicing
Safety when handling oils and fuel
Safety when using lifting equipment
Safety when working with air conditioning refrigerant
Safety when working with batteries
Safety when working with hydraulic systems
Starting with booster batteries
Waste handling
Working in environmentally contaminated areas
Service Bulletins
AC evaporator, improvement
Air conditioning adapter pipe
Air conditioning compressor mounting bolt
Air conditioning evaporator
Air conditioning switch
Air conditioning unit, compressor guard improvement
Alternator improvement
Arm cylinder leakage
Arm rest latch improvement
Attachment shims for clearance adjustment of pin joint
Auto idle relay change
Auto idle solenoid bracket improvement
Auto idle solenoid
Battery maintenance guideline for long term stock machines
Boom working lamp cable
Bottom roller improvement
Bucket cylinder hose improvement
Bucket cylinder hose leakage
Cab door latch
Cab front glass, leakage
Cab heater water valve bracket
Coolant leakage from timing gear case
Cylinder head gasket
Dipper arm welding
Dozer blade check valve
Dozer blade check valve1
Engine hood deformation
Engine hood deformation1
Engine hood latch change
Engine speed control switch
Expansion tank, improvement
Expansion tank, improvement1
Front window locking improvement
Fuel level indicator
Fuel sampling, method
Idler bracket
I-ECU moisture
Main control valve, holding valve
Main pump shaft seal
Maintenance of Stored Machines
New product
New product1
New product2
New software, V-ECU
New TechTool VCADS Pro interface
Offset boom cylinder drift
Portable refillable O-ring kits
Quick coupler improvement (X1 single acting)
Quick coupler leakage
Quickfit solenoid valve
Quickfit switch change
Quickfit switch malfunction
Reporting of product misuse & near-miss report
Rubber track improvement
Swing ring gear seal improvement
Track gearbox internal damage
Travel alarm
Travel speed down at low temperature
V-belt improvement
Volvo Product incident accident report & Interview Form
Washer pump improvement
Washer pump improvement1
Water separator improvement
Window wiper
X1 return hose leakage
X1 supply hose leakage
Special Tools, Misc
01 Time Guide Current generation
11 Time Guide Previous generation
21 Time Guide Old generation
35 GRD G700B LabourTimeGuide
40 RM Compaction Time guide
41 RM Compaction ABG Time Guide Old
42 RM Paving Systems ABG Time Guide Old
Special tool catalog
Special Tools Recommendations
Specifications
Air conditioning unit, specifications1
Air conditioning unit, specifications2
Alternator, specifications1
Alternator, specifications2
Battery, specifications1
Battery, specifications2
Boom lifting cylinder, specifications
Boom slew cylinder, specifications
Boom, specifications
Bucket cylinder, specifications
Center passage, specifications
Check valve, specifications
Control valve, specifications
Cooling system, specifications1
Cooling system, specifications2
Counterweight, specifications
Dipper arm cylinder, specifications
Dipper arm, specifications
Dozer blade cylinder, specifications
Dozer blade, specifications
Electric horn, specifications
Electrical system, specifications
Engine, specifications1
Engine, specifications2
Engine, specifications3
Frame and track unit, specifications
Fuel filler pump, specifications
Fuel injection pump, specifications
Fuel system, specifications
Fuel tank, specifications
Grease
Hydraulic oil cooling system, specifications
Hydraulic pressure, specifications1
Hydraulic pressure, specifications2
Hydraulic pressure, specifications3
Hydraulic pressure, specifications4
Hydraulic pump, specifications
Hydraulic tank, specifications
Injectors, specification
Injectors, specification1
Instrument control unit I-ECU, specifications
Instrument control unit I-ECU, specifications1
Line rupture valve (boom arm), specifications
Lubrication system, specifications
Lubrication system, specifications1
MA9109 Quickfit solenoid valve, specifications1
MA9109 Quickfit solenoid valve, specifications2
Measurement conversion tables
Overload warning pressure switch, specifications
Preheating, specifications1
Preheating, specifications2
Pressure accumulator, specifications
Recommended hydraulic oil, specifications
Relay, specifications1
Relay, specifications2
Remote control valve (Lever), specifications
Remote control valve (pedal), specifications
Rotator pump, specifications
Servo pump, specifications
Solenoid valve for rotator1
Solenoid valve for rotator2
Solenoid valve, specifications1
Solenoid valve, specifications2
Specification, filling capacities
Specification, filling capacities1
Standard tightening torques
Start switch, specifications1
Start switch, specifications2
Starter motor, specifications1
Starter motor, specifications2
Swing gearbox, specifications
Swing motor, specifications
Swing ring gear, specifications
Tightening torque, specifications
Tightening torque, specifications1
Tightening torque, specifications2
Track gearbox, specifications1
Track gearbox, specifications2
Track gearbox, specifications3
Track motor, specifications1
Track motor, specifications2
Track motor, specifications3
Travel alarm, specifications1
Travel alarm, specifications2
Undercarriage, tightening torque
Valve system specifications
Wiper motor, specifications
Work lights and headlights, specifications


