Volvo EC700B HR Service Repair Manual
Data Size: 147.42 MB
File Type: PDF
Language: English
Manufacturer: Volvo
Applicable Machine: Excavator
Document: Service Repair Manual, Electrical Wiring Diagram, Hydraulic Diagram
Machine Model: Volvo EC700B HR Excavator
Page: 4984 Pages
List Contents:
1 Volvo EC700B HR
2 Volvo EC700B HR
3 Volvo EC700B HR
4 Volvo EC700B HR
Description
2 stage port relief valve, description
Actuator, air mix door driver
Actuator, foot face driver
Additional counterweight, description
Air breather, description
Air cleaner and precleaner, description
Air conditioning switch
Air conditioning unit, description1
Air conditioning unit, description2
Alarm, description
Alternator, description
Ambient temperature sensor
Angle sensor, description
Arm regenerating valve, description
Automatic manual select switch, description
Auxiliary start
Back-up alarm, description
Base boom cylinder, description
Base boom modular joint cylinder, description
Basic check, Engine
Battery disconnect switch, description1
Battery disconnect switch, description2
Battery relay, description
Battery, charging
Battery, description
Battery, storage
Bearings
Blower motor
Boom and arm holding valve (Boom-1, Arm-1), description
Boom and arm holding valve (Boom-2), description
Bottom roller, description1
Bottom roller, description2
Bucket cylinder, description1
Bucket cylinder, description2
Cab description
Center passage, description
Ceramic resistor
Charge air cooler, description
Charging, description
Check valve, description
Circuit breaker, description
Circuit
Cleaning prior to repair
Communication with data buses
Component designations
Compressor
Condenser
Connectors
Control lockout lever switch, description
Control system, description
Control unit, description
Control units, software functions
Control valve, part inspection
Contronic service display unit, description
Contronic service display unit, display group 1, general information
Contronic service display unit, display group 2, engine system
Contronic service display unit, display group 3, electrical system
Contronic service display unit, display group 4, hydraulic system
Contronic service display unit, display group 5, program mode
Contronic service display unit, display group 6, self diagnosis result
Contronic service display unit, texts and translation summary
Cooling system, description
Cradle, description
Cylinder block, description
Cylinder, description
Cylinder, troubleshooting
Data buses, function
Demolition control valve, description
Demolition dipper arm cylinder, description
Demolition dipper arm line rupture valve, description
Description, general
Diesel coolant heater (10kw), description
Diesel coolant heater (10kw), principles
Digging unit, description
Disassembly and assembly, general
Driver's seat, description
Drying filter
Duct temperature sensor
Electric horn, description
Electrical distribution box, description
Electrical symbols and designations
Electrical system, description
Electrical system, special instructions for servicing, action when working on machine
Electrical system, special instructions for servicing, electrical components, batteries
Electrical system, special instructions for servicing, electrical components
Electrical system, special instructions for servicing, electronic components
Electrical system, special instructions for servicing, general
Electronic control system, description
Emergency engine speed control switch, description
Emergency stop switch, description
Engine block heater, description
Engine characteristic curve
Engine control unit E-ECU, function description
Engine oil pressure sensor, description
Engine speed control switch, description
Engine, description
Engine, identification
Error messages on communication and electric system
Error messages on ECUs
Error messages on Engine
Error messages on hydraulic system
Error messages1
Error messages2
Evaporator
Exhaust system, description
Expansion valve
Explanation of wiring diagrams
Extensible undercarriage cylinder, description
Extension boom modular joint cylinder, description
Falling object guards (FOG), description
Fan motor, description
Fan motor, troubleshooting
Fan pump, description
Foreword additional Service manual Demolition machine
Fuel Coolant temperature sensor, description
Fuel filler pump, description
Fuel level sensor, description
Fuel system, description
Fuel tank, description
Fuse, description
GPS control unit GPS-ECU, description
Heating system, description
Hoses and tubes
Hydraulic components, description
Hydraulic components, storage and transport
Hydraulic diagram, schematic
Hydraulic oil cooling system, description
Hydraulic oil, description
Hydraulic oil, storage and handling
Hydraulic pump coupling, description1
Hydraulic pump coupling, description2
Hydraulic pump coupling, description3
Hydraulic pump, description
Hydraulic system, cleanliness when handling hydraulic components
Hydraulic system, description
Hydraulic system, repair of hydraulic components in workshop
Hydraulic system, work instructions
Hydraulic tank, description
Idler, description
In-car temperature sensor
Indicator lamp, description
Induction sensor, description
Inlet system, description
Instrument control unit I-ECU, function description
Instrument panel, description
Intermediate arm line rupture valve, description
Internal Exhaust Gas Recirculation (IEGR), description
Keypad, description
Line rupture valve (arm), description1
Line rupture valve (arm), description2
Line rupture valve (arm), troubleshooting
Line rupture valve (boom), description
Line rupture valve (boom), troubleshooting
Line rupture valve relief pressure, adjustment
Lower wiper motor, description
Lubrication oil pump and oil cooler, description
Lubrication points
Lubrication system, description
Main control valve troubleshooting
Main relief valve, description
Make up valve, description
Manual air conditioning, description
Middle dipper arm cylinder, description
Mode selection switch, description
Modular joint, description
Normal condition (Automatic position)
Port relief valve pressure, adjustment (when installing or dismantling the line rupture valve)
Port relief valve, description
Preheating, description
Preheating, description1
Preheating, description2
Pressure accumulator, description
Pressure relief valve, troubleshooting
Pressure sensor, description
Pressure testing
Proportional relief valve, description
Proportional solenoid valve, description
Proportional solenoid valve, troubleshooting
Pump, troubleshooting
Radiator, description
Radio with CD and MP3 player, description
Radio with tape player, description
Receiver drier, changing
Recommended lubricants
Refrigerant hoses
Regulator, description
Relay, description
Relay, description1
Remote control valve (Lever), description
Remote control valve (Lever), troubleshooting
Remote control valve (pedal), description
Remote control valve (pedal), troubleshooting
Replacement parts
Resistance, description
Resistance, description1
Return line
Selection of track shoes
Service connection and programming connection
Service methods
Service positions
Servo hydraulic selector valve, description
Servo pump, description
Slew motor, precautions for operation
Software functions, related to electrical system
Software functions, related to engine
Software functions, related to hydraulic system
Software parameters, description
Solenoid valve, description
Spring package, assembly dimension
Start switch, description
Starter motor, description
Starting engine with booster cables
Starting operation
Swing gearbox, description1
Swing gearbox, description2
Swing gearbox, description3
Swing limitation, description
Swing motor, description1
Swing motor, description2
Swing motor, maintenance standard
Three point relay
Tilt cylinder, description
Top roller, description1
Top roller, description2
Total Moment Indicator (TMI), calibration
Total moment indicator (TMI), description
Track chain, description
Track gearbox, description
Track gearbox, troubleshooting
Track motor, description
Track motor, operation
Track motor, precautions for operation
Track motor, troubleshooting
Travel alarm, description
Troubleshooting (10kw)
Troubleshooting
Turbocharger, description
Undercarriage, description
Unit injector, Delphi, description
Upper wiper motor, description
Vehicle control unit V-ECU, function description
Viscose mount, description
Water separator heater, description
Water temperature sensor
Window limit switch, description
Windscreen wiper, components location
Windscreen wiper, description
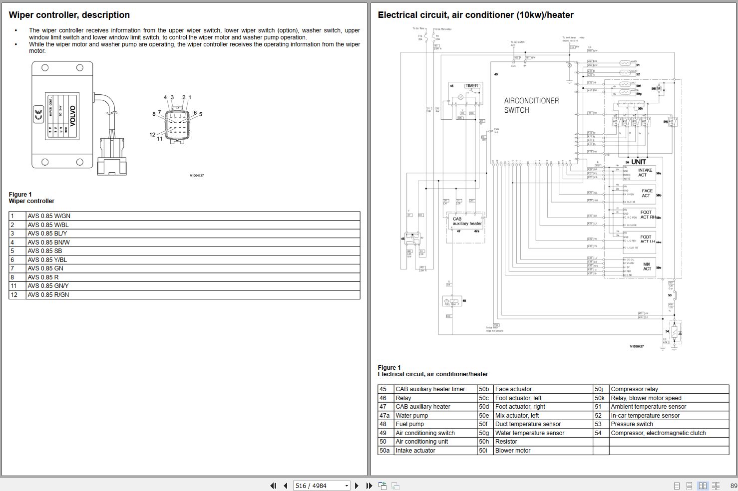
Wiper controller, description
Diagrams
Electrical circuit, air conditioner (10kw) heater
Explanations to hydraulic diagram
Ground connections
Hydraulic diagram, demolition equipment Figure 1
Hydraulic diagram, demolition equipment
Hydraulic diagram, schematic
Wiring diagram SCH01-1
Wiring diagram SCH01-2
Wiring diagram SCH02-1
Wiring diagram SCH02-2
Wiring diagram SCH02-3
Wiring diagram SCH03-1
Wiring diagram SCH03-2
Wiring diagram SCH03-3
Wiring diagram SCH03-4
Wiring diagram SCH04
Wiring diagram SCH05
Wiring diagram SCH06
Wiring diagram SCH07
Wiring diagram SCH08
Wiring diagram SCH09
Wiring diagram SCH10
Wiring diagram SCH11
Wiring diagram SCH12
Wiring diagram SCH13
Wiring diagram SCH14
Wiring diagram SCH15
Wiring diagram SCH16
Wiring diagram SCH17
Wiring diagram SCH23
Wiring diagram SCH25
Wiring diagram SCH26
Wiring diagram SCH27
Wiring diagram SCH28
Wiring diagrams
Installation Instruction
Engine heater 120V, installing new
Engine heater 240V, installing new1
Engine heater 240V, installing new2
Hammer hydraulic option, installing new1
Hammer hydraulic option, installing new2
Hammer hydraulic option, installing new3
Hammer hydraulic option, installing new4
Hammer hydraulic option, installing new5
Hammer hydraulic option, installing new6
Hammer hydraulic option, installing new7
Radio, installing new
Sunlight protection-roof
Repair
2 stage port relief valve, adjustment
2 stage port relief valve, disassembly and assembly
Air cleaner, cleaning filter element
Air cleaner, secondary filter replacing
Air conditioning unit, maintenance
Air conditioning unit, refrigerant check and recharging
Arm conflux check valve, disassembly
Arm parallel conflux changeover valve, disassembly
Arm regenerating valve, disassembly
Base boom modular joint cylinder pin, replacing
Base boom modular joint cylinder, replacing
Battery, charging
Boom and arm holding valve (Boom-1, Arm-1), disassembly
Boom and arm holding valve (Boom-2), disassembly
Boom boost check valve, disassembly
Boom servo hydraulic check valve, disassembly
Bottom roller, installation
Bottom roller, measurement of wear1
Bottom roller, measurement of wear2
Bottom roller, measurement of wear3
Bottom roller, removal
Cab tilting cylinder, replacing
Cab, installation
Cab, removing
Camshaft and flywheel signals, checking with VCADS Pro and oscilloscope
Carbon dioxide in fuel system, check
Center bypass valve (for bucket conflux), disassembly
Center bypass valve, disassembly and assembly
Center passage, assembly
Center passage, disassembly
Center passage, inspection and troubleshooting
Center passage, tools
Centre passage, installing
Centre passage, removing
Charge air cooler connection (hose, tube), replacing
Check valve (for arm parallel conflux, slew priority), disassembly
Check valve (for straight travel changeover valve), disassembly
Check valve, replacing
Component locations Engine
Components list
Connectors list, electrical distribution box
Coolant, changing
Coolant, checking anti-freeze resistance
Counterweight, fitting
Counterweight, removing
Cover assembly (for Boom-2 spool changeover), disassembly
Cover assembly (for preventing Boom-1 spool rotation), disassembly
Cylinder, disassembly and assembly
Demolition control valve, replacing
Demolition dipper arm cylinder, replacing
Digging unit, maintenance
E-ECU, MID 128, changing non-Programd ECU
E-ECU, MID 128, changing pre-Programd ECU
Engine mounting
Engine, installing
Engine, removing
Exhaust pipe, flexible tube, replacing
Expansion tank, replacing
Extensible undercarriage cylinder, replacing
Extension boom modular joint cylinder pin, replacing
Extension boom modular joint cylinder, replacing
Extension boom, installation
Extension boom, removal
Falling object guard, installation
Falling object guard, removal
Fan belt and or alternator belt, replacing
Fan belt and or alternator-, compressor belt, replacing all belts
Fan motor, assembly
Fan motor, disassembly
Fan motor, tools
Fan pump, assembly
Feed pump, checking feed pressure
Feed pump, replacing
Foot relief valve (flow sensing valve), disassembly
Fuel filling pump, installing
Fuel filling pump, removing
Fuel filter extra, replacing
Fuel filter, checking
Fuel filters, replacing
Fuel system, bleeding
Gear pump, parts inspection
General, precautions
General, tools
Hose rupture valve, installation
Hose rupture valve, removal
Idler, measurement of wear
Idler, removal and installation
I-ECU, MID 140, changing non-Programd ECU
I-ECU, MID 140, changing pre-Programd ECU
Intercooler, replacing
Line rupture valve (arm), disassembly
Line rupture valve (boom), assembly
Line rupture valve (boom), disassembly
Load check valve, disassembly and assembly
Lubrication oil pressure, checking with pressure gauge
Machine view, demolition
Main control valve, disassembly and assembly
Main relief valve, adjustment
Main relief valve, assembly
Main relief valve, disassembly
Make up valve, disassembly
Middle dipper arm cylinder, replacing
Oil cooler fan motor, replacing
Option confluence check, disassembly
Periodic inspection and criteria of oil change
Periodic maintenance
Port relief valve pressure, measuring and adjusting
Port relief valve, disassembly
Preheating coil, replacing
Proportional solenoid valve, measuring and adjustment
Pump, assembly
Pump, disassembly
Pump, installation
Pump, maintenance standard
Radiator hose upper, replacing
Radiator hoses lower, replacing
Radiator, replacing
Regulator, assembly
Regulator, disassembly
Regulator, maintenance
Remote control valve (Lever), assembly
Remote control valve (Lever), disassembly
Remote control valve (Lever), maintenance standard
Remote control valve (lever), replacing
Remote control valve (pedal), assembly
Remote control valve (pedal), disassembly
Remote control valve (pedal), maintenance standard
Remote control valve (pedal), replacing
Ring gear grease pipe, replacing
Seat, replacing
Servo hydraulic pressure, adjustment
Servo pump, assembly
Servo pump, disassembly
Servo pump, replacing
Silencer, replacing
Slew gearbox, tools
Slew motor, tools
Slew motor, troubleshooting
Slew priority valve, disassembly
Slew ring gear, removal and installation
Solenoid valve, disassembly and assembly
Solenoid valve, inspection
Solenoid valve, replacing
Sprocket, installation
Sprocket, measurement of wear1
Sprocket, measurement of wear2
Sprocket, removal
Superstructure, installing
Superstructure, removing
Swing gearbox, assembly
Swing gearbox, disassembly
Swing gearbox, maintenance standard
Swing limitation sensor, adjusting
Swing motor relief valve, replacing
Swing motor, assembly
Swing motor, disassembly
Thermostat, checking
Thermostat, replacing
Tools & equipment
Top roller, measurement of wear1
Top roller, measurement of wear2
Total moment indicator (TMI), replacing
Track chain, measurement of wear
Track gearbox, assembly
Track gearbox, disassembly
Track gearbox, installing
Track gearbox, maintenance standard
Track gearbox, precautions for operation
Track gearbox, removing
Track gearbox, replacing cover
Track motor relief valve, replacing
Track motor, assembly
Track motor, disassembly
Track motor, maintenance standard
Track motor, replacing
Track, adjusting track sag
Unit injector, replacing
Valve cover, tightening torque
Valves, adjusting
V-ECU, MID 187, changing non-Programd ECU
V-ECU, MID 187, changing pre-Programd ECU
Viscose mount, installation
Viscose mount, removal
W-ECU, MID142, changing non-Programd ECU
W-ECU, MID142, changing pre-Programd ECU
Safety
Cautions during operation
General precautions
Move and operate machine safely
Preparations for work
Service Bulletins
Air breather improvement
Air conditioning compressor improvement
Air conditioning suction hose
Auxiliary heater
Bucket cylinder protection improvement
Cab wire harness
CareTrack Telematics system
CareTrack, new software version 2008w6
Check method on engine oil consumption
DC-DC converter
DEF AdBlue AUS32 sampling, method
Diesel fuels - quality and function
ECU, functional check
Fuel cap improvement
Fuel sampling, method
Hydraulic hose assembly leakage handling
Hydraulic system flushing method
Leakage between injector sleeve and injector
Machine model
Modification of CareTrack wire harness
New air conditioning switch
New engine software for cold start ability improvement
New product
New product1
New TechTool VCADS Pro interface
Oil sampling, method
Oil sampling, method1
Oil sampling, sampling points
Portable refillable O-ring kits
Pump coupling improvement
Recommendations for Oil Sampling Intervals
Reporting of product misuse & near-miss report
Reports
Routines for reporting cracks on Boom and Arm
Swing motor roller bearing improvement
Valve spring update, D16
Volvo Product incident accident report & Interview Form
Water separator drain valve
Special Tools, Misc
01 Time Guide Current generation
11 Time Guide Previous generation
21 Time Guide Old generation
GRD G700B LabourTimeGuide
RM Compaction ABG Time
RM Compaction Time guide
RM Paving Systems ABG Time Guide
Special tool catalog
Special Tools Recommendations
Specifications
Air conditioning unit, specifications
Alternator, specifications
Angle sensor, specifications
Automatic manual select switch, specifications
Back-up alarm, specifications
Base boom cylinder, specifications
Base boom modular joint cylinder, specifications
Base boom, specifications
Battery disconnect switch, specifications
Battery relay, specifications
Battery, specifications
Bucket cylinder, specifications
Bucket cylinder, specifications1
Cab, specifications
Charged air cooler, specifications
Control lockout lever switch, specifications
Coolant level sensor, specifications
Coolant pump, thermostat, specifications
Coolant with freezing and corrosion protection
Cooling system, specifications
Counterweight, specifications1
Counterweight, specifications2
Counterweight, tightening torques1
Counterweight, tightening torques2
Counterweight, tightening torques3
DC–DC converter, specifications
Demolition boom, specifications
Demolition control relief valve, specifications
Demolition control valve, specifications
Demolition dipper arm cylinder, specifications
Demolition dipper arm, specifications
Diesel coolant heater (10kw), specifications
Digging boom, specifications
Driver's seat, specifications
Electric horn, specifications
Electrical system, specifications
Emergency engine speed control switch, specifications
Engine - Pump control, specification
Engine control unit E-ECU, specifications
Engine oil pressure sensor, specifications
Engine speed control switch, specifications
Engine, specifications
Engine, specifications1
Engine, weights
Engine, weights1
Extensible undercarriage cylinder, specifications
Extension boom modular joint cylinder, specifications
Extension boom, specifications
Frame and track unit, specifications
Fuel Coolant temperature sensor, specifications
Fuel feed pump, specifications
Fuel filler pump, specifications
Fuel level sensor, specifications
Fuel system, specifications
Fuel tank, specifications
Fuse, specifications
GPS control unit GPS-ECU, specifications
Hydraulic oil cooling system, specifications
Hydraulic oil cooling system, specifications1
Hydraulic pressure, specifications
Hydraulic pump, specifications
Hydraulic tank, specifications
Hydraulic tank, specifications1
Indicator lamp, specifications
Instrument control unit I-ECU, specifications
Intermediate arm line rupture valve, specifications
Keypad, specification
Line rupture valve (arm), specifications
Line rupture valve (boom), specifications
Lower wiper motor, specifications
Lubrication system, specifications
Main control valve, specifications
Main control valve, specifications1
Measurement conversion tables
Middle dipper arm cylinder, specifications
Middle dipper arm, specifications
Oil cooler, specifications
Preheating, specifications
Pressure accumulator, specifications
Pressure sensor, specifications
Proportional relief valve, specifications
Proportional solenoid valve, specifications
Radio with tape player, specifications
Recommended hydraulic oil, specifications
Relay, specifications
Remote control valve (Lever), specifications
Remote control valve (pedal), specifications
Resistance, specifications
Safety start relay, specifications
Servo pump, specifications
Shock reducing valve, specifications
Solenoid valve, specifications1
Solenoid valve, specifications2
Standard tightening torques
Start switch, specifications
Starter motor, specifications
Swing gearbox, specifications1
Swing gearbox, specifications2
Swing motor, specifications1
Swing motor, specifications2
Swing ring gear, specifications
Tightening torque, fuel system
Tilt cylinder, specification
Track gearbox, specifications1
Track gearbox, specifications2
Track motor, specifications
Travel alarm, specifications
Undercarriage, tightening torque
Upper wiper motor, specifications
Valve mechanism, tightening torques
Valve mechanism, tightening torques1
Valve system specifications
Valve system specifications1
Vehicle control unit V-ECU, specifications


