Volvo FL12 Service and Repair Manual
Data Size: 293.50 MB
File Type: PDF
Language: English
Manufacturer: Volvo
Applicable Machine: Truck
Document: Service and Repair Manual, Hydraulic and Electrical Diagrams
Machine Model: Volvo FL12 Truck
Page: 3062 Pages
List Contents:
All Service Information-Index
Bulletins - Information
9992876 Spacer sleeve
Altering connector, oil pressure sensor
Altering connector, oil pressure sensor1
Modification of cable harness for new brake contacts or horn
New Accelerator Pedal Sensor (Australia)
Volvo RoadRelay and Volvo InRoads Office
Bulletins - Information-Index
Description, Design and Function
64331-3 Steering arm, replace (one)
Air drier
Air suspension, system description
Anti-lock brake system (ABS)1
Anti-lock brake system (ABS)2
Anti-roll bar, rear
Automatic transmission
Basic gearbox
Basic housing
Bogie lift1
Bogie lift2
Bogie lift3
Cables clamping
Clutch linkage
Compressor1
Compressor2
Compressor3
Control housing
Control system components
Cooling system
Diaphragm spring
Diesel fuel
Differential carrier, section view
Differential carrier
Disc
Double disc clutch
Electrical system
Electronic control unit sensors
Electronic control unit
Electronic unit injector operational phases
Electronic unit injectors
Exhaust pressure governor
Final drive (front and rear) R3 - Group 465
Front air suspension, components1
Front air suspension, components2
Front hub, components
Fuel feed pump
Fuel filter
Fuel flow
Fuel system1
Gear selector controls FL7, FL10, FL12
Gearbox construction
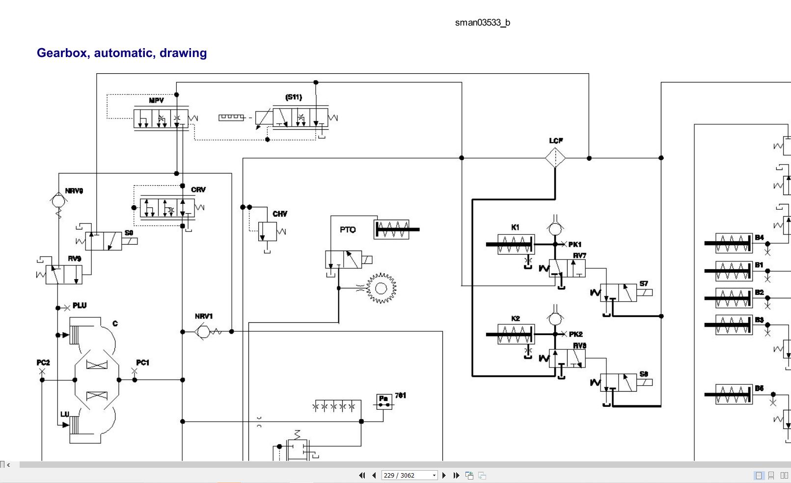
Gearbox, automatic, drawing
General quality requirements R3 - Group 0
General R3 - Group 593
General
General1
General2
Hand primer
Hub reduction, exploded view
Hub reduction, section view
Lubrication system
Marking engines
Non-return valve
Oil cooler cover
Operating system, components
Overflow valve
Pneumatic system
Position diagram, ABS FL7, FL10
Power path1
Power path2
Power take-off
Power take-off1
Power take-off2
Pressure limiting valve (pos 51)
Pressure limiting valve
Product information on Volvo Trucks for emergency services personnel
Programme description (ToolBox)
Propeller shaft
R3 - Group 230 233 234 236 237 238
R3 - Group 437
Range gear
Rear axle, general
Release bearing
Road Relay R3 - Group 082 200
Road Relay, configuration and installation
Road Relay, downloading data
Road Relay, operation
Road Relay, Starting and Exiting
Safety valve
Single disc clutch
Spring cradle and stay
Starter motor
Steering knuckle, exploded view
Straps
Symbol index
The ESS function
Torque converter pressure PC
Towing information
Trailer brake circuit FL
Transfer gear,1
Transfer gear,2
Tyre and inner tube
VSP program
VSP
V-stay, reaction rod rear end
Wheel brake
Description, Design and Function-Index
Diagnostics
23705-3 Electrical system, unit injector, check
26311-2 Thermostat controlled fan, function check
28450-3 MID 128 PID 45 Preheater relay, check
56123-3 Compressor, function and leakage check
56133-2 Air drier, function check
Abnormal smoke, fault tracing
Actions brake vibrations
Basic check1
Basic check2
Battery analyser 7200 user manual
Battery analyser, 7200, user manual
Battery analyzer, 88890075 EXP, user manual
Battery analyzer, 88890075 EXP, user manual1
Boost pressure, fault tracing
Brake vibrations, fault tracing
Cables and connectors, fault tracing
Connectors, control system (sump)
Coolant temperature, fault tracing
Display
Dual draw dual return fuel system troubleshooting
Electrical Fault Tracing
Engine1
Engine2
Fault code fault tracing
Fault code table
Fault tracing, general information1
Fault tracing, general information2
Fault tracing
Fuel feed pressure, fault tracing
Fuel system and used lubricant oil analysis, fault tracing
Gearbox fault codes reading, check connection with VOLVO diagnostic tool
General EV87
Inductive sensor
Malfunction (ToolBox)
Malfunctions, causes and remedial actions
Malfunctions, causes and remedial actions1
Mechanical fault tracing
MID 128 Engine control unit, fault codes
Powertronic diagnosis and fault tracing R3 - Group 437
Ready-reference, fault codes
Report for monitoring oil and fuel consumption
R-SR-SRO1000-2400
Start and stop problems, fault tracing
Status tests
Test instrument for checking speed limiter, range inhibitor
Timer relay 3017
VSP
Diagnostics-Index
Forms
Annual service
Annual service1
Annual service2
Basic service
Battery, warranty claim handling, additional information
Manual gearbox, warranty claim handling, additional information
Oil and fuel consumption, follow-up
Forms-Index
Repair
21002-2 Cylinder compression test
21035-4 Engine parts, transferring
21070-1 Engine, remove
21072-1 Engine, install
21122-1 Cylinder head, remove
21124-1 Cylinder head, install
21171-4 Cylinder head, pressure test (first)
21233-3 Flywheel housing, replace
21235-3 Flywheel housing run-out, check
21307-3 Cylinder liner seat, milling (first)
21311-3 Cylinder liners and pistons, replace (All)
21405-5 Valves, remove and install (one cylinder)
21414-3 Valves and engine injectors, adjust
21415-5 Valve guides, replace (one cylinder head)
21416-2 Valve stem seals, replace
21491-4 Valves grind and decarb (first cylinder head)
21511-3 Timing gear plate, adjust
21513-3 Camshaft wear, check
21522-2 Camshaft, replace
21524-3 Camshaft bearing brackets, replace. Camshaft removed
21534-2 Seal, drive mechanism, fan, alternator and AC, replace
21538-4 Drive mechanism, fan, alternator and AC, overhaul
21603-3 Main bearings, replace (all)
21607-3 Flywheel bearing, replace
21611-3 Connecting rod bearings, replace (all)
21632-2 Flywheel sensor distance, check
21667-3 Crankshaft seal, replace (rear)
21687-5 Flywheel ring gear, replace
22111-3 Oil pump, remove-install
22121-2 Oil pressure, check
22207-3 Oil filter, engine, replace
22210-2 Oil filter, replace
22322-3 Oil cooler insert, replace
22325-5 Oil cooler, pressure test
22330-2 Overflow valve, oil filter, replace
22335-2 Overflow valve, oil cooler, replace
22337-2 Piston cooling valve, replace
22341-2 Reduction valve, replace
23003-3 Fuel system, bleeding
23005-2 Smoke gas test in vehicle
23302-2 Feed pump, replace
23303-2 Fuel filter, replace (one)
23307-3 Hand pump, feed pump, replace
23308-2 Hand pump, overhaul
23312-2 Filter, water separator, replace
23314-2 Water separator, water draining1
23314-2 Water separator, water draining2
23326-2 Feed pump valves, replace
23378-2 Fuel feed pressure, check
23397-4 Fuel feed pump, overhaul
23415-3 Fuel tank strainer, clean and drain condensation water
23607-3 Overflow valve, replace
23724-2 Delivery pipes, replace (all)
23733-3 Sleeve, unit injector, replace
23734-2 Unit injector, replace (one)
23742-3 Ball socket unit injector, replace
23821-2 Engine control unit, replace
25102-2 Gaskets, intake manifold, replace1
25102-2 Gaskets, intake manifold, replace2
25316-2 Exhaust pressure governor, replace
25318-4 Exhaust pressure governor, overhaul
25514-2 Turbo boost gauge, remove-install
25518-2 Engine turbocharger, replace1
25518-2 Engine turbocharger, replace2
25624-2 Filter insert, air cleaner, replace
26007-3 Cooling system, clean
26106-2 Radiator, external cleaning
26108-2 Radiator, replace1
26108-2 Radiator, replace2
26123-3 Coolant filter, replace
26202-2 Coolant pump, replace
26214-2 Piston thermostat, replace
26271-4 Coolant pump, overhaul
26273-4 Thermostats, test
26304-2 Drive belt, replace
26310-2 Fan belt tensioner, overhaul
26313-2 Fan belt tensioner, replace
26315-4 Spring, fan belt tensioner, replace
26323-2 Fan hub, replace
26504-2 Charge air cooler, leakage test
27106-2 Sensor, accelerator pedal, replace
35126-2 Control lamp, replace
36440-2 Break contact clutch pedal, replace
37130-2 Trailer connection, replace
41103-3 Clutch plate, replace
41277-5 Clutch fork and clutch shaft, replace
41283-5 Release bearing, pulling clutch replace1
41283-5 Release bearing, pulling clutch replace2
41314-2 Clutch cylinder, replace
41316-2 Clutch servo, adjust
41342-2 Clutch system, bleed
41375-4 Clutch servo, overhaul1
41375-4 Clutch servo, overhaul2
43003-2 Gear shift mechanism, adjust
43125-4 Split cylinder, overhaul
43130-2 Output shaft sealing ring, replace
43141-5 Oil pump, overhaul
43156-2 Splitter gear, check and adjust
43160-2 Master cylinder gear selector, overhaul
43163-2 Control cylinder, overhaul
43170-1 Gearbox, remove
43172-1 Gearbox, install
43173-5 Main shaft, overhaul1
43173-5 Main shaft, overhaul2
43174-1 Range gear, remove
43175-5 Range gear, overhaul1
43175-5 Range gear, overhaul2
43176-1 Range gear, install
43181-5 Countershaft, overhaul
43187-4 Gearbox, disassemble-inspect-assemble1
43187-4 Gearbox, disassemble-inspect-assemble2
43195-5 Reverse shaft, overhaul
43197-5 Input shaft, overhaul1
43197-5 Input shaft, overhaul2
43206-2 Gear lever, replace
43223-2 Springs, gear lever fork, replace
43248-2 Gear lever knob, overhaul
43258-2 Control cylinder front, replace
43260-2 Control cylinder rear, replace
43264-2 Master cylinder gear shift, replace
43266-2 Range cylinder, overhaul
43273-4 Control cylinder for high and low gear ranges, overhaul1
43273-4 Control cylinder for high and low gear ranges, overhaul2
43278-4 Control housing, overhaul
43701-3 Control valve bodies, clean
43721-4 Gearbox, disassemble
43724-4 Gearbox, assemble
43744-4 Clutch housing 1, overhaul1
43744-4 Clutch housing 1, overhaul2
43746-4 Oil pump, overhaul
43748-4 Stator shaft, overhaul
43750-4 Ring gear planetary kit 3, replace
43760-4 Clutch housing 2, overhaul1
43760-4 Clutch housing 2, overhaul2
43762-5 Piston, overhaul (one)
43768-4 Bushing sun gear, replace
43770-4 Planetary gear carrier 1-2-3-4-5, check
43778-5 Planetary gear carrier 1 or 2, overhaul1
43778-5 Planetary gear carrier 1 or 2, overhaul2
43780-4 Bushing planetary gear carrier, replace
43782-4 Bushing planetary gear carrier 2, replace
43784-5 Retarder valve, check and seal, replace
43785-5 Rear cover, overhaul
43786-5 Bearing intermediate gear PTO, replace
43788-5 Planetary gear carrier 4, overhaul. Removed
43790-5 Planetary gear carrier 3, overhaul
43792-5 Planetary gear carrier 5, overhaul. Removed
43793-5 Output shaft, overhaul
43794-5 Bushing planetary gear carrier 5, replace
45122-2 Universal joint angles, check and calculate
45171-4 Universal joints, replace (each)
45312-2 Support bearing, overhaul
46514-2 Pinion sealing ring, replace
46570-1 Differential carrier, remove
46571-4 Differential carrier, overhaul1
46571-4 Differential carrier, overhaul2
46571-4 Differential carrier, overhaul3
46571-4 Differential carrier, overhaul4
46572-1 Differential carrier, install
46656-2 Hub reduction, overhaul (one side)1
46656-2 Hub reduction, overhaul (one side)2
46802-2 Diff lock, check and adjust disengage and engage position
46803-3 Diaphragm sleeve, adjust
46805-2 Switch, differential lock, check and adjust
48170-1 Power take-off, remove1
48170-1 Power take-off, remove2
48171-4 Power take-off, overhaul1
48171-4 Power take-off, overhaul2
48172-1 Power take-off, install1
48172-1 Power take-off, install2
48203-4 Koblam upper housing, overhaul
51085-4 Brake cylinder, overhaul (single diaphragm)
56111-2 Compressor, replace1
56111-2 Compressor, replace2
56112-2 Pressure governor, adjust
56116-2 Air drier, replace
56117-4 Air drier, overhaul1
56117-4 Air drier, overhaul2
56125-3 Air drier insert, replace
56126-2 Air drier, drier insert, replace1
56126-2 Air drier, drier insert, replace2
56128-2 Compressor loading time, check
56131-5 Piston, connecting rod, replace
56134-2 Air-drier preheating element, replace
56135-2 Solenoid valve, air drier, replace
56136-2 Air drier non return valve, replace
56142-2 Pressure regulator, replace
56152-4 Compressor piston rings, replace1
56152-4 Compressor piston rings, replace2
56152-4 Compressor piston rings, replace3
56153-5 Compressor, check and wear measurement
56171-4 Compressor, overhaul1
56171-4 Compressor, overhaul2
56171-4 Compressor, overhaul3
56173-4 Pressure governor, overhaul1
56173-4 Pressure governor, overhaul2
56183-2 Air drier, valve unit replace
56306-2 Trailer brake control valve, overhaul
56316-2 Relay valve, overhaul
56320-4 Pressure limiter valve, overhaul
56336-2 Control valve, overhaul
56338-2 Pressure limiter valve, replace
56357-2 Quick release valve (front), overhaul
56370-2 Overflow valve, no return flow, replace
56372-4 Bogie lift valve, overhaul
56373-4 Footbrake valve, overhaul
56377-2 Overflow valve with return flow, replace
56381-4 Overflow valve with return flow, overhaul
56384-4 Overflow valve, no return flow, overhaul
56392-5 Pressure limiting valve, adjust
57106-4 Trailer brake control, overhaul
61103-3 Steering knuckle, overhaul (one)1
61103-3 Steering knuckle, overhaul (one)2
64282-1 Steering gear, remove
64284-1 Steering gear, install
65212-2 Bushings, reaction rod, replace (one side)
65246-2 Bushings, front reaction rod, replace (one side)
65270-1 V-rod, remove
65271-5 V-rod, outer ball joint, overhaul
65272-1 V-stay rod, install
65273-5 V-rod, centre joint, overhaul
65516-4 Spring cradle, overhaul1
65516-4 Spring cradle, overhaul2
65525-3 Shaft, spring cradle, replace1
65525-3 Shaft, spring cradle, replace2
65570-1 Spring cradle, remove1
65570-1 Spring cradle, remove2
65570-1 Spring cradle, remove3
65572-1 Spring cradle, install1
65572-1 Spring cradle, install2
72508-2 Front anchorage, reaction rod, replace
72514-2 Level valve, front axle, setting1
72514-2 Level valve, front axle, setting2
72514-2 Level valve, front axle, setting3
72515-2 Level valve, non-return valve and control valve, replace
72516-2 Level valve front axle, replace
72602-2 Air bellows, drive axle, replace
72604-2 Levelling valve drive axle, replace (one)
72612-2 Highest control position rear, adjust
72613-3 Brake contact, max control position, replace
72616-2 Bellow plate, rear, replace
72625-4 Level valve, basic setting
72627-4 Level valve, overhaul
72636-2 Level valve, non-return valve and control valve, replace
72815-2 Solenoid valve, bogie lift, replace
72840-4 Solenoid Valve, Air Suspension, Overhaul
72844-2 Solenoid coil, air suspension, replace
76204-2 Rubber journal and bushing, anti roll bar front, replace
76435-4 Solenoid valve, overhaul
76436-2 Levelling valves, rear axle, setting1
76436-2 Levelling valves, rear axle, setting2
76436-2 Levelling valves, rear axle, setting3
77101-2 Spoke wheel, replace
77102-2 Disc wheel, replace
77103-3 Disc wheel, check
77145-3 Wheel nuts, check tightening (all)
77333-4 Front wheel bearing, wear ring and sealing ring, replace
77334-2 Rear wheel bearing, adjust (one wheel)
77363-2 Rear wheel bearing and seal, replace1
77363-2 Rear wheel bearing and seal, replace2
77365-3 Front wheel hub, remove
77371-3 Front wheel hub, install
81804-2 Tilt cylinder, re-gasket
81814-2 Cab tilt pump, re-gasket
81828-2 Cab tilt pump, pressure checking
81870-1 Cab, remove
81872-1 Cab, install
81876-2 Cab bracket, replace (two sides)
82310-2 Radiator grille, replace
83131-2 Door stop, replace
83138-2 Door hinges, adjust (one door)
83145-2 Door guide, adjust (one)
83402-2 Door handle inside, replace
83404-2 Door handle outside, replace
83408-2 Lock cylinder, replace (one)
83414-2 Door lock, replace (one side)
83505-2 Window lift, replace
83610-2 Roof hatch, replace
84302-2 Windscreen, replace
84406-2 Door window, replace
84602-2 Heater plate rear view mirror, replace
85150-1 Door upholstery, remove
85151-1 Door upholstery, install
85505-1 Headlining, install
85507-1 Headlining, remove
87520-3 Flame indicator, replace
87521-3 Seals, heat exchanger, replace
87522-3 Seals, fan, replace
87525-3 Ignition electrodes, replace
87526-3 Glow plug strainer, replace
87527-3 Circuit board, replace
87528-3 Discharge cap, replace
87530-3 Casing cover, replace
87531-3 Overheating breaker, replace
87578-2 Carbon dioxide content, check and adjust
Adjusting the differential lock indication
Automatic transmission, modification
Balancing the propeller shaft
Cable repair
CD-ROM Reader to disc drive, changing
Check, wear in cam housing
Clutch plate, marking
Clutch, check and replacement of components
Cooling system, leak test
Electrically operated rearview mirror, changing motor
Exhaust temperature, check
Fuel system, draining
Installation of oil filter and strainer
Level control, adjustment
Level valve front, changing
Pressure switch located at the pedal carrier, FL10 and FL12
Procedures when turning the engine over with the starter motor
Procedures when working on a truck fitted with electronic fuel injection
Range cylinder, adjust
Replacing output shaft bearing1
Replacing output shaft bearing2
Replacing the silencer
Retroactive fitting of the corrugated plastic hose
Tachograph speedometer, calibration
Valve block, clutch control, changing
Valve guides, inspection
Working with chemicals
Repair-Index
Schematic Diagrams
Diagram 1. FL12 4x2
Diagram 6. FL12 6x2
Diagram 12. FL12 6x4
Diagram 14. FL12 8x2
Diagram 15. FL12 8x4
Electric schematic
Hydraulic schematic
Schematic Diagrams-Index
Service and Maintenance
17504-2 Lubrication according to actual lubrication chart
17523-3 Gearbox oil and filter, replace
17527-3 Final drive oil, change
17528-3 Retarder, oil change
17530-3 Transfer gearbox, oil change
17561-3 Final drive with hub reduction, oil change
17577-3 Power take-off, oil and filter, change
17582-3 Driven front axle, oil change
17706-2 Cab heater, maintenance service
17725-3 Driver's service, optional1
17725-3 Driver's service, optional2
17746-2 Annual service
43137-3 Oil pressure, check
Additional procedures, basic and annual service
Air drier, check
Annual service, general
Check of high pressure monitor
Cleanliness in the clutch system
Hydraulic pump, service
Lubrication chart
Oil filter protection
Parking heater
Preventive maintenance intervals
Washing, polishing and waxing, cab
Service and Maintenance-Index
Specifications
64028-2 Power steering, function check
64313-2 Ball joint, link rod and track rod, axial play, check
72820-1 Levelling control manual, electrical system, function check1
72820-1 Levelling control manual, electrical system, function check2
Accelerator pedal sensor
Air suspension, electrical components
Air suspension, mechanical components
Air suspension, pneumatic components
Alignment measurements R3 - Group 650
Axial play1
Axial play2
Brake components
Cab R3 - Group 818
Cab suspension troubleshooting R3 - Group 818
Checking the bogie lift and bogie press functions
Compressed-air tank
Compressed-air tank1
Compressor
Cooling system
Diagram decal for load sensing valve
Engine control system
Final drive1
Final drive2
Final drive3
Final drive4
Front axle
Fuel system
Gearbox, automatic1
Gearbox, automatic2
Gearbox, automatic3
Gearbox, automatic4
Gearbox, automatic5
Gearbox, automatic6
Gearbox, automatic7
Gearbox, automatic8
Gearbox, automatic9
General instructions
General1
General2
General3
Hub
Hubs, tightening torques
Hydraulic system, fault tracing
Intake and exhaust system
Level control
Lubricating and oil system
Oil pump
Pedal play
Power take-off
Press forces1
Press forces2
Propeller shaft
Pulling clutch, double disc
Pulling clutch, single disc
Rear axle1
Rear axle2
Rear axle3
Safety valve (pos. 1a, 21, 21a)
Seats R3 - Group 852
Short stroke synchronization
Specifications
Specifications1
Speed sensor with O-ring
Syncronizer1
Syncronizer2
The pressure monitor's cut-off values
Tightening torques and patterns
Tightening torques1
Tightening torques2
Tightening torques3
Tightening torques4
Tightening torques5
Tightening torques6
Tightening torques7
Tightening torques8
Tightening torques9
Tightening torques10
Trailing axle
Transfer box
Tyre and inner tube
Valves
VCADS, VSP and Brake Adaptation, CD
Water pump
Wheel alignment
Wheel installation
Wheel
Specifications-Index


