Volvo L70D Service and Repair Manual
Data Size: 19.87 MB
File Type: PDF
Language: English
Manufacturer: Volvo
Applicable Machine: Wheel Loader
Document: Service and Repair Manual, Hydraulic and Electric Diagrams
Machine Model: Volvo L70D Wheel Loader
List of Files:
0 General.pdf (14 Pages)
1 Standard Parts, Service.pdf (17 Pages)
2 Engine with Mounting and Equipment.pdf (50 Pages)
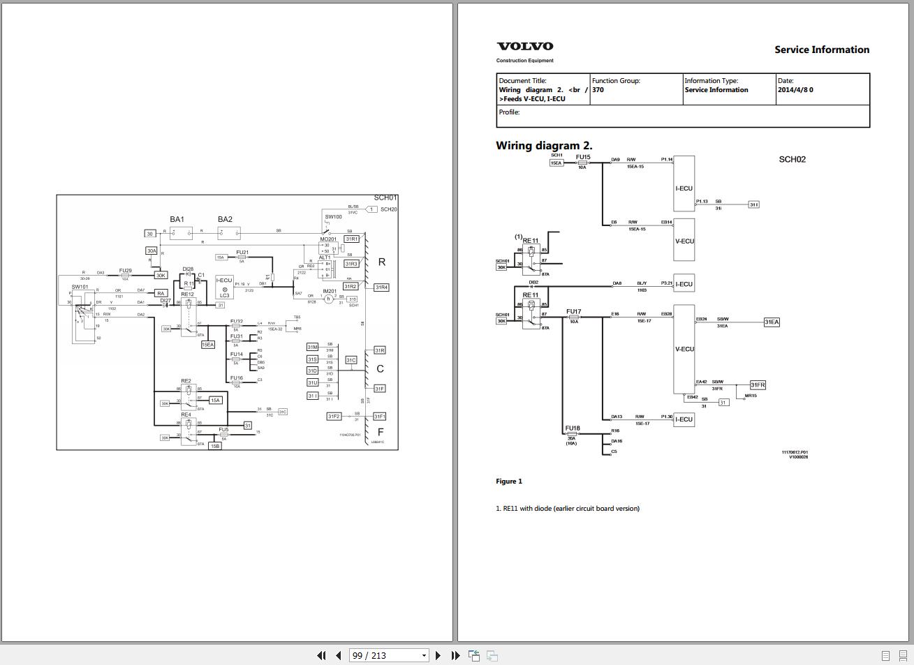
3 Elec. System, Warning System, Information System, Instruments.pdf (213 Pages)
4 Power Transmission.pdf (36 Pages)
5 Brake.pdf (53 Pages)
6 Steering.pdf (47 Pages)
7 Frame.pdf (10 Pages)
8 Machinery House, Cab, Exterior Trim Parts Anywhere.pdf (29 Pages)
9 Hydraulic System, Digging, Handling, Grading Equipment, Misc Equipment.pdf (63 Pages)


