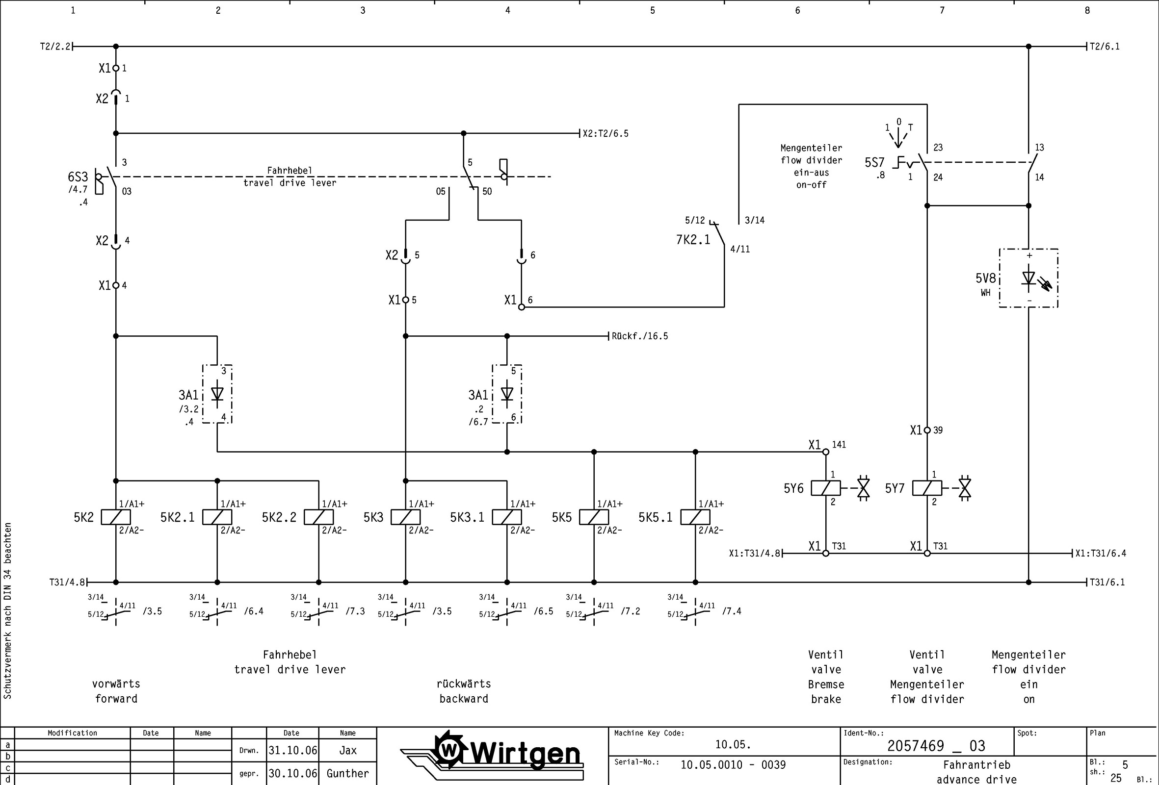
Wirtgen W 50 Circuit Diagram 2057469_03 PDF
Data Size: 686 KB
File Type: TIF
Language: English, German
Manufacturer: Wirtgen
Applicable Machine: Cold Milling Machine
Type of Document: Electrical Diagram
Machine Model: Wirtgen W 50 Cold Milling Machine
Serial Number: 10.05.0010-0039
Drawing Number: 2057469_03
Machine Key Code: 10.05


