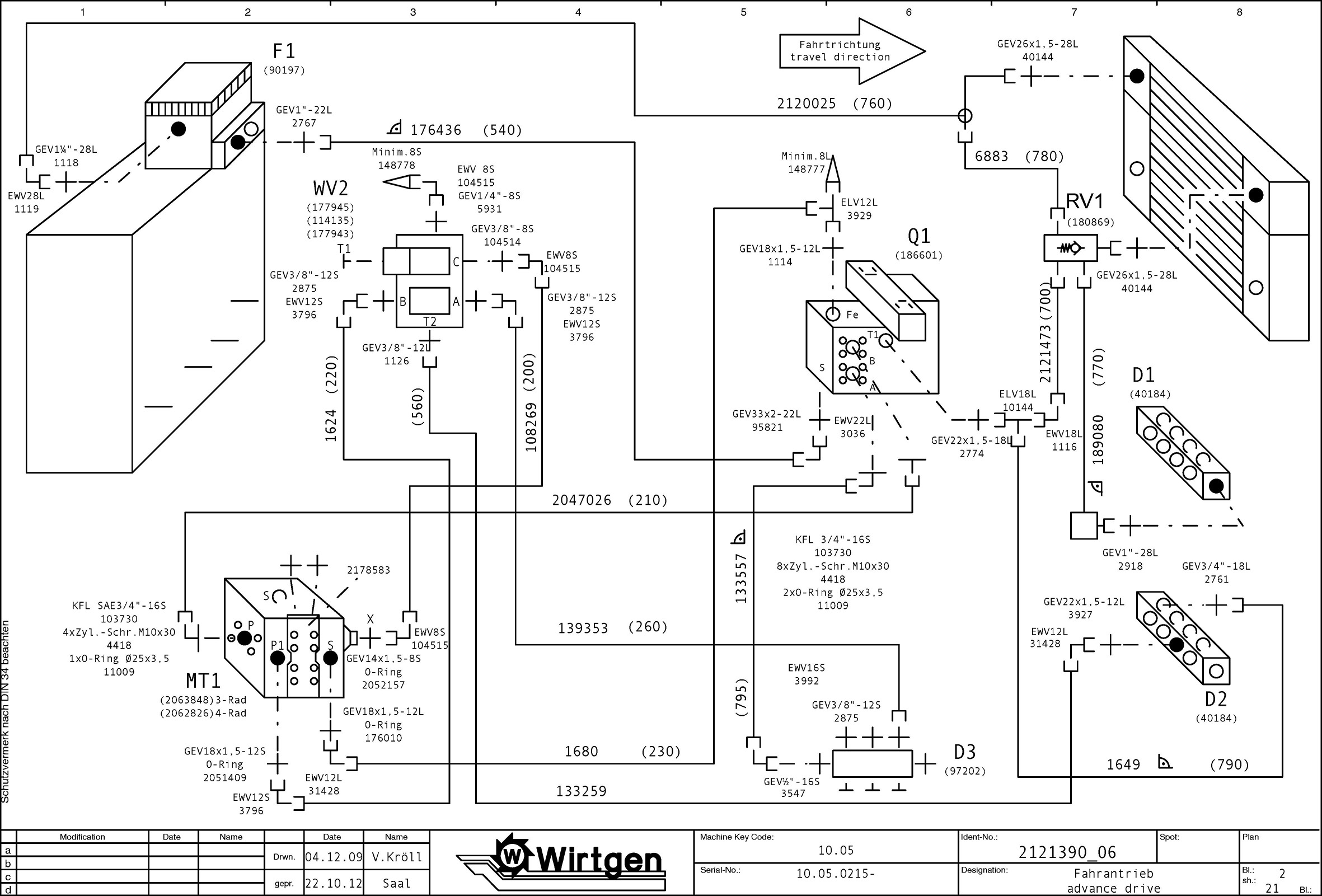
Wirtgen W 50 Circuit Diagram 2121390_06 PDF
Data Size: 692 KB
File Type: TIF
Language: English, German
Manufacturer: Wirtgen
Applicable Machine: Cold Milling Machine
Type of Document: Electrical Diagram
Machine Model: Wirtgen W 50 Cold Milling Machine
Serial Number: 10.05.0215-
Drawing Number: 2121390_06
Machine Key Code: 10.05


