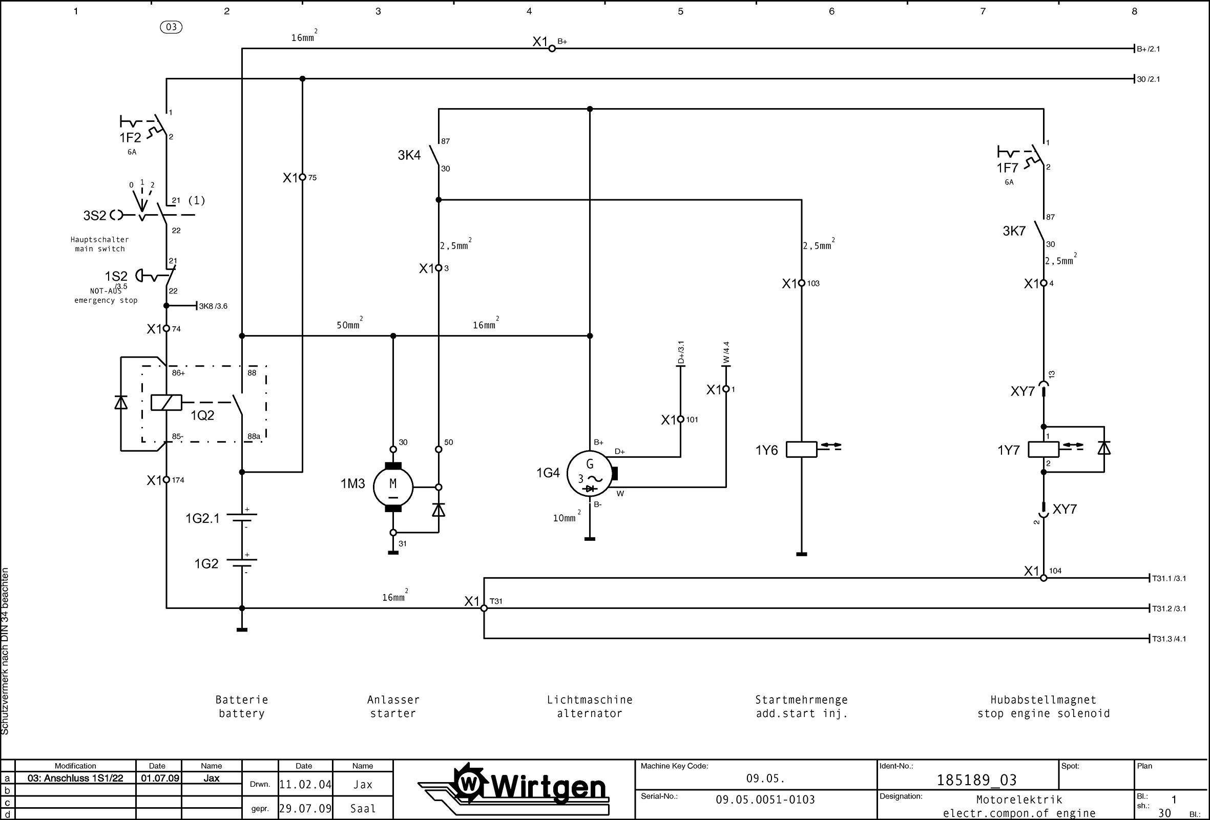
Wirtgen W 50 DC Circuit Diagram 185189_03 PDF
Data Size: 775 KB
File Type: TIF
Language: English, German
Manufacturer: Wirtgen
Applicable Machine: Cold Milling Machine
Type of Document: Electrical Diagram
Machine Model: Wirtgen W 50 DC Cold Milling Machine
Serial Number: 09.05.0051-0103
Drawing Number: 185189_03
Machine Key Code: 09.05.


