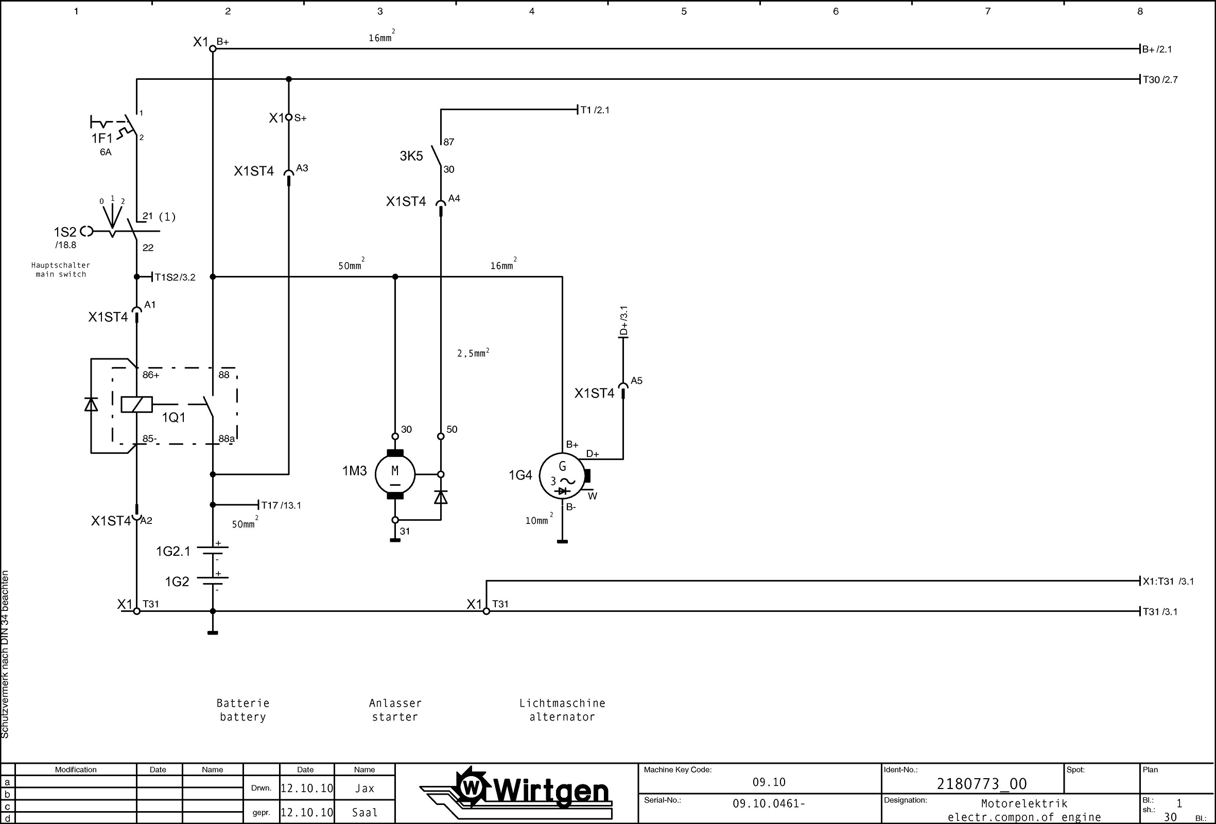
Wirtgen W 60 W 100 Circuit Diagram 2180773_00 PDF
Data Size: 776 KB
File Type: TIF
Language: English, German
Manufacturer: Wirtgen
Applicable Machine: Cold Milling Machine
Type of Document: Electrical Diagram
Machine Model: Wirtgen W 60 W 100 Cold Milling Machine
Serial Number: 09.10.0461-
Drawing Number: 2180773_00
Machine Key Code: 09.10


