Yale A266 (UT15-18P) Service and Operation Manual
Size: 110 MB
Language: English, Deutsch, Spanish, French, Italian, Portuguese, Turkish
Machine: Forklift
Machine Model: Class 5 A266 (UT15-18P)
Document: Service and Operation Manual, Electrical & Hydraulic Diagrams
List Files:
76002089 SERVICE MANUAL (09-2018)
76502233 [UT15-18P] U SM EN (10-2015)
Nissan K21 25 Service Manual (08-2011)
Operation Maintenance Manual (07-2017) 76000363
Operation Maintenance Manual (07-2017) 76001648
Operation Maintenance Manual DE (07-2017)
Operation Maintenance Manual ES (07-2017)
Operation Maintenance Manual FR (07-2017)
Operation Maintenance Manual IT (07-2017)
Operation Maintenance Manual PT (07-2017)
Operation Maintenance Manual TR (07-2017)
SERVICE MANUAL (09-2018)
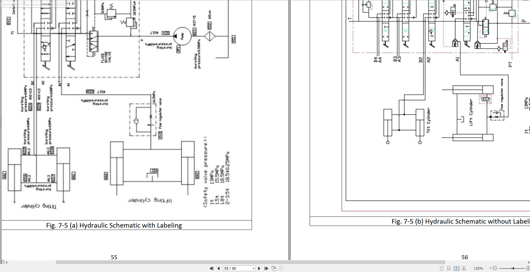
Yanmar TNE Series Service Manual (08-2011)
#CLICK HERE: YALEFORKLIFT FULL MANUAL|ALL BRAND FORKLIFT|SHOPPING GUIDE|CONTACT US|PAYMENT




