Yale A283 (MPC060VG, MPC080VG) Service Manual
Size: 8.56 MB
Machine: Forklift
Machine Model: Class 3 A283 (MPC060VG, MPC080VG)
Document: Service Manual, Electrical & Hydraulic Diagrams
List Files:
AC MOTOR REPAIR (12-2018)
BRAKES (01-2016)
CAPACITIES AND SPECIFICATIONS (10-2013)
CONTROLLER DIAGNOSTICS (01-2016)
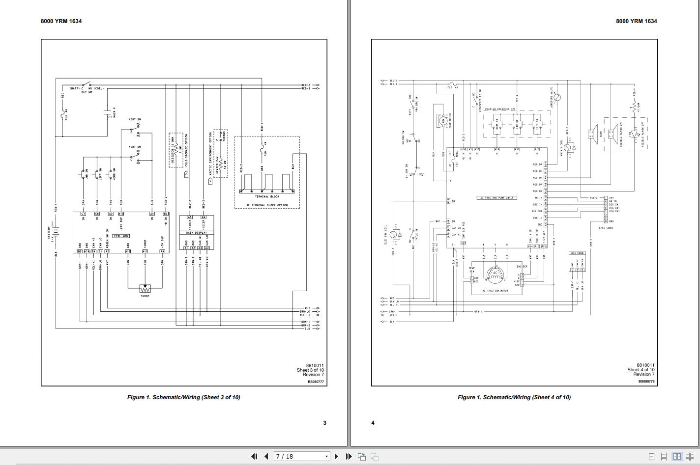
DIAGRAMS (03-2018)
ELECTRICAL SYSTEM (01-2016)
FRAME (01-2016)
INDUSTRIAL BATTERY (03-2020)
LIFTING MECHANISM (10-2013)
MASTER DRIVE UNIT (03-2021)
METRIC AND INCH (SAE) FASTENERS (03-2020)
PERIODIC MAINTENANCE (10-2013)
STEERING MECHANISM (01-2016)
USER INTERFAC SUPERVISOR FUNCTIONS (01-2016)
USER INTERFACE SERVICE TECHNICIAN (07-2017)
WALKIE HYDRAULIC SYSTEM (10-2013)
#CLICK HERE: YALEFORKLIFT FULL MANUAL|ALL BRAND FORKLIFT|SHOPPING GUIDE|CONTACT US|PAYMENT



