Yale A285 (UT20-25P, UT30-35P) Service and Operation Manual
Size: 156 MB
Language: English, Deutsch, Spanish, French, Italian, Turkish
Machine: Forklift
Machine Model: Class 5 A285 (UT20-25P, UT30-35P)
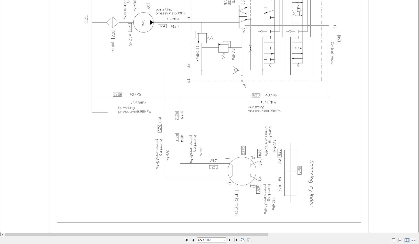
Document: Service and Operation Manual, Electrical & Hydraulic Diagrams
List Files:
2012 Emission Certified Bi-Fuel Parts and Service (10-2012)
2012 Emission Certified LPG Fuel System 2.2L Mazda Engine (10-2012)
76000366 [UT15-35P] U SM EN (08-2011)-Nissan K21 25
General Description of Diesel Engine (11-2015)
MAZDA ENGINE 2.2L Service Manual (10-2012)
Operation Maintenance Manual (07-2017) 76000363
Operation Maintenance Manual (07-2017)
Operation Maintenance Manual DE (07-2017)
Operation Maintenance Manual ES (05-2018)
Operation Maintenance Manual FR (07-2017)
Operation Maintenance Manual IT (07-2017)
Operation Maintenance Manual PT (05-2018)
Operation Maintenance Manual TR (07-2017)
PSI 2.0L & 2.4L Service Manual (09-2015)
SERVICE MANUAL (09-2018) 76000364
Service Manual (09-2018) 76002089
System Unit for Diesel Particulate Filter System (10-2015)
Yanmar TNE Series Service Manual (08-2011)
Yanmar TNV Series Service Manual (10-2014)
#CLICK HERE: YALEFORKLIFT FULL MANUAL|ALL BRAND FORKLIFT|SHOPPING GUIDE|CONTACT US|PAYMENT




