Yale A295 (NR035-040DA; NDR030DA) Service Manual
Size: 51.4 MB
Machine: Forklift
Machine Model: Yale Class 2 A295 (NR035-040DA; NDR030DA) Forklift
Document: Service Manual, Electrical & Hydraulic Diagrams
List Files:
DRIVETRAIN
0100YRM1185 FRAME 03-2011
0620YRM1186 AC MOTOR REPAIR 08-2009
0630YRM1022 Master Drive Unit 08-2009
1600YRM1187 STEERING SYSTEM 09-2009
1800YRM1188 BRAKE SYSTEM 01-2016
HYDRAULICS
1900YRM1307 HYDRAULIC SYSTEM 11-2015
4000YRM0481 LIFT CYLINDERS 08-2016
4000YRM1194 MAST 01-2016
4500YRM1196 REACH CARRIAGES 01-2016
ELECTRICAL
2200YRM1058 TROUBLESHOOTING AND ADJUSTMENTS USING THE AC CONTROLS PROGRAM 04-2011
2200YRM1191 ELECTRICAL SYSTEM 11-2008
2200YRM1192 SUPERVISOR INTERFACE - STANDARD 11-2012
2200YRM1193 TECHNICIAN INTERFACE - STANDARD 11-2012
2200YRM1240 SUPERVISOR INTERFACE - PREMIUM 11-2008
2200YRM1241 TECHNICIAN INTERFACE - PREMIUM 11-2008
2200YRM1308 AC MOTOR CONTROLLERS/DISPLAY PANEL 10-2010
2240YRM0001 INDUSTRIAL BATTERY 01-2023
REFERENCE MATERIAL
8000YRM0231 METRIC AND INCH (SAE) FASTENERS 02-2023
8000YRM1197 PERIODIC MAINTENANCE 08-2009
8000YRM1198 CAPACITIES AND SPECIFICATIONS 05-2008
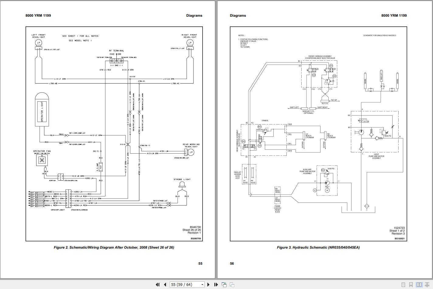
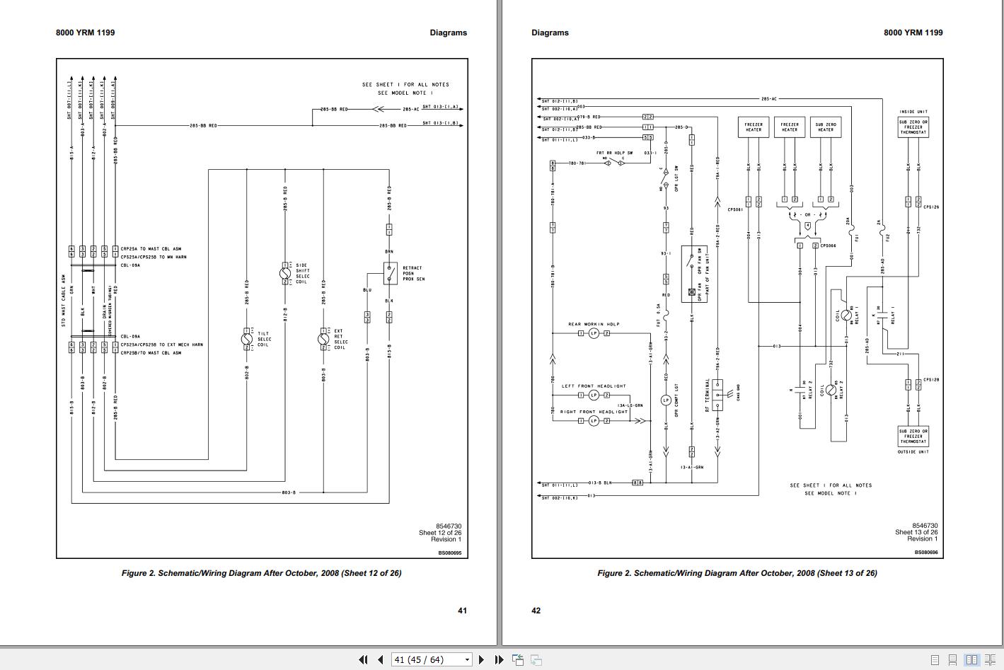
8000YRM1199 Diagrams 12-2013
#CLICK HERE: YALEFORKLIFT FULL MANUAL|ALL BRAND FORKLIFT|SHOPPING GUIDE|CONTACT US|PAYMENT



