Yale A410 (ERP170-190VNL) Service Manual
Size: 148 MB
Machine: Forklift
Machine Model: Class 1 A410 (ERP170-190VNL)
Document: Service Manual, Circuit Diagrams
List Files:
9000YRM2039 DIAGNOSTIC TROUBLESHOOTING MANUAL 01-2018
DRIVETRAIN
0100YRM2014 FRAME 01-2023
0100YRM2015 CAB REPAIR 01-2023
0700YRM2017 COOLING SYSTEM 01-2023
1400YRM2018 DRIVE AXLE AND DIFFERENTIAL REPAIR 01-2023
1600YRM2019 STEERING AXLE 01-2023
1600YRM2031 STEERING SYSTEM 01-2023
HYDRAULICS
1900YRM1620 HYDRAULIC CLEANLINESS PROCEDURES 01-2023
1900YRM2021 HYDRAULIC SYSTEM 01-2023
1900YRM2032 HYDRAULIC PUMP REPAIR 01-2023
2000YRM2033 MAIN CONTROL VALVE (E-HYDRAULIC) 01-2023
4000YRM2037 MAST REPAIR 02-2023
ELECTRICAL
0620YRM2016 AC MOTOR REPAIR 01-2023
2200YRM1128 WIRE HARNESS REPAIR 01-2023
2200YRM1335 USER INTERFACE SUPERVISOR 01-2023
2200YRM1336 USER INTERFACE SERVICE TECHNICIAN 02-2023
2200YRM2035 ELECTRICAL SYSTEM 01-2023
2240YRM0001 INDUSTRIAL BATTERY 01-2023
2240YRM2036 LITHIUM-ION BATTERY 01-2023
REFERENCE MATERIAL
8000YRM0231 METRIC AND INCH (SAE) FASTENERS 02-2023
8000YRM2029 CAPACITIES AND SPECIFICATIONS 02-2023
8000YRM2038 PERIODIC MAINTENANCE 03-2023
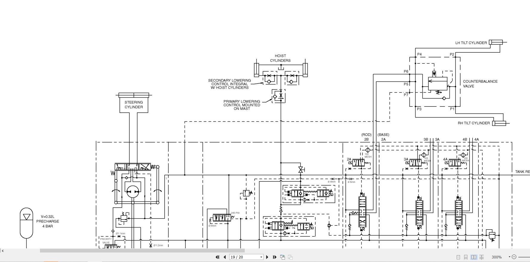
8000YRM2369 SCHEMATICS/DIAGRAMS 02-2023
#CLICK HERE: YALEFORKLIFT FULL MANUAL|ALL BRAND FORKLIFT|SHOPPING GUIDE|CONTACT US|PAYMENT




