Yale A5K2 (UT15WS) Operators Manual 66306337
Size: 1.81 MB
Machine: Forklift
Machine Model: Class 3 A5K2 (UT15WS)
Pages: 51 Pages
Part Number: 66306337
The Bookmarks of Yale A5K2 (UT15WS) Operators Manual:
1. Configuration diagram and main technical parameter
2. Brief introduction of structure
3. Safety specifications
4. Initial operation
5. Use and operation instruction
6. Use, maintenance and charging of storage battery
7. Inspection before operation
8. Inspection after operation
9. Periodic maintenance and upkeep
10. Storage, transportation, and loading & unloading
11. Replacement of storage battery
12. Common faults and troubleshooting
13. Common faults signal and trouble shooting
14. Lists of accessories, spare parts and vulnerable parts
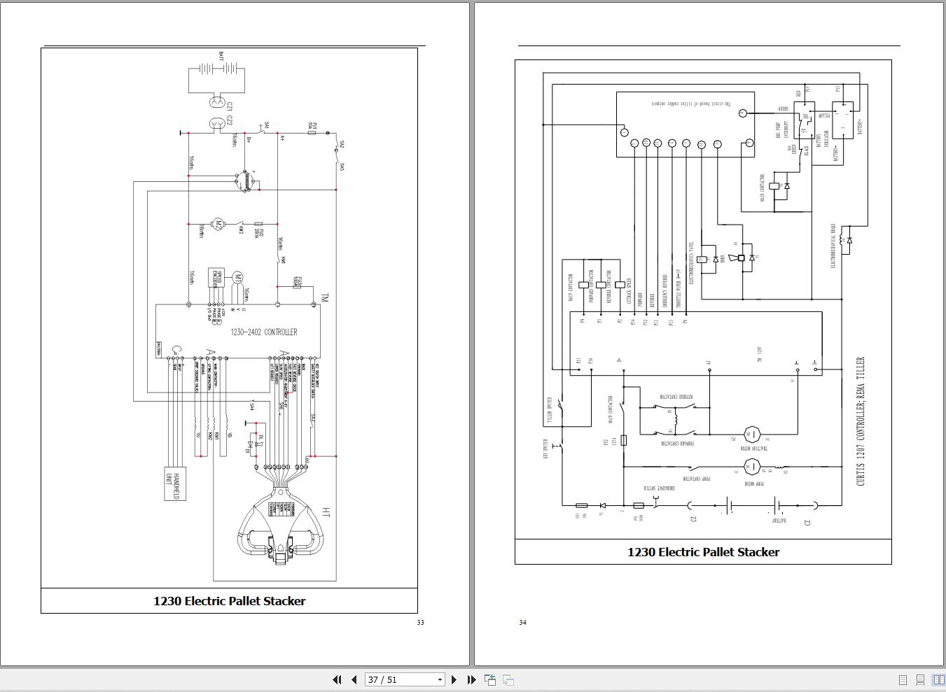
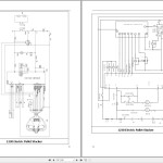
15. Structure and principle diagrams of major parts
16. Packing list
Appendix I Safety Specifications of Motor Industrial Vehicles
#CLICK HERE: YALEFORKLIFT FULL MANUAL|ALL BRAND FORKLIFT|SHOPPING GUIDE|CONTACT US|PAYMENT


