Yale A7R7 (MSL15XUX) Operators Manual 550215647
Size: 237 MB
Machine: Forklift
Machine Model: Class 3 A7R7 (MSL15XUX)
Pages: 58 Pages
Part Number: 550215647
The Bookmarks of Yale A7R7 (MSL15XUX) Operators Manual :
1 Configuration diagram
2 Brief introduction of structure
3 Safety specifications
4 Initial operation
5 Use and operation instruction
6 Use, maintenance and charge of the storage batteries
7 Inspection before operation
8 Inspection after operation
9 Periodic maintenance and repair
10 The store, transportation and loading of truck
11 Replacement of storage battery
12 Common faults and trouble shooting
13 Common fault signal and troubleshooting
14 Lists of accessories, spare parts and vulnerable parts
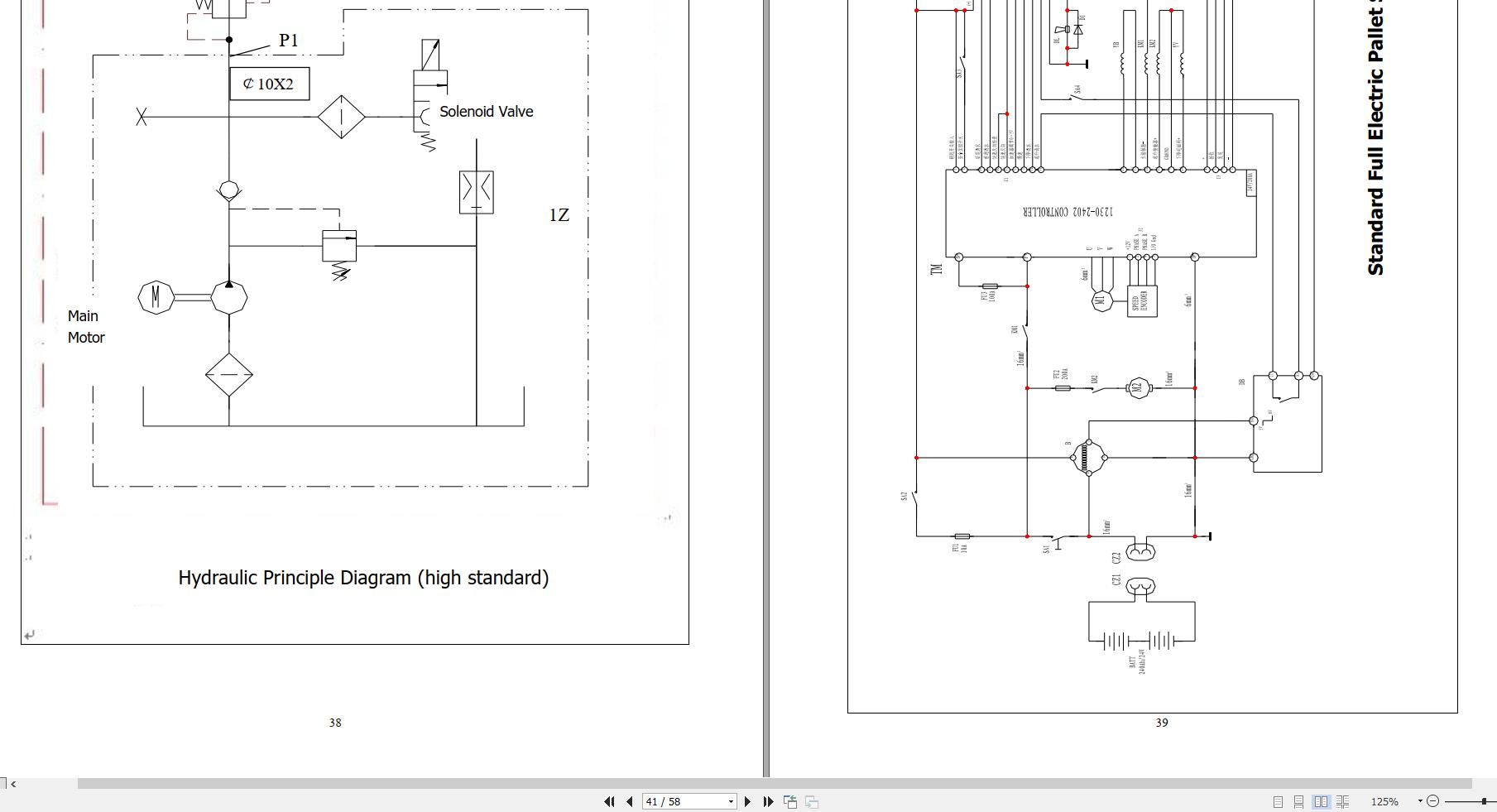
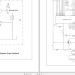
15 Structure diagram (explosion diagram) and principle diagram of the major parts
16 Packing list
Appendix 1
#CLICK HERE: YALEFORKLIFT FULL MANUAL|ALL BRAND FORKLIFT|SHOPPING GUIDE|CONTACT US|PAYMENT


