Yale A7S6 (GP080UX, GP090UX, GP100UX) Service Manual
Size: 68.4 MB
Machine: Forklift
Machine Model: Class 5 A7S6 (GP080UX, GP090UX, GP100UX)
Document: Service Manual, Electrical & Hydraulic Diagrams
Publication Date: 09.2023
List Files:
550253238 8000YRM2398 (07 2023)
BRAKE SYSTEM (07 2023)
CAPACITIES AND SPECIFICATIONS (07 2023)
COOLING SYSTEM (08 2023)
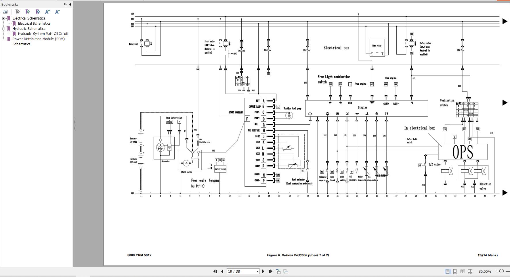
DIAGRAMS AND SCHEMATICS (07 2023)
DRIVE AXLE (07 2023)
ELECTRICAL SYSTEM (09 2023)
FRAME (09 2023)
FUEL SYSTEM (07 2023)
HYDRAULIC SYSTEM (07 2023)
MAST REPAIR (09 2023)
PERIODIC MAINTENANCE (07 2023)
STEERING AXLE (09 2023)
SYSTEM DESCRIPTION (07 2023)
TRANSMISSION (07 2023)
, Electrical & Hydraulic Diagrams
#CLICK HERE: YALEFORKLIFT FULL MANUAL|ALL BRAND FORKLIFT|SHOPPING GUIDE|CONTACT US|PAYMENT




