Yale A809 (GC_GLC030-040AF) Service Manual
Size: 5.90 MB
Machine: Forklift
Machine Model: Class 4 A809 (GC_GLC030-040AF)
Document: Service Manual, Circuit Diagram
The Bookmarks of Yale A809 (GC_GLC030-040AF) Service Manual:
FEF2 Engine - Cooling System
FEF2 Engine - DisassemblyAssembly (Overhaul)
FEF2 Engine - Engine Electrical System
FEF2 Engine - Gasoline Fuel System
FEF2 Engine - General Information
FEF2 Engine - LPG Fuel System (Part 1)
FEF2 Engine - LPG Fuel System (Part 2)
FEF2 Engine - Lubrication System
FEF2 Engine - Specifications and Maintenance
FEF2 Engine - User Support Information
Workshop Manual - Brake System
Workshop Manual - Drive Axle
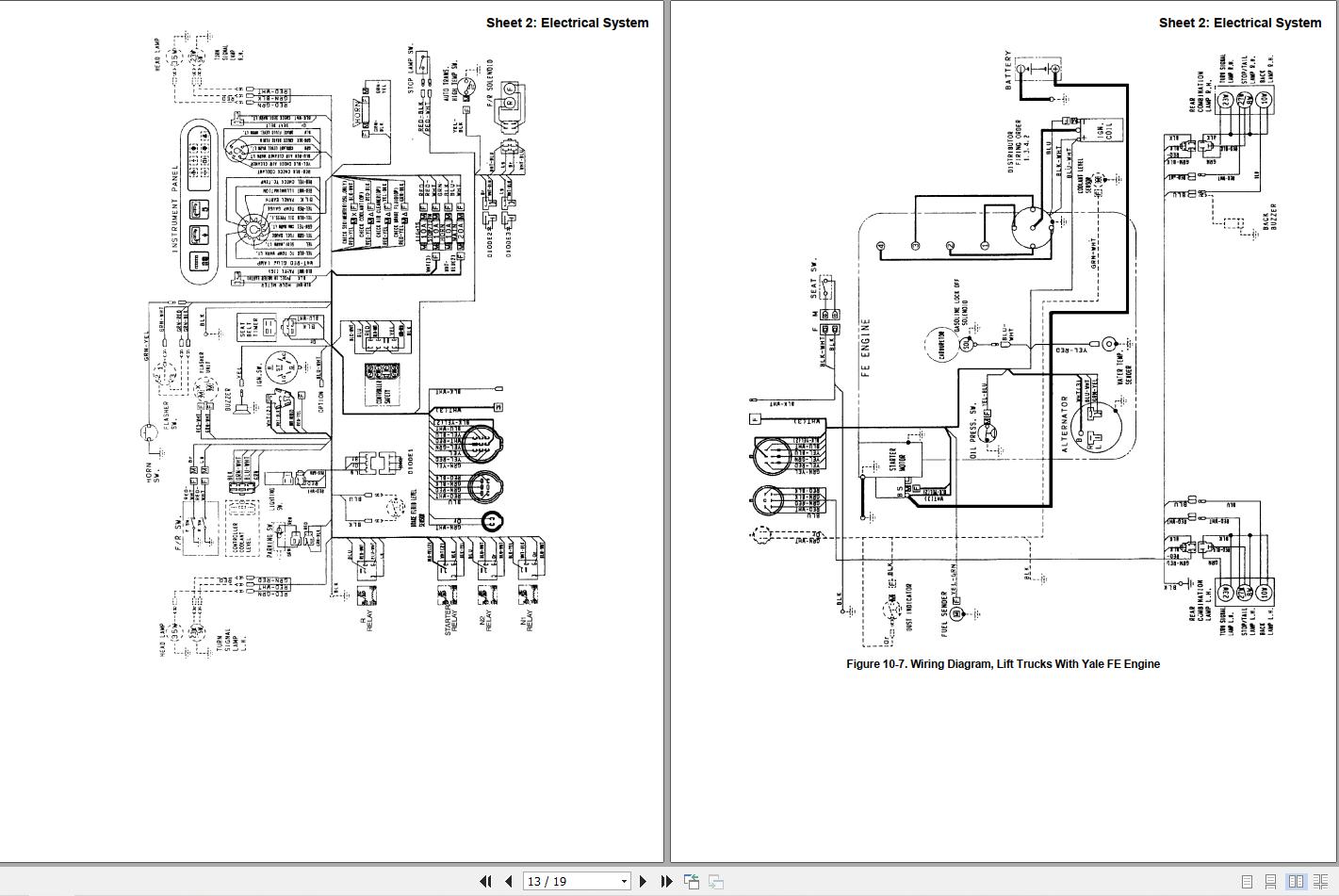
Workshop Manual - Electrical System
Workshop Manual - Frame Parts
Workshop Manual - General Information
Workshop Manual - General Lift TruckLubrication Schedule (General Procedures)
Workshop Manual - General Lift TruckLubrication Schedule (Part 1)
Workshop Manual - General Lift TruckLubrication Schedule (Part 2)
Workshop Manual - Hydraulic System
Workshop Manual - Mast
Workshop Manual - Power Steering
Workshop Manual - Steering Axle
Workshop Manual - Transmission (Part 1)
Workshop Manual - Transmission (Part 2)
Workshop Manual - Transmission (Part 3)
#CLICK HERE: YALEFORKLIFT FULL MANUAL|ALL BRAND FORKLIFT|SHOPPING GUIDE|CONTACT US|PAYMENT



