Yale A968 (ERC22VG, ERC25VG, ERC30VG, ERC32VG, ERC35VG) Service Manual
Size: 266 MB
Machine: Forklift
Machine Model: Class 1 A968 (ERC22VG, ERC25VG, ERC30VG, ERC32VG, ERC35VG)
Document: Service Manual, Electrical & Hydraulic Diagrams
List Files:
DRIVETRAIN
0100YRM1342 FRAME 02-2023
0100YRM1446 OPERATOR'S CAB 02-2023
0620YRM1385 AC MOTOR REPAIR 02-2023
1300YRM1366 DRIVE AXLE, SPEED REDUCER, AND DIFFERENTIAL 03-2023
1600YRM1360 STEERING AXLE 03-2023
1600YRM1363 STEERING SYSTEM 03-2023
1800YRM1359 BRAKE SYSTEM 04-2023
HYDRAULICS
1900YRM1367 HYDRAULIC SYSTEM 08-2023
1900YRM1620 HYDRAULIC CLEANLINESS PROCEDURES 01-2023
2000YRM1334 MAIN CONTROL VALVES 03-2023
2100YRM1382 CYLINDER REPAIR 07-2023
2100YRM1668 CYLINDER REPAIR (MAST S/N F507, F508, F562, F563) 04-2023
4000YRM1338 MAST REPAIR (S/N A551, A555, A559, B551, B555, D507, D562, D508, D563, D509, D564, D515, E509, E564) 04-2023
4000YRM1669 MAST REPAIR (S/N F507, F508, F562, F563) 04-2023
ELECTRICAL
2200YRM1128 WIRE HARNESS REPAIR 01-2023
2200YRM1335 USER INTERFACE SUPERVISOR 01-2023
2200YRM1336 USER INTERFACE SERVICE TECHNICIAN 02-2023
2200YRM1369 ELECTRICAL SYSTEM 04-2023
2240YRM0001 INDUSTRIAL BATTERY 01-2023
REFERENCE MATERIAL
8000YRM0231 METRIC AND INCH (SAE) FASTENERS 02-2023
8000YRM1364 PERIODIC MAINTENANCE 07-2023
8000YRM1374 CAPACITIES AND SPECIFICATIONS 04-2023
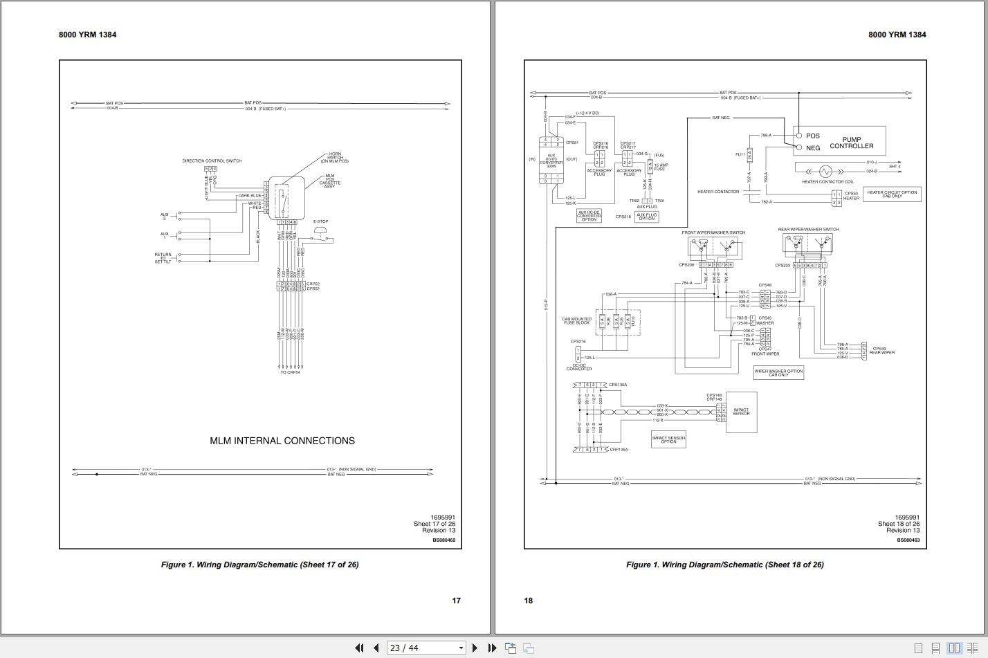
8000YRM1384 DIAGRAMS 04-2023
DIAGNOSTIC TROUBLESHOOTING
9000YRM1377 DIAGNOSTIC TROUBLESHOOTING MANUAL 09-2019
#CLICK HERE: YALEFORKLIFT FULL MANUAL|ALL BRAND FORKLIFT|SHOPPING GUIDE|CONTACT US|PAYMENT




