Yale B839 (ERC070-120HH) Service Manual
Size: 53.6 MB
Machine: Forklift
Machine Model: Class 1 B839 (ERC070-120HH)
Document: Service Manual
List Files:
DRIVETRAIN
0100YRM1200 FRAME 11-2006
0620YRM1098 AC MOTOR REPAIR 03-2010
1400YRM0413 DRIVE AXLE, SPEED REDUCER, AND DIFFERENTIAL 11-2006
1600YRM0326 STEERING AXLE 03-2007
1600YRM0720 STEERING HOUSING AND CONTROL UNIT 11-2006
1600YRM1054 STEERING SYSTEM 11-2006
1800YRM0338 BRAKE SYSTEM 05-2009
HYDRAULICS
1900YRM0559 HYDRAULIC SYSTEM 04-2009
2000YRM0077 MAIN CONTROL VALVE 02-2009
2100YRM0103 TILT CYLINDERS 03-2007
4000YRM0736 MASTS 07-2010
4000YRM0741 LIFT CYLINDERS 03-2005
ELECTRICAL
2200YRM1055 ELECTRICAL SYSTEM 10-2009
2200YRM1056 AC MOTOR CONTROLLERS/DISPLAY PANEL 03-2009
2200YRM1058 TROUBLESHOOTING AND ADJUSTMENTS USING THE AC CONTROLS PROGRAM 04-2011
2240YRM0001 INDUSTRIAL BATTERY 01-2023
REFERENCE MATERIAL
8000YRM0231 METRIC AND INCH (SAE) FASTENERS 02-2023
8000YRM1201 PERIODIC MAINTENANCE 02-2010
8000YRM1202 CAPACITIES AND SPECIFICATIONS 11-2006
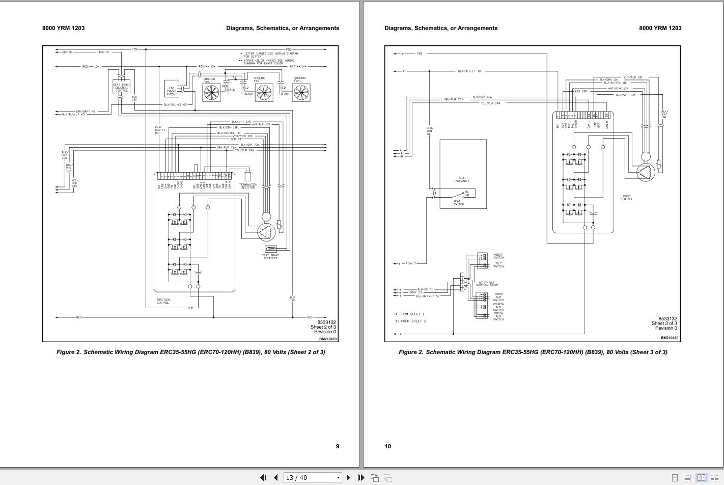
8000YRM1203 DIAGRAMS 02-2009
#CLICK HERE: YALEFORKLIFT FULL MANUAL|ALL BRAND FORKLIFT|SHOPPING GUIDE|CONTACT US|PAYMENT




