Yale B843 (MP20X) Service Manual
Size: 13.5 MB
Format: HTML
Machine: Forklift
Machine Model: Class 3 B843 (MP20X)
List Files:
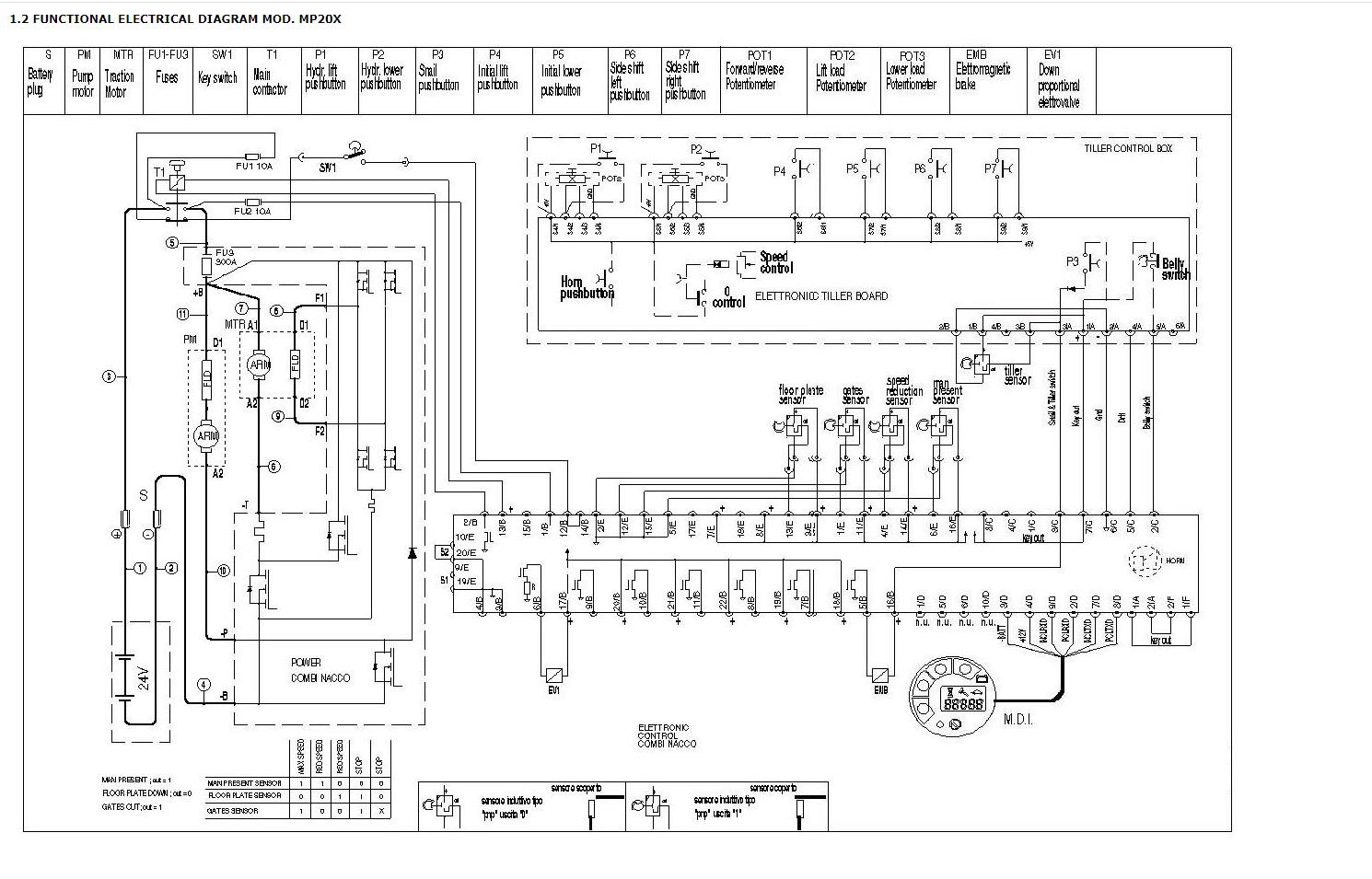
Controller Electronic COMBI
Multifunction Digital Instrument (MDI)Reducer
Reducer
Service Repair Manual
#CLICK HERE: YALEFORKLIFT FULL MANUAL|ALL BRAND FORKLIFT|SHOPPING GUIDE|CONTACT US|PAYMENT




