Yale B849 (MR14-MR15H-MR16-MR18-MR20) Service Manual
Size: 19.7 MB
Format: PDF, HTML
Machine:Forklift
Machine Model: Class 2 B849 (MR14-MR15H-MR16-MR18-MR20)
Document: Service Manual, Electrical & Hydraulic Diagrams
List Files:
EPS-DC Wire Guidance
Reducer
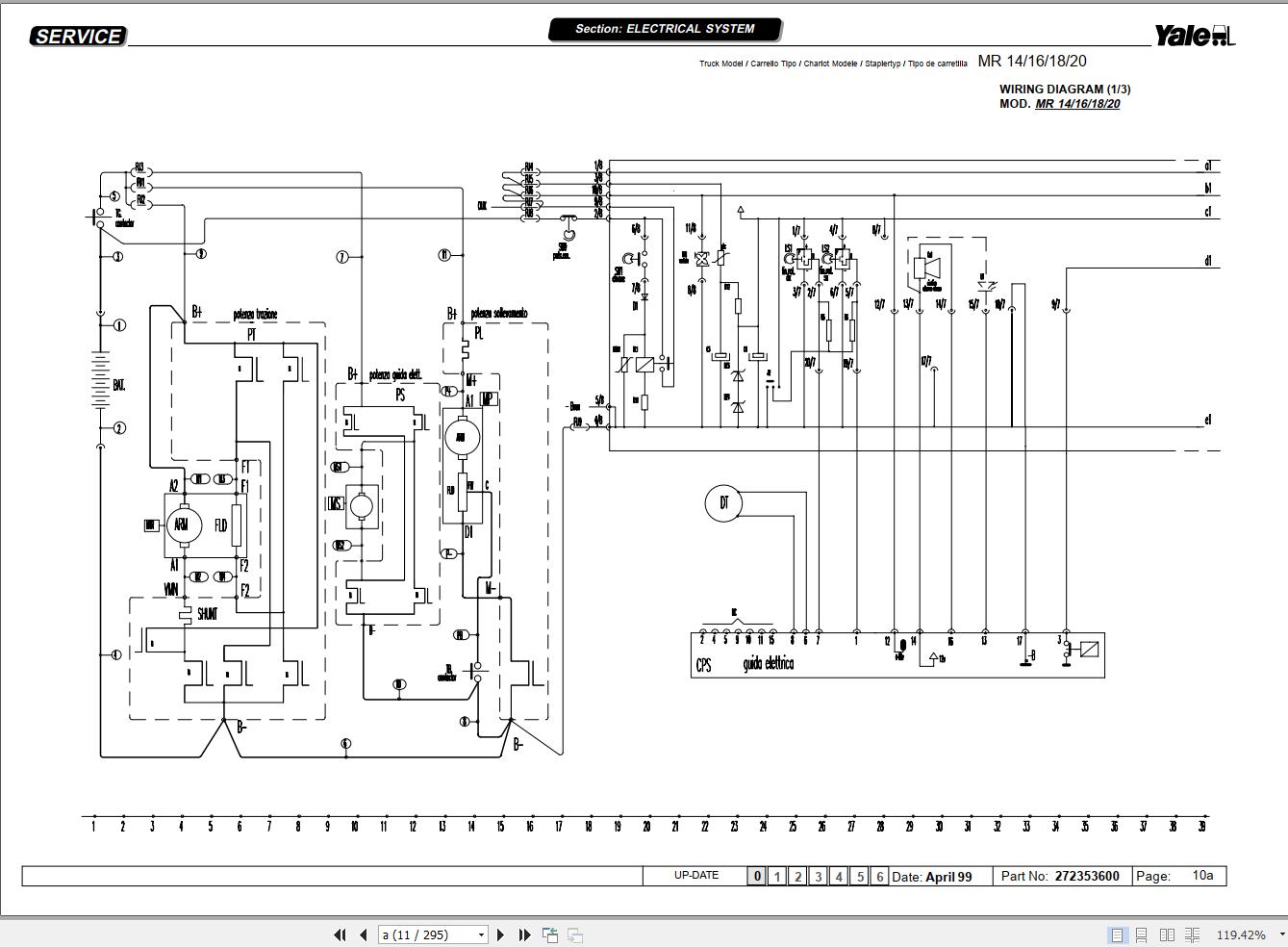
Service Manual 272353600
#CLICK HERE: YALEFORKLIFT FULL MANUAL|ALL BRAND FORKLIFT|SHOPPING GUIDE|CONTACT US|PAYMENT



