Yale B868 (MTC10 - MTC13 - MTC13 LWB [NTA030SB]) Service Manual
Size: 102 MB
Machine:Forklift
Machine Model: Class 2 B868 (MTC10 - MTC13 - MTC13 LWB [NTA030SB])
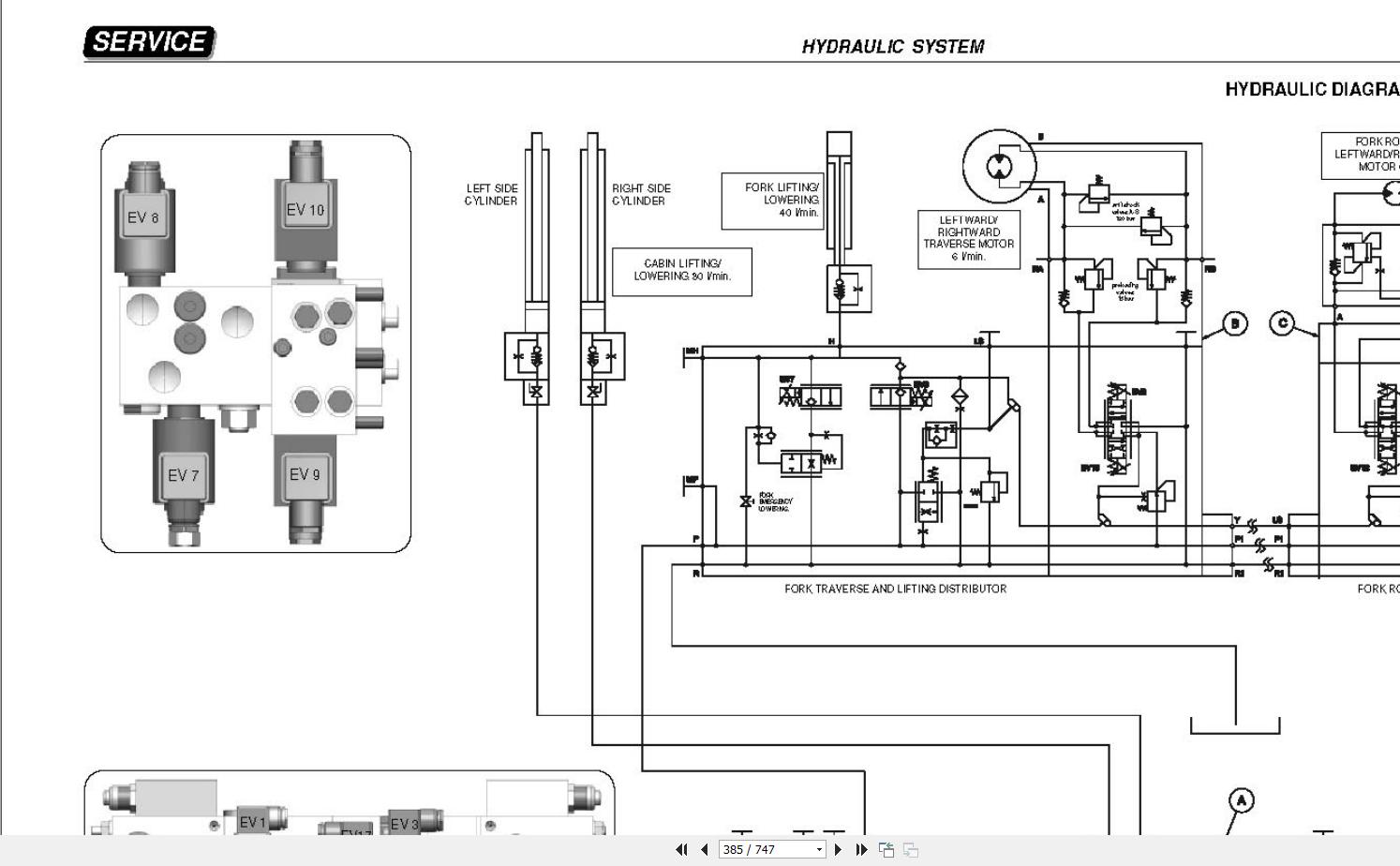
Document: Service Manual, Electrical & Hydraulic Diagrams
List Files:
Electric schematics
EPS AC Wire Guidance
Motors
Periodic Maintenance Manual
Service Repair Manual
Wire Driver manual
#CLICK HERE: YALEFORKLIFT FULL MANUAL|ALL BRAND FORKLIFT|SHOPPING GUIDE|CONTACT US|PAYMENT
![Yale B868 (MTC10 - MTC13 - MTC13 LWB [NTA030SB]) Service Manual](https://autoepcsoft.org/themes/farmart/images/placeholder.png)
![Yale B868 (MTC10 - MTC13 - MTC13 LWB [NTA030SB]) Service Manual](https://autoepcsoft.org/storage/yale-class-2/yale-b868-mtc10-mtc13-mtc13-lwb-nta030sb-service-manual-1-150x150.jpg)
![Yale B868 (MTC10 - MTC13 - MTC13 LWB [NTA030SB]) Service Manual](https://autoepcsoft.org/storage/yale-class-2/yale-b868-mtc10-mtc13-mtc13-lwb-nta030sb-service-manual-2-150x150.jpg)
![Yale B868 (MTC10 - MTC13 - MTC13 LWB [NTA030SB]) Service Manual](https://autoepcsoft.org/storage/yale-class-2/yale-b868-mtc10-mtc13-mtc13-lwb-nta030sb-service-manual-3-150x150.jpg)