Yale C821 (MRW020-030E) Service Manual
Size: 22.8 MB
Machine: Forklift
Machine Model: Class 3 C821 (MRW020-030E)
Document: Service Manual, Electrical & Hydraulic Diagrams
List Files:
BRAKES (08-2016)
CAPACITIES AND SPECIFICATIONS (09-2016)
DC MOTOR MAINTENANCE (09-2016)
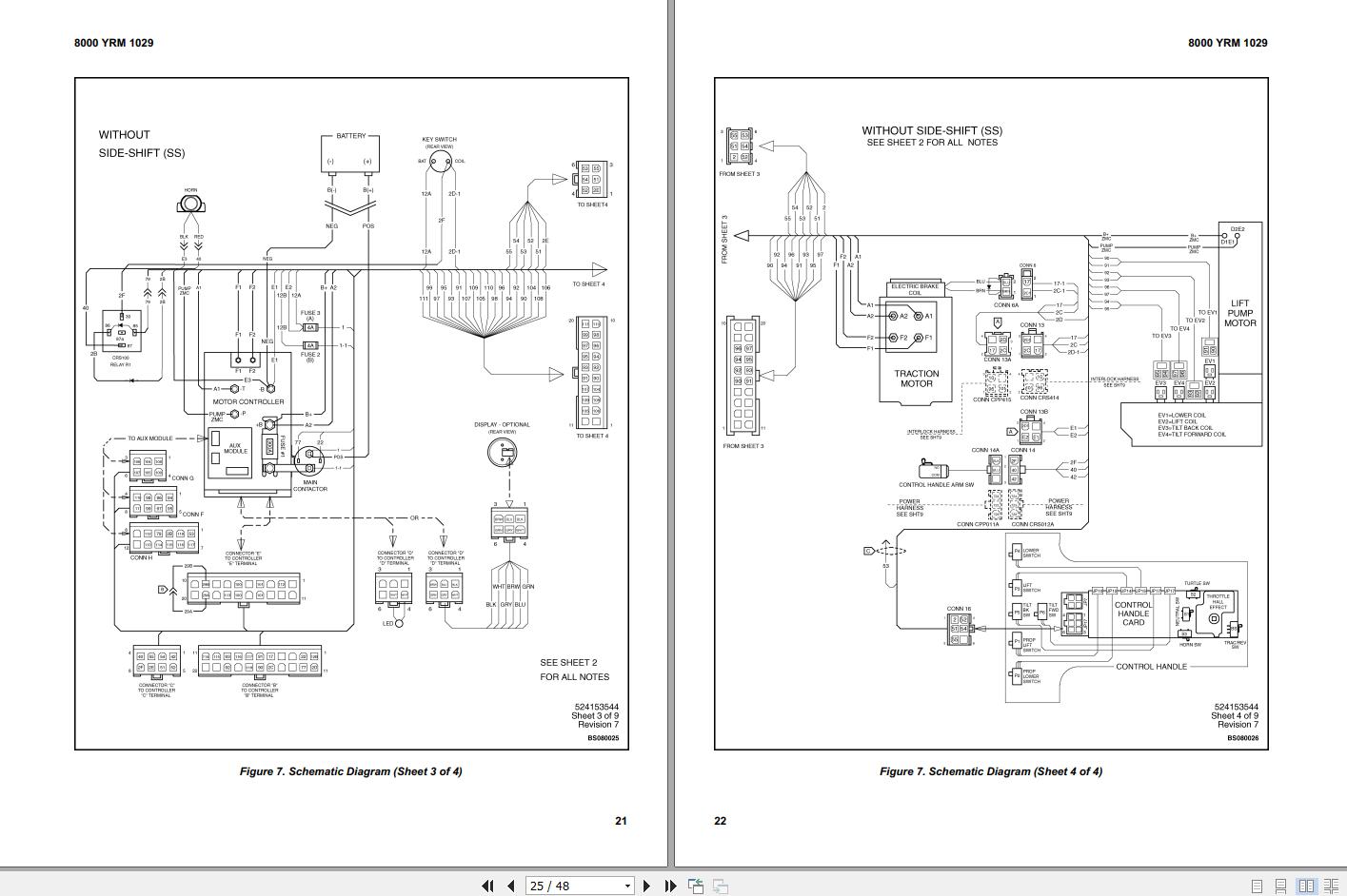
DIAGRAMS (02-2018)
ELECTRICAL SYSTEM (09-2016)
FRAME (08-2016)
INDUSTRIAL BATTERY (01-2023)
INDUSTRIAL BATTERY (03-2020)
LIFT CYLINDERS (08-2016)
MAST (05-2018)
MAST (08-2016)
MASTER DRIVE UNIT (WITH EPAS) (03-2022)
MASTER DRIVE UNIT (WITH EPAS) (12-2018)
METRIC AND INCH (SAE) FASTENERS (02-2023)
METRIC AND INCH (SAE) FASTENERS (03-2020)
PERIODIC MAINTENANCE (12-2018)
REACH CARRIAGES (05-2018)
STEERING MECHANISM (08-2016)
WALKIE HIGH LIFT HYDRAULIC SYSTEM (02-2018)
ZAPIT CONTROLLERS (08-2016)
#CLICK HERE: YALEFORKLIFT FULL MANUAL|ALL BRAND FORKLIFT|SHOPPING GUIDE|CONTACT US|PAYMENT




