Yale C849 (MR1414H - MR1616H16N - MR2020H20W - MR25) Service Manual
Size: 22.5 MB
Format: PDF, HTML
Machine:Forklift
Machine Model: Class 2 C849 (MR1414H - MR1616H16N - MR2020H20W - MR25)
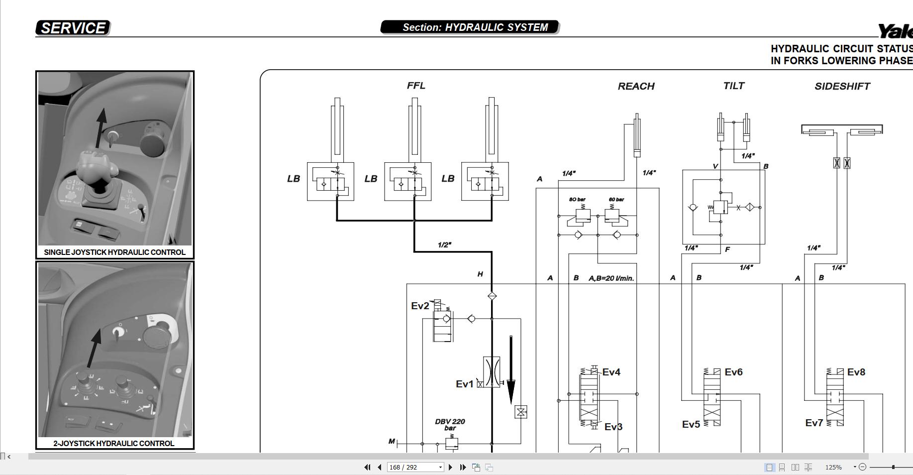
Document: Service Manual, Hydraulic & Electrical Diagrams
List Files:
EPS AC Wire Guidance
Modular Control System For AC Motors 524162546 (82 Pages)
Service Manual 524159096 (292 Pages)
#CLICK HERE: YALEFORKLIFT FULL MANUAL|ALL BRAND FORKLIFT|SHOPPING GUIDE|CONTACT US|PAYMENT



