Yale C856 (MP25HD - MP30HD C856X01525A -) Service Manual
Size: 14.8 MB
Format: HTML
Machine: Forklift
Machine Model: Class 3 C856 (MP25HD - MP30HD C856X01525A -)
List Files:
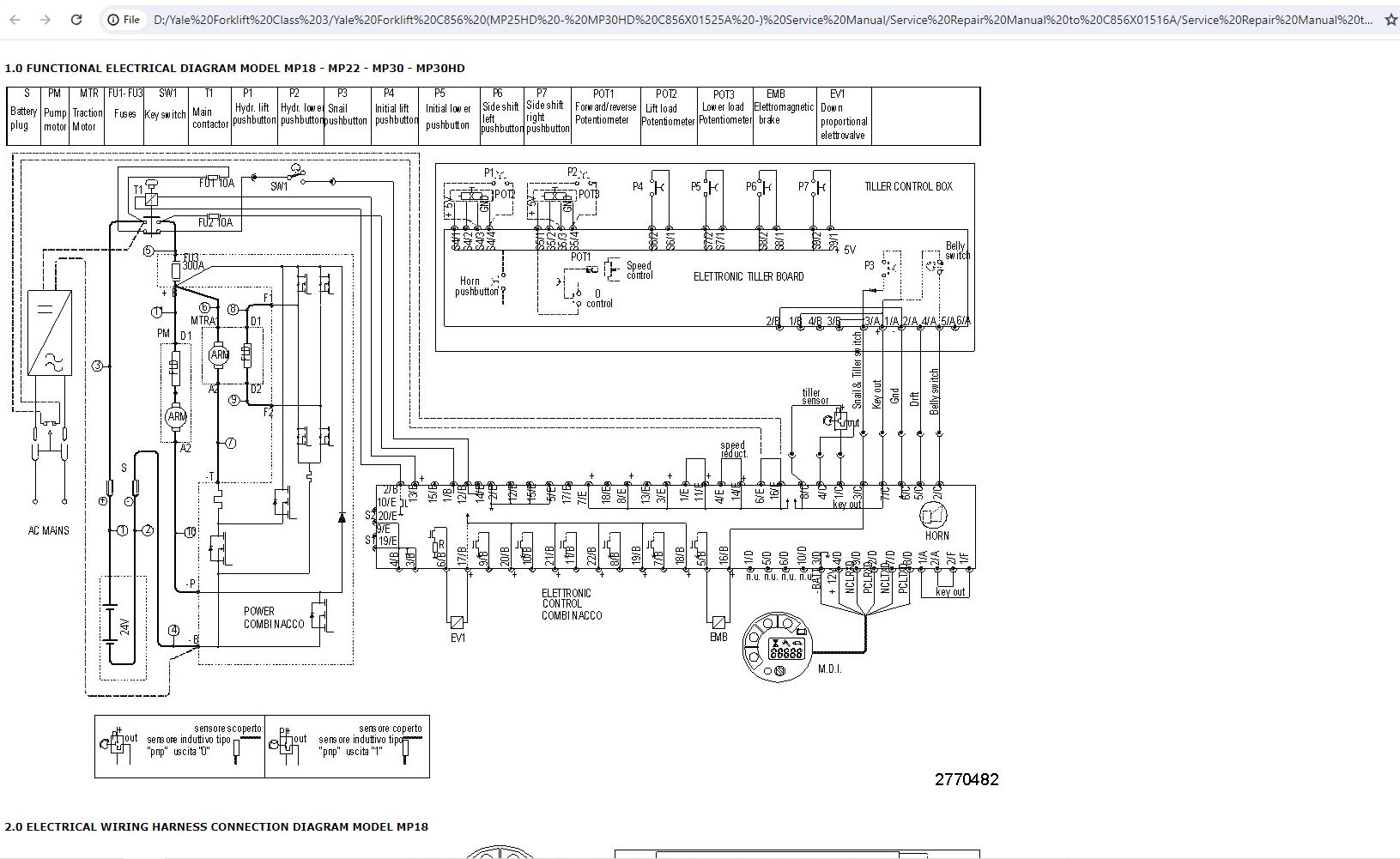
Controller Electronic COMBI
Multifunction Digital Instrument (MDI)
Reducer
Service Repair Manual C856X01517A on
Service Repair Manual to C856X01516A
#CLICK HERE: YALEFORKLIFT FULL MANUAL|ALL BRAND FORKLIFT|SHOPPING GUIDE|CONTACT US|PAYMENT




