Yale D852 (MS10 - MS12 - MS14 - MS16 - MS20) Service Manual
Size: 120 MB
Machine: Forklift
Machine Model: Class 3 D852 (MS10 - MS12 - MS14 - MS16 - MS20)
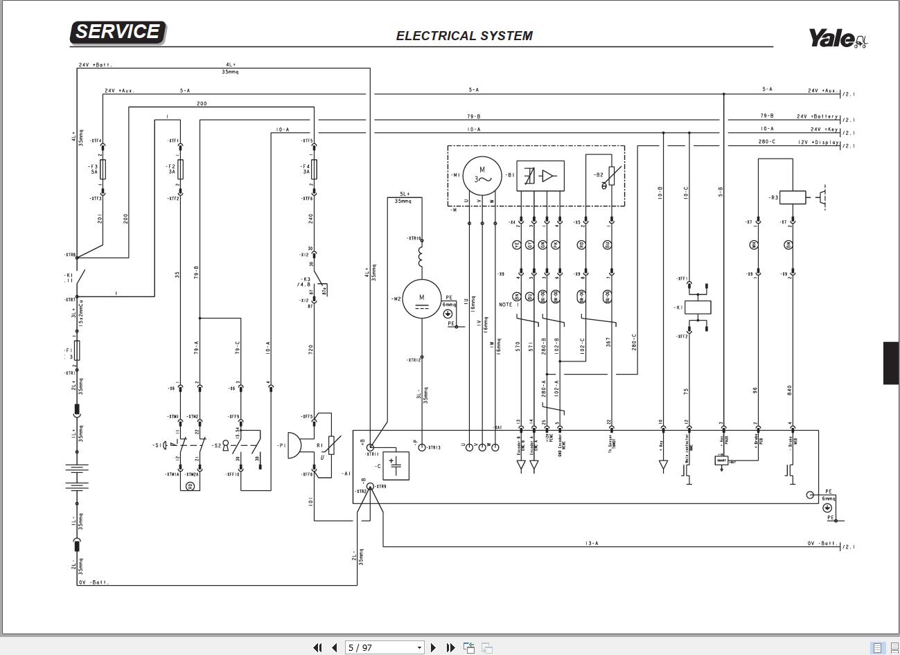
Document: Service Manual, Hydraulic & Electrical Diagrams
List Files:
MIDAC Lithium Battery
SERVICE MANUAL
#CLICK HERE: YALEFORKLIFT FULL MANUAL|ALL BRAND FORKLIFT|SHOPPING GUIDE|CONTACT US|PAYMENT



