Yale E187 (GC_GLC060-065ZG) Service Manual
Size: 48.6 MB
Machine: Forklift
Machine Model: Class 4 E187 (GC_GLC060-065ZG)
Document: Service Manual, Electrical & Hydraulic Diagrams
List File:
ALTERNATOR WITH REGULATOR (01-2016)
BRAKE SYSTEM (05-2005)
CAPACITIES AND SPECIFICATIONS (01-2011)
COOLING SYSTEM (03-2003)
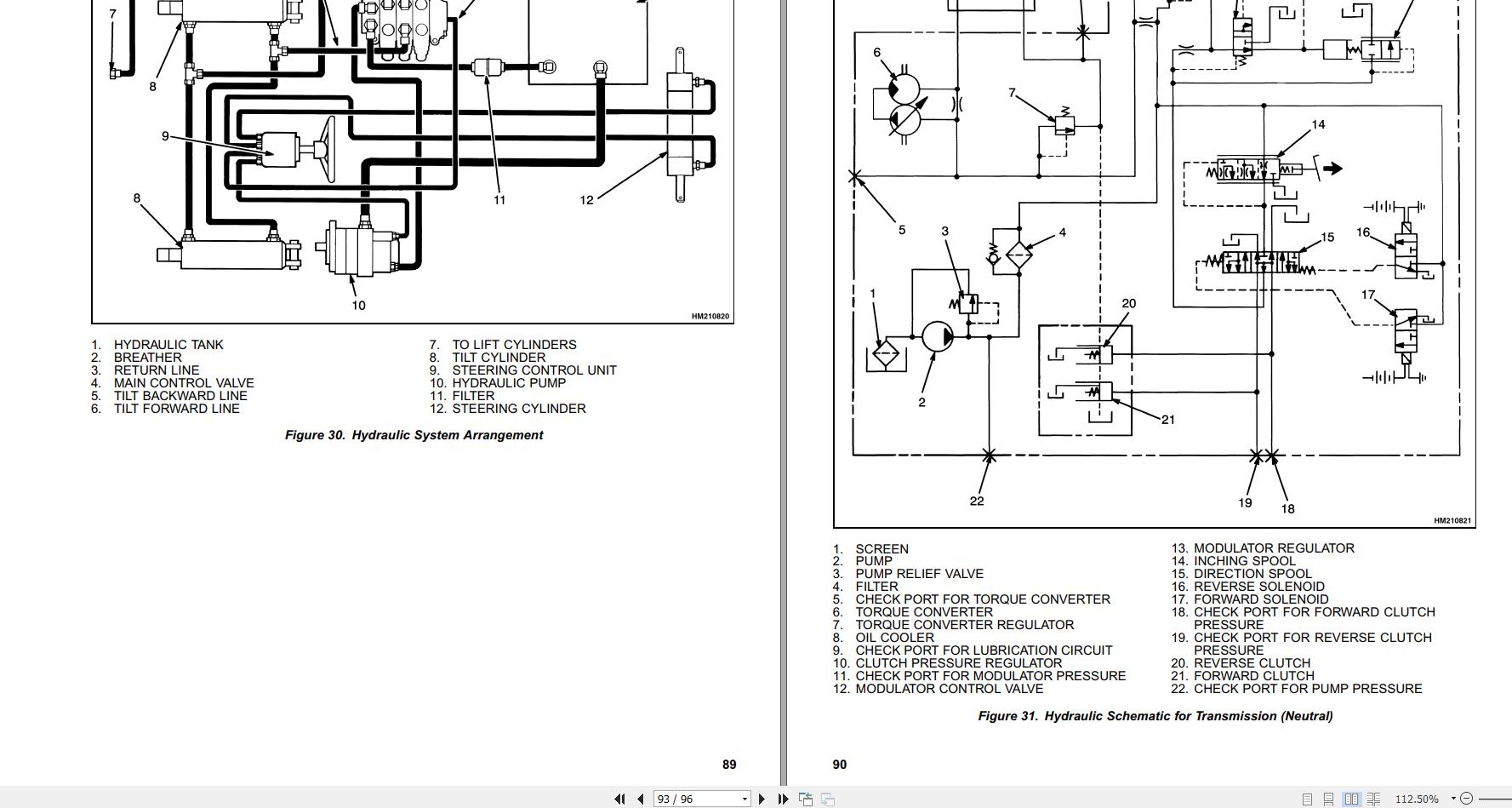
DIAGRAMS (09-2005)
DRIVE AXLE (10-2004)
DUAL FUEL SYSTEM GM 3.0L (04-2005)
DUAL FUEL SYSTEM MAZDA FE ENGINE (04-2005)
ELECTRICAL SYSTEM MAZDA FE AND F2 GASOLINELPG ENGINES (12-2003)
ELECTRONIC CONTROL MODULE DIAGNOSTIC TROUBLESHOOTING (04-2005)
ELECTRONIC CONTROLLED LPGGASOLINE FUEL SYSTEM (05-2006)
ELECTRONIC ENGINE CONTROL DESCRIPTION AND OPERATION (03-2003)
ELECTRONIC ENGINE CONTROL DESCRIPTION AND OPERATION (12-2003)
ELECTRONIC ENGINE CONTROL TROUBLESHOOTING AND REPAIR (03-2003)
ELECTRONIC ENGINE CONTROL TROUBLESHOOTING AND REPAIR (12-2003)
FOUR-STAGE MAST (04-2005)
FRAME (06-2004)
GASOLINE FUEL SYSTEM MAZDA FE AND F2 ENGINES (12-2003)
GM ENGINE REPAIR GM 3.0 LITER ENGINE (10-2006)
HIGH ENERGY IGNITION (HEI) SYSTEM (03-2008)
HYDRAULIC SYSTEM (06-2004)
INSTRUMENT CLUSTER (01-2004)
LPG FUEL SYSTEM (12-2003)
LPG FUEL SYSTEM AISAN CLOSED-LOOP (10-2006)
LPG FUEL SYSTEM GM 2.2L AND 3.0L ENGINES (12-2003)
LPG FUEL SYSTEMMAZDA FE ENGINE (12-2003)
MAIN CONTROL VALVE (12-2003)
MAST DESCRIPTION (03-2006)
MAST REPAIRS (07-2010)
MAZDA ENGINE FE AND F2 (01-2011)
MAZDA XA AND HA DIESEL ENGINES (01-2011)
METRIC AND INCH (SAE) FASTENERS (02-2023)
METRIC AND INCH (SAE) FASTENERS (03-2020)
MICROPROCESSOR SPARK TIMING SYSTEM (12-2003)
MICROPROCESSOR SPARK TIMING SYSTEM (MSTS) (03-2003)
PERIODIC MAINTENANCE (06-2009)
SINGLE SPEED POWERSHIFT TRANSMISSIONS (03-2004)
SINGLE SPEED POWERSHIFT TRANSMISSIONS (08-2003)
STARTER (01-2016)
STEERING AXLE (11-2006)
STEERING HOUSING AND CONTROL UNIT (07-2003)
STEERING HOUSING AND CONTROL UNIT (11-2006)
TILT CYLINDERS (03-2007)
#CLICK HERE: YALEFORKLIFT FULL MANUAL|ALL BRAND FORKLIFT|SHOPPING GUIDE|CONTACT US|PAYMENT




