Yale E815 (NDR030EB, NR040EB, NR035EB) Service Manual
Size: 24.7 MB
Machine:Forklift
Machine Model: Class 2 E815 (NDR030EB, NR040EB, NR035EB)
Document: Service Manual, Hydraulic & Electrical Diagrams
List Files:
DRIVETRAIN
0100YRM1615 FRAME 01-2016
0620YRM1621 A/C MOTOR REPAIR S/N A474N03000L=> S/N A497N030000L=> S/N D801N02161L=> S/N E826N01917L=> 12-2018
0630YRM1609 MASTER DRIVE UNIT S/N D801N03000L=> S/N A474N03000L=> S/N A497N030000L=> S/N E826N03000L=> 03-2021
1600YRM1610 STEERING SYSTEM 04-2014
1800YRM1188 BRAKE SYSTEM 01-2016
HYDRAULICS
1900YRM1616 HYDRAULIC SYSTEM 12-2018
4000YRM0481 LIFT CYLINDERS 08-2016
4000YRM1194 MAST 01-2016
4000YRM1195 MAST 07-2019
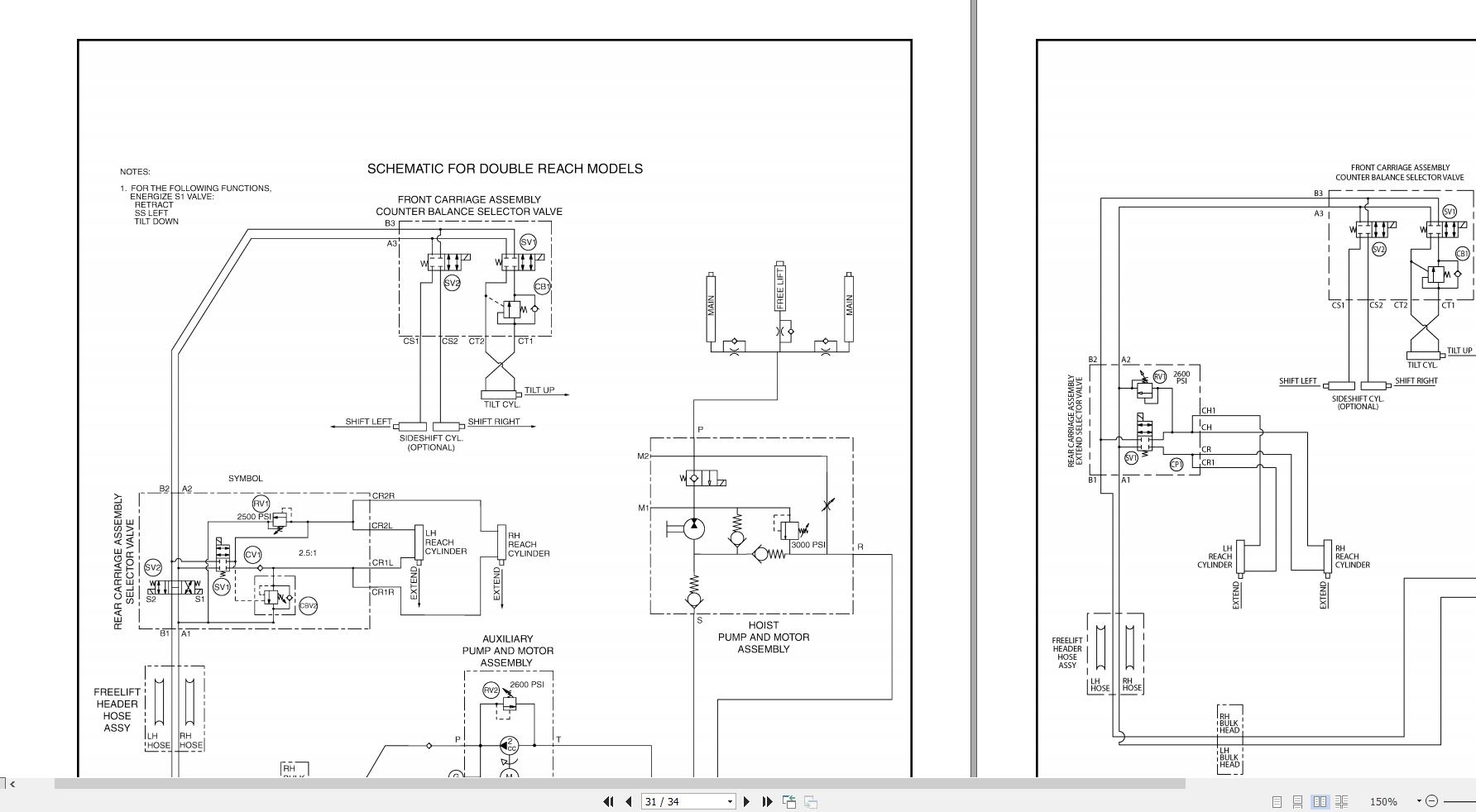
4500YRM1196 REACH CARRIAGES 01-2016
ELECTRICAL
2200YRM1128 WIRE HARNESS REPAIR 01-2023
2200YRM1612 ELECTRICAL SYSTEM 07-2018
2200YRM1613 USER INTERFACE SUPERVISOR FUNCTIONS 02-2014
2200YRM1614 USER INTERFACE SERVICE TECHNICIAN 01-2019
2240YRM0001 INDUSTRIAL BATTERY 01-2023
REFERENCE MATERIAL
8000YRM0231 METRIC AND INCH (SAE) FASTENERS 02-2023
8000YRM1617 PERIODIC MAINTENANCE 02-2018
8000YRM1618 CAPACITIES AND SPECIFICATIONS 01-2016
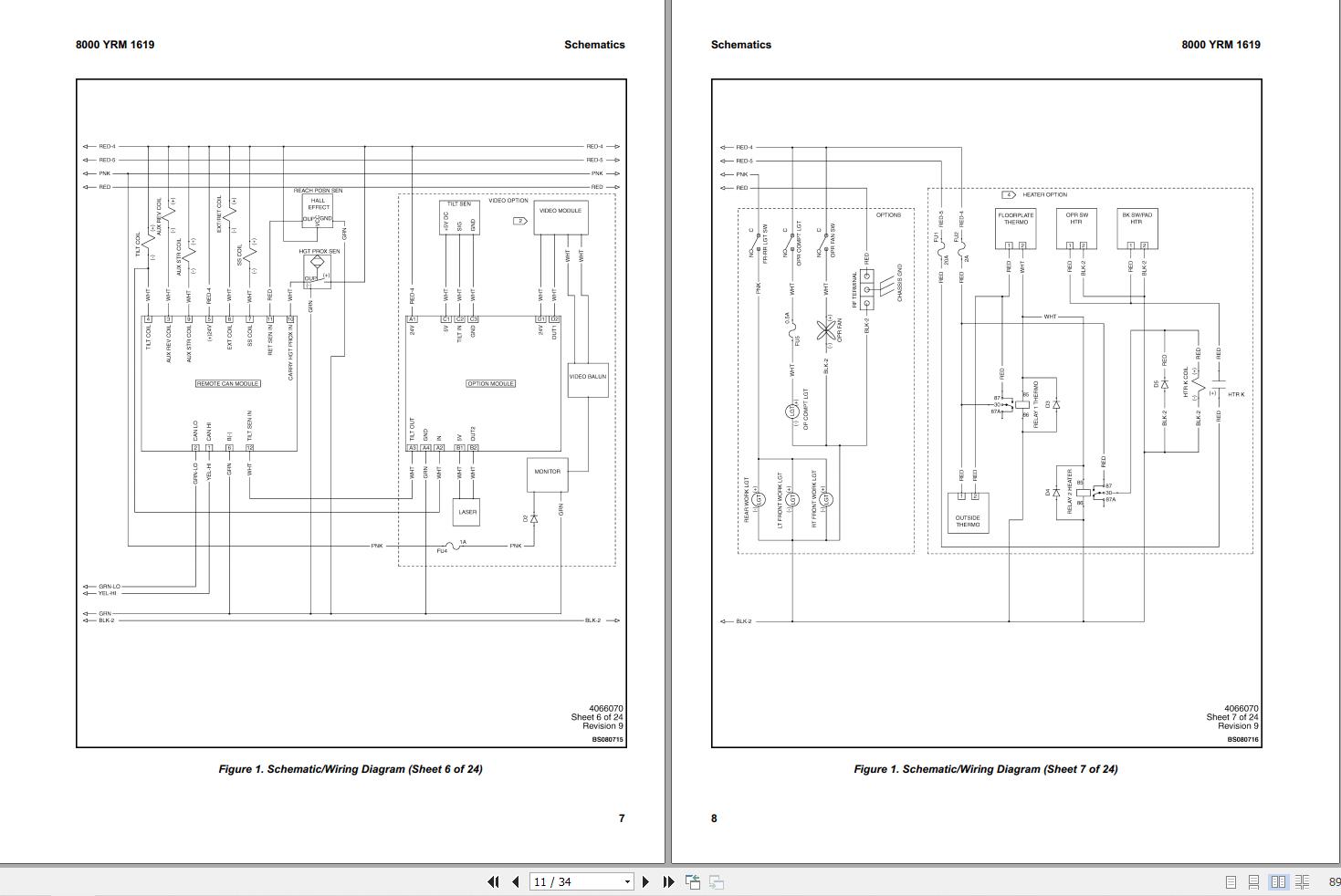
8000YRM1619 DIAGRAMS 09-2019
DIAGNOSTIC TROUBLESHOOTING
9000YRM1622 CONTROLLER DIAGNOSTICS 01-2022
#CLICK HERE: YALEFORKLIFT FULL MANUAL|ALL BRAND FORKLIFT|SHOPPING GUIDE|CONTACT US|PAYMENT




