Yale E861 (NR035EC, NR040EC, NR045EC, NDR30EC, NDR35EC) Service Manual
Size: 90.9 MB
Machine:Forklift
Machine Model: Class 2 E861 (NR035EC, NR040EC, NR045EC, NDR30EC, NDR35EC)
Document: Service Manual, Hydraulic & Electrical Diagrams
List Files:
DRIVETRAIN
0100YRM2082 FRAME 08-2019
0620YRM2083 AC MOTOR REPAIR 08-2019
0630YRM2084 MASTER DRIVE UNIT 09-2022
0630YRM2448 MASTER DRIVE UNIT 09-2022
1600YRM2085 STEERING SYSTEM 03-2020
1800YRM2086 BRAKE SYSTEM 07-2023
HYDRAULICS
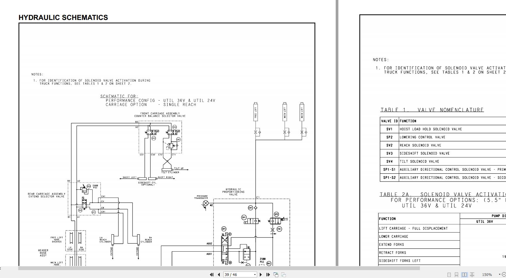
1900YRM2189 HYDRAULIC SYSTEM 09-2022
4000YRM2091 CYLINDER REPAIR 03-2020
4000YRM2092 MAST DESCRIPTION 03-2020
4000YRM2093 MAST REPAIR 03-2020
4000YRM2191 CYLINDER REPAIR 03-2020
4000YRM2192 MAST REPAIR 03-2020
4500YRM2094 REACH CARRIAGE REPAIR 03-2020
4500YRM2193 REACH CARRIAGE 03-2020
ELECTRICAL
2200YRM1128 WIRE HARNESS REPAIR 01-2023
2200YRM2088 ELECTRICAL SYSTEM 01-2021
2200YRM2089 USER INTERFACE 01-2021
2240YRM0001 INDUSTRIAL BATTERY 01-2023
REFERENCE MATERIAL
8000YRM0231 METRIC AND INCH (SAE) FASTENERS 02-2023
8000YRM2095 PERIODIC MAINTENANCE 07-2023
8000YRM2096 CAPACITIES AND SPECIFICATIONS 03-2022
8000YRM2097 DIAGRAMS 04-2022
#CLICK HERE: YALEFORKLIFT FULL MANUAL|ALL BRAND FORKLIFT|SHOPPING GUIDE|CONTACT US|PAYMENT




