Yale MO10L MO20 MO20P MO20X MO25 MO50T MO70T (E857) Service Manual 2025
Data Size: 62.62 MB
File Type: PDF
Language: English
Manufacturer: Yale
Applicable Machine: Forklift
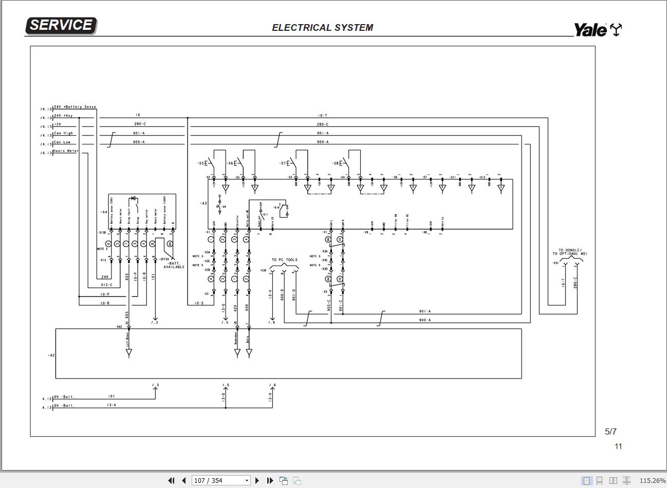
Document: Service Manual, Hydraulic and Electric Diagrams
Machine Model: Yale MO10L MO20 MO20P MO20X MO25 MO50T MO70T (E857) Class 3
Latest Publication Date: 2025
List Contents:
550035933-[E857]-Y-SM-UK-EN-(03-2025).pdf (354 Pages)
550072197-[A473-B979-C846-C852-D843-E842-E857] MULTIFUNCTION KEYPAD (12-2012).pdf (10 Pages)
550207234-8000YRM2201-(06-2021) PERIODIC MAINTENANCE MANUAL.pdf (32 Pages)
550209262 MIDAC Lithium Battery (10-2019).pdf (46 Pages)
550209961-[E857] Wiring Diagrams (03-2025).pdf (410 Pages)
81008414-2200YRM2599-(01-2025) AUTOMATION.pdf (108 Pages)


