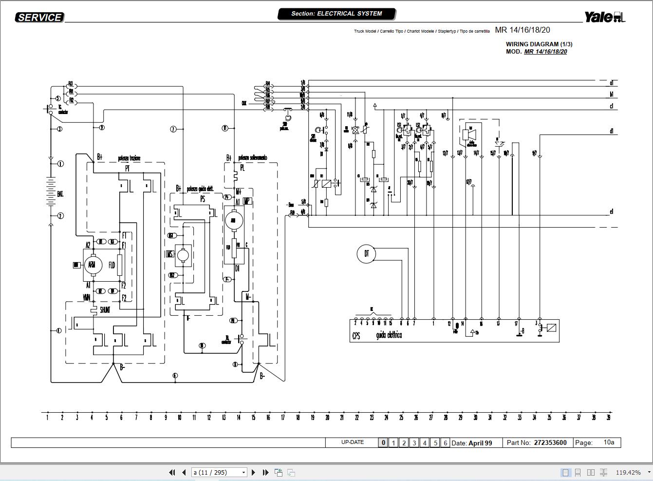
Yale MR14 MR16 MR18 MR20 (B849) Service Manual 272353600
Data Size: 13.05 MB
File Type: PDF
Language: English
Manufacturer: Yale
Applicable Machine: Forklift
Document: Service Manual, Hydraulic and Electric Diagrams
Machine Model: Yale MR14 MR16 MR18 MR20 (B849) Class 2 Forklift
Number ò Pages: 295 Pages
List Contents:
ASSEMBLY 1 WHEEL POSITION INDICATOR
ASSEMBLY 2 5 TH HYDRAULIC LEVER
ASSEMBLY 3 PARKING BRAKE
ASSEMBLY 4 REVOLVING LIGHT AUDIBLE WARNING
ASSEMBLY 5 A) SLOW DRIVE WITH BATTERY OUT B) SLOW DRIVE WITH BATTERY OUT+ SLOW DRIVE SWITCH C) SLOW DRIVE SWITCH
ASSEMBLY 6 WORK LIGHT
ASSEMBLY 7 TRANSFORMATION -30°C
ASSEMBLY 8 HEIGHT INDICATOR
ASSEMBLY 9 VIDEO CAMERA


