Yanmar B14 (US) Service Manual MM159ENMA00100
Size: 22.00 MB
Language: English
Machine: Excavator
Document: Service Manual, Hydraulic and Electrical Diagrams
Machine Model: B14 (US)
Part Number: MM159ENMA00100
Pages: 337 Pages
The Bookmarks of Yanmar B14 (US) Service Manual MM159ENMA00100:
COVER
FOREWORD
CONTENTS
CHAPTER 1 GENERAL CAUTIONS FOR MAINTENANCE WORK
1-1 Correct Work
1-2 Safety Precautions
1-3 Preparations
1-4 Cautions for Disassembly and Reassembly
1-5 Cautions for Removal and Installation of Hydraulic Equipment
1-6 Cautions for Removal and Installation of Hydraulic Piping
1-7 Cautions for Handling Seals
1-8 Correct Installation of Hydraulic Hose
1-9 Specifications of Hydraulic Hose
1-10 Air Release of Hydraulic Equipment
CHAPTER 2 TECHNICAL DATA
2-1 Specifications
2-2 Outline Drawing and Working Area
2-3 Weight List of Main Parts
2-4 Lifting Capacity List (For Standard Arm)
CHAPTER 3 SERVICE STANDARDS
3-1 Machine Performance
3-2 Engine
3-3 Undercarriage
3-4 Controls
3-5 Hydraulic Equipment
3-6 Implement
3-7 List of Tightening Torque
CHAPTER 4 ENGINE
4-1 Measurement, Inspection and Adjustment
4-2 Measurement Procedure, Service Data and Corrective Action
4-3 Precautions for Reassembly
4-4 Fuel Injection System
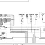
4-5 Electrical Equipment
CHAPTER 5 HYDRAULIC SYSTEM
5-1 Outline
5-2 Hydraulic Circuit Schematic
5-3 Circuit Operation
5-4 Pressure Adjustment
CHAPTER 6 HYDRAULIC EQUIPMENT
6-1 Hydraulic Pump
6-2 Control Valve
6-3 Pilot Valve
6-4 Cut-off Valve
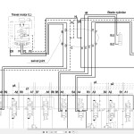
6-5 Swing Motor
6-6 Travel Motor
CHAPTER 7 ADJUSTMENT AND REPAIR
7-1 Electric Equipment of the Machine
7-2 Undercarriage
7-3 Controls
7-4 Swing Bearing
7-5 Hydraulic Equipment
7-6 Work Implements
CHAPTER 8 PERIODIC INSPECTION AND SERVICING
CHAPTER 9 FUEL, LUBE OIL AND GREASE RECOMMENDED
CHAPTER 10 TROUBLESHOOTING
10-1 Non-breakdowns
10-2 Troubleshooting
CHAPTER 11 FEFERENCE DATA
11 Specifications for Attachment




